电脑桌面
添加小米粒文库到电脑桌面
安装后可以在桌面快捷访问

化学实验操作注意事项VIP免费

化学实验操作注意事项_第1页
1/7
化学实验操作注意事项_第2页
2/7
化学实验操作注意事项_第3页
3/7
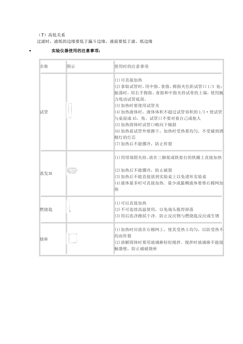
化学实验操作的注意事项化学实验操作应遵循的七个原则:1.“从下往上”原则。2.“从左到右”原则。装配复杂装置应遵循从左到右顺序。如上装置装配顺序为:发生装置→集气瓶→烧杯。3.先“塞”后“定”原则。4.“固体先放”原则。5.“液体后加”原则。6.先验气密性(装入药口前进行)原则。7.后点酒精灯(所有装置装完后再点酒精灯)原则。化学实验中的“七个关系”(1)先后关系①向试管中装人固体粉末时,先将试管倾斜,把盛药品的药匙送至试管底部,然后让试管直立,使药品全部落到试管底;向试管中放入块状固体时,先把试管横放,用镊子把药品放在试管口,然后将试管慢慢竖立起来使固体缓慢落到试管底。②用胶头滴管吸取少量液体时,先在滴瓶外面挤压胶头排出滴管内的空气,然后再伸入滴瓶内松手吸取液体。③用托盘天平称量药品时,先游码归零,再调节平衡,然后称量。④给玻璃仪器加热时,先把仪器外壁擦干,然后再加热。⑤给试管中的药品加热时,先使试管均匀受热,然后对盛放药品的部位固定加热。(2)左右关系①用托盘天平称量药品时,药品放在左盘,砝码放在右盘。②连接实验装置时,应按从左到右(或自下而上)的顺序进行,拆除时顺序相反。③橡胶塞和橡胶管与玻璃管连接时,左手拿橡胶塞或橡胶管,右手拿玻璃管(玻璃管一端用水润湿);给容器塞橡胶塞时,左手拿容器,右手拿塞子。(3)上下关系①给试管中的固体加热时,试管口应略向下倾斜;给试管中的液体加热时,试管口应向上倾斜(与桌面大约成45。角)。②用试管夹夹持试管时,应从试管底部向上套,夹在试管的中上部。③手拿试剂瓶倾斜液体试剂时,应让标签向上对着手心。(4)正倒关系①取试剂瓶里的药品时,拿下瓶塞,倒放在桌上。②用胶头滴管取完液体时,胶头滴管应该正放(保持胶头向上),而不能倒放或平放。(5)多少关系①实验时,如果没有说明药品用量,应取最少量,即液体取1~2mL,固体只需盖满试管底部。②酒精灯内酒精的量不得超过酒精灯答积明了2/3。③加热时,试管内液体的体积不能超过其容积的1/3,蒸发皿内液体的体积不能超过其容积的2/3。(6)内外关系①用洒精灯加热时.应该用外焰加热。②使用胶头滴管向试管中滴加液体时,滴管应悬空在试管口的止上方,不能伸入试管内。(7)高低关系过滤时,滤纸的边缘要低于漏斗边缘,液面要低于滤。纸边缘实验仪器使用的注意事项:名称图示使用时的注意事项试管(1)可直接加热(2)拿取试管时,用中指、食指、拇指夹住距试管口1/3处:振荡时,用右手拇指、食指和中指夹持试骨的上端,使用腕力甩动试管底部。(3)加热时要使用试管夹(4)加热液体时,液体体积不超过试管容积的1/3·使试管与桌面成45。角。试管口不要对着自己或他人(5)加热固体时试管口略向下倾斜(6)加热前试管外壁擦干,加热时受热要均匀,不受碰到酒精灯的灯芯(7)加热后不能骤冷,防止炸裂蒸发皿(1)用坩埚钳夹持,放在三脚架或铁架台的铁圈上直接加热(2)加热后不能骤冷,防止破裂(3)加热后不能直接放到实验桌上以免烫坏实验桌(4)液体量多时可直接加热.量少或黏稠液体要垫石棉网加热燃烧匙(1)可以直接加热(2)不可连续高温使用,以免端头脱焊掉落(3)用后洗净擦拭干净.防止反应物与燃烧匙反应或生锈烧杯(1)加热时应放在石棉网上,使其受热士均匀,以防受热不均而炸裂(2)溶解固体时要用玻璃棒轻轻搅拌.搅拌时玻璃捧不能接触器壁,防止碰破烧杯锥形瓶,烧瓶(圆底,平底)加热时需垫上石棉网,以防受热不均而炸裂酒精灯(1)酒精量不得超过酒精灯容积的2/3,不得少于1/4。量多受热易溢出,量少则酒精蒸气易引火爆炸(2)禁止向燃着的酒精灯里添加酒精;点燃酒精灯用火柴,禁止用燃着的酒精灯去引燃另一盏酒精灯,防止酒精溢出发生火灾(3)应用外焰加热,外焰酒精充分燃烧,温度高(4)熄灭时不能用嘴吹灭,应用灯帽盖灭而且要反复盖两次,目的是防止火焰进入灯内引燃酒精失火,同时防止下次用时打不开集气瓶(1)不允许加热,防止受热破裂(2)用于物质和气体的某些放热反应时,集气瓶内要放人少量水或细沙,以防止受热炸裂(3)集气瓶和广口瓶外形相似,但磨口的部位不同,集气瓶磨砂在瓶口上表面,广口瓶磨砂在瓶...

1、当您付费下载文档后,您只拥有了使用权限,并不意味着购买了版权,文档只能用于自身使用,不得用于其他商业用途(如 [转卖]进行直接盈利或[编辑后售卖]进行间接盈利)。
2、本站所有内容均由合作方或网友上传,本站不对文档的完整性、权威性及其观点立场正确性做任何保证或承诺!文档内容仅供研究参考,付费前请自行鉴别。
3、如文档内容存在违规,或者侵犯商业秘密、侵犯著作权等,请点击“违规举报”。

碎片内容

化学实验操作注意事项

确认删除?
VIP
微信客服
  • 扫码咨询
会员Q群
  • 会员专属群点击这里加入QQ群
客服邮箱
回到顶部