电脑桌面
添加小米粒文库到电脑桌面
安装后可以在桌面快捷访问

大气污染控制工程课程设计2014

大气污染控制工程课程设计2014_第1页
1/9
大气污染控制工程课程设计2014_第2页
2/9
大气污染控制工程课程设计2014_第3页
3/9
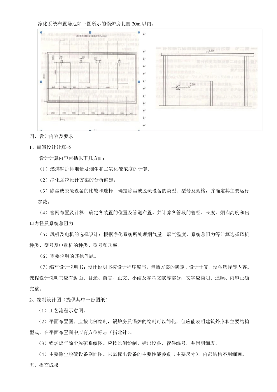
大气污染控制工程课程设计任务书 一、设计题目 某燃煤采暖锅炉房烟气除尘脱硫系统设计。 二、设计任务 燃煤锅炉燃烧过程排放的烟气中含有大量的烟尘和二氧化硫,如不采取有效的治理措施,将会对周围大气环境及居民健康造成严重影响与危害。因此,本设计结合燃煤锅炉烟气排放特点,根据所提供的原始参数及资料,拟设计一套燃煤采暖炉房烟气除尘系统。要求设计的净化系统效果好、操作方便、投资省,且出口烟气浓度达到锅炉大气污染物排放标准(GB13271-2001)中二类区标准,即:烟尘排放浓度≤200m g/Nm 3、SO2 排放浓度≤900m g/Nm 3。 三、原始资料 锅炉型号:SZL4-13 型,额定蒸发量 2.8MW/h 设计耗煤量:见附表。 排烟温度:180℃ 烟气密度(标准状态下):1.50kg/m 3 空气过剩系数:α=1.3 排烟中飞灰占煤中灰分(不可燃成分)的比例,见附表。 烟气在锅炉出口前阻力:800Pa 当地大气压力:970hPa 冬季室外空气温度:2℃ 空气含水(标准状态下)按 0.01293kg/m 3 烟气其它性质按空气计算。 燃煤煤质如下表所示。 表 燃煤煤质(按质量百分含量计,%) 组别 CY HY SY OY NY WY AY VY (1) 68 4 1 5 1 6 15 13 (2) 68 4 1.2 5 1 6 14.8 13 (3) 68 4 1.4 5 1 6 14.6 13 (4) 68 4 1.6 5 1 6 14.4 13 (5) 68 4 1.8 5 1 6 14.2 13 (6) 68 4 2 5 1 6 14 13 净化系统布置场地如下图所示的锅炉房北侧20m 以内。 四、设计内容及要求 1、编写设计计算书 设计计算内容包括以下几方面: (1)燃煤锅炉排烟量及烟尘和二氧化硫浓度的计算。 (2)净化系统设计方案的分析确定。 (3)除尘或脱硫设备的比较和选择:确定除尘或脱硫设备的类型、型号及规格,并确定其主要运行参数。 (4)管网布置及计算:确定各装置的位置及管道布置。并计算各管段的管径、长度、烟囱高度和出口内径及系统总阻力。 (5)风机及电机的选择设计:根据净化系统所处理烟气量、烟气温度、系统总阻力等计算选择风机种类、型号及电动机的种类、型号和功率。 (6)需要说明的其他问题。 (7)编写设计说明书:设计说明书按设计程序编写,包括方案的确定、设计计算、设备选择等内容。课程设计说明书应有封面、目录、前言、正文、小结及参考文献等部分,文字应简明、通顺、内容正确完整。 2、绘制设计图(提供其中一份图纸) (1)工艺流程示意图。 (2)平面布置图。应按比例绘...

1、当您付费下载文档后,您只拥有了使用权限,并不意味着购买了版权,文档只能用于自身使用,不得用于其他商业用途(如 [转卖]进行直接盈利或[编辑后售卖]进行间接盈利)。
2、本站所有内容均由合作方或网友上传,本站不对文档的完整性、权威性及其观点立场正确性做任何保证或承诺!文档内容仅供研究参考,付费前请自行鉴别。
3、如文档内容存在违规,或者侵犯商业秘密、侵犯著作权等,请点击“违规举报”。

碎片内容

大气污染控制工程课程设计2014

您可能关注的文档

确认删除?
VIP
微信客服
  • 扫码咨询
会员Q群
  • 会员专属群点击这里加入QQ群
客服邮箱
回到顶部