电脑桌面
添加小米粒文库到电脑桌面
安装后可以在桌面快捷访问

天津市滨海中专数控设备采购清单

天津市滨海中专数控设备采购清单_第1页
1/51
天津市滨海中专数控设备采购清单_第2页
2/51
天津市滨海中专数控设备采购清单_第3页
3/51
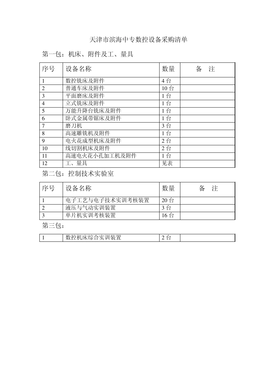
天津市滨海中专数控设备采购清单 第一包:机床、附件及工、量具 序号 设备名称 数量 备 注 1 数控铣床及附件 4 台 2 普通车床及附件 1 0 台 3 平面磨床及附件 1 台 4 立式铣床及附件 1 台 5 万能升降台铣床及附件 1 台 6 卧式金属带锯床及附件 1 台 7 磨刀机 3 台 8 高速雕铣机及附件 1 台 9 电火花成型机床及附件 2 台 1 0 线切割机床及附件 2 台 1 1 高速电火花小孔加工机及附件 1 台 1 2 工、量具 见表 第二包:控制技术实验室 序号 设备名称 数量 备 注 1 电子工艺与电子技术实训考核装置 2 0 台 2 液压与气动实训装置 3 台 3 单片机实训考核装置 1 6 台 第三包: 1 数控机床综合实训装置 2 台 第一包:机床、附件及工量具 一、数控铣床技术参数(共4 台) 工作台 *工作台面积 ≥500mmX1050mm T 型槽 3-18H8 T 型槽间距 150mm 行程 左右行程(X 轴) ≥800mm 前后行程(Y 轴) ≥500mm 上下行程(Z 轴) ≥550mm 加工范围 *主轴中心至立柱导轨距离 550mm *主轴端面至工作台面距离 ≥100-650 主轴 主轴锥度 ISO40 主轴锥孔/拉钉 BT40 主轴功率 5.5/7.5(主轴伺服) 最高转速 ≥7000rpm 进给(直联) 最高进给速度 ≥6000mm/min 快速移动速度(X/Y/Z) ≥16000 滚珠丝杠 (直径X 导程) X 轴滚珠丝杠 40mmX8mm Y 轴滚珠丝杠 40mmX8mm Z 轴滚珠丝杠 40mmX8mm 定位精度 定位精度(X、Y、Z) ≤0.01 重复定位精度(X、Y、Z) ≤0.008 几何精度 GB/T8771.2-1998 重量 工作台最大承载重量 ≥500Kg 机床重量 ≥4000Kg 数控系统:FANUC 0i MATE MD,(三轴联动,数控系统分辨率≤0.001mm) 带 RS232 接口 机床附件 配备 6”液压平口钳,安装于工作台上或提供安装附件 配装 φ160 三爪卡盘,安装于工作台上或提供安装附件 配备组合压板一套、配备自动排屑器及小车、手提式吹屑空气枪、水枪 安装 CF 卡接口及原装卡托 带 4G 以上CF 卡 带 usb 接口可直接使用 u 盘 机床性能要求: 1、采用滚珠丝杠及进口伺服电机驱动 2、全封闭安全防护 3、主轴采用进口成组高品质专用轴承 4、直线运动轴、主轴均采用伺服电机驱动,三轴联动,可进行各种铣削、镗孔、钻铰孔 5、刚性攻丝,螺旋线差补 与数控铣床相配套的附件 序货物名称 技术参数 数量 单位 备注 号 1 三...

1、当您付费下载文档后,您只拥有了使用权限,并不意味着购买了版权,文档只能用于自身使用,不得用于其他商业用途(如 [转卖]进行直接盈利或[编辑后售卖]进行间接盈利)。
2、本站所有内容均由合作方或网友上传,本站不对文档的完整性、权威性及其观点立场正确性做任何保证或承诺!文档内容仅供研究参考,付费前请自行鉴别。
3、如文档内容存在违规,或者侵犯商业秘密、侵犯著作权等,请点击“违规举报”。

碎片内容

天津市滨海中专数控设备采购清单

确认删除?
VIP
微信客服
  • 扫码咨询
会员Q群
  • 会员专属群点击这里加入QQ群
客服邮箱
回到顶部