电脑桌面
添加小米粒文库到电脑桌面
安装后可以在桌面快捷访问

太钢不锈钢退火酸洗处理线自动控制系统VIP专享

太钢不锈钢退火酸洗处理线自动控制系统_第1页
1/7
太钢不锈钢退火酸洗处理线自动控制系统_第2页
2/7
太钢不锈钢退火酸洗处理线自动控制系统_第3页
3/7
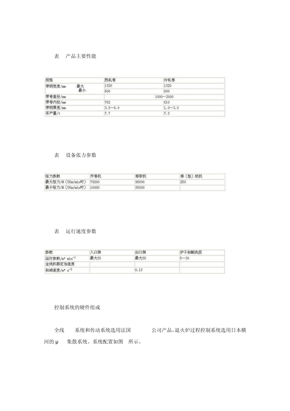
太钢不锈钢退火酸洗处理线自动控制系统 【保护视力色】 【打印】 【进入论坛】 【评论】 【字号 大 中 小】 2007-01-17 09-39 不锈钢冷热板退火酸洗处理混合线,既能处理不锈钢热轧带又能处理冷轧带,这样的生产线建设进度快,节省投资。不锈钢板先经过退火,若处理热轧带,需要经过抛丸机,打掉钢板的氧化层,然后经过酸洗槽酸洗,漂洗,烘干,卷取。当处理冷轧带时,不使用抛丸机。此线的主要特点是双层结构、线长。全线主要划分为带卷准备段、入口段(POR~SR4)、炉子段、抛丸机、酸洗段、出口段(SR6~TR)。带卷准备段用于焊接引带。带钢的头尾焊接由入口段W1焊机完成。工艺流程如图1所示。 图1 退火酸洗处理线工艺流程图 POR—开卷机;F1—矫直机;R1~R4—夹送辊;C1—切头剪;C2—切尾剪;CPR—导向辊;BR1~BR5—张力辊;SR1~SR8—对中辊;SBM—抛丸机;TR—卷取机;PWO—开卷卷纸机;PW1~PW2—卷取1#、2#垫纸机;W1—焊机 全线采用端进端出形式,总长共计 600m,BR1~SR3为入口活套段,SR6~SR8为出口活套段。主要参数见表 1、表 2和表 3。 表1 产品主要性能 表2 设备张力参数 表3 运行速度参数 控制系统的硬件组成 全线PLC系统和传动系统选用法国CEGELEC公司产品,退火炉过程控制系统选用日本横河的μ XL集散系统。系统配置如图 2所示。 图2 退火酸洗处理线自动控制系统配置图 -4 台ALSPASTATION255型操作站,主频200MHz,内存64MB ,硬盘1GB ;1 台17in(43mm)彩显。它们分别实现入口段、出口段、炉子段、酸洗段的集中监视,设定值的输入,各种启停信号以及生产报表等功能。 -2 台PC 编程器,内存为32MB ,硬盘1GB ,用于软件编程和调试。 -2 台DELNI局域网控制器,通过以太网实现2 台编程器、2 台80-MTPLC、操作站之间的通信,所有信息都要通过以太网传输。 -2 套80-MTPLC(MD、ME),4个CPU 。MD 实现液压系统、抛丸机、出入口辅助设备控制、出入口段带钢张力、速度控制及全线跟踪管理控制。ME 实现炉子段、酸洗段的带钢张力和速度控制。 -6 套80-35PLC(HA、HB 、HE 、HC 、HD 、HF) ,选用CPU351型主板,实现各区段的顺序控制。 -ZA 、ZB……ZJ、ZK 为变频调速系统,选用GD3000变频器,实现开卷机、张力辊、活套小车、卷取 机等设备的速度和张力控制。 -RA 、RB 、RC 为远 程I/O 站,主要有传感 器、电 磁 阀 、操作台、马 达 控制中心 的输入...

1、当您付费下载文档后,您只拥有了使用权限,并不意味着购买了版权,文档只能用于自身使用,不得用于其他商业用途(如 [转卖]进行直接盈利或[编辑后售卖]进行间接盈利)。
2、本站所有内容均由合作方或网友上传,本站不对文档的完整性、权威性及其观点立场正确性做任何保证或承诺!文档内容仅供研究参考,付费前请自行鉴别。
3、如文档内容存在违规,或者侵犯商业秘密、侵犯著作权等,请点击“违规举报”。

碎片内容

太钢不锈钢退火酸洗处理线自动控制系统

确认删除?
VIP
微信客服
  • 扫码咨询
会员Q群
  • 会员专属群点击这里加入QQ群
客服邮箱
回到顶部