电脑桌面
添加小米粒文库到电脑桌面
安装后可以在桌面快捷访问

如何看懂消防图纸

如何看懂消防图纸_第1页
1/6
如何看懂消防图纸_第2页
2/6
如何看懂消防图纸_第3页
3/6
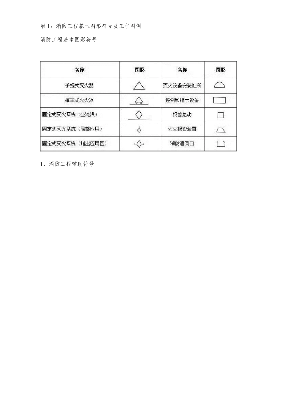
消防工程教你秒看消防图纸 消防图纸大致分消防水、消防电、还有气体消防;不管是什么,任何一份图纸,都要先看设计说明、图例;设计说明是图纸的提纲,读懂它能把握设计意图、内容等;不同的设计可能图例不一样;然后是系统图他是一本书的目录,读懂它就知道他整个系统的工作状态及连接方式;最后才是平面图,他事实是对系统图的进一步细化,表明设备的安装方式、位置及连接方式等。读图时平面图与系统图要进行对照,用以将整个系统联系起来。 如何看懂消防图纸?消防工程图首先要仔细看清楚总平面图,各建筑要分清楚,再看清楚前面的图纸设计说明和图例,其中有各种符号标示,然后看系统图,这是相对比较难的,多花点时间就行,最后各层消防平面图就自然而然能看下去了,看不明白或矛盾的地方,可以翻阅同工程的建筑和装潢、空调图,整体框架是一致的,看清楚仔细分析,应该能快速看明白了。 1、消防工程图纸一般分给排水(自动喷淋 、消火 栓 、气体灭 火 ) 和电气(火 灾 自动报 警 ) ,有的建设方也 会 让 消防公 司 来做 防排烟 部 分。 2、消防预 算 根 据 专 业 分类 ,特 定 的设备安装费 用在 消防安装定 额 里 都能找 到 ,比如喷头 、水喷淋 管道、支 吊 架、消火 栓 、报 警 阀 、探 头 、模 块 、报 警 设备等,其它通 用部 分就套 相应专 业 定 额 ,比如消火 栓 管道安装套 给排水管道定 额 ,泵 房 的管道安装套 工业 管道定 额 ,消防泵 的安装套 机 械 设备安装定 额 ,阀 门 法 兰 安装套工业 管道定 额 ,报 警 部 分的线 管安装套 电气安装定 额 等等。 3、材 料 的算 法 :设备数 量 按 图数 就行了,管道,线 管也 要靠 自己 来完 善 。 消防图纸中电气线 路 怎 么看?根 据 系统图结 全 平面图来每 层管线 走 向 ,一般先找到 进水点,再按 系统管线 的布 置来找 每 一层平面图的具 体位置。一般系统图只 是为 了表示管线 怎 样连接和用什么规 格 ,主 要是平面图电气的回 路 主 要是看线 的标识 ,如某 消防广 播 总线 :标识 为 采 用 2xZRBV-1.5mm²线 ,意思 为 2 根 1.5 平方铜 芯阻燃聚氯乙烯绝缘电线(ZRBV),由两根线组成回路,在系统图上只画一根线表示,计算线长度时,要以两根算。而消防电话总线:采用ZRRVVP-2x1.0mm²线,意思为一根阻燃屏蔽双...

1、当您付费下载文档后,您只拥有了使用权限,并不意味着购买了版权,文档只能用于自身使用,不得用于其他商业用途(如 [转卖]进行直接盈利或[编辑后售卖]进行间接盈利)。
2、本站所有内容均由合作方或网友上传,本站不对文档的完整性、权威性及其观点立场正确性做任何保证或承诺!文档内容仅供研究参考,付费前请自行鉴别。
3、如文档内容存在违规,或者侵犯商业秘密、侵犯著作权等,请点击“违规举报”。

碎片内容

如何看懂消防图纸

确认删除?
VIP
微信客服
  • 扫码咨询
会员Q群
  • 会员专属群点击这里加入QQ群
客服邮箱
回到顶部