电脑桌面
添加小米粒文库到电脑桌面
安装后可以在桌面快捷访问

如何绘制建筑底层平面图

如何绘制建筑底层平面图_第1页
1/17
如何绘制建筑底层平面图_第2页
2/17
如何绘制建筑底层平面图_第3页
3/17
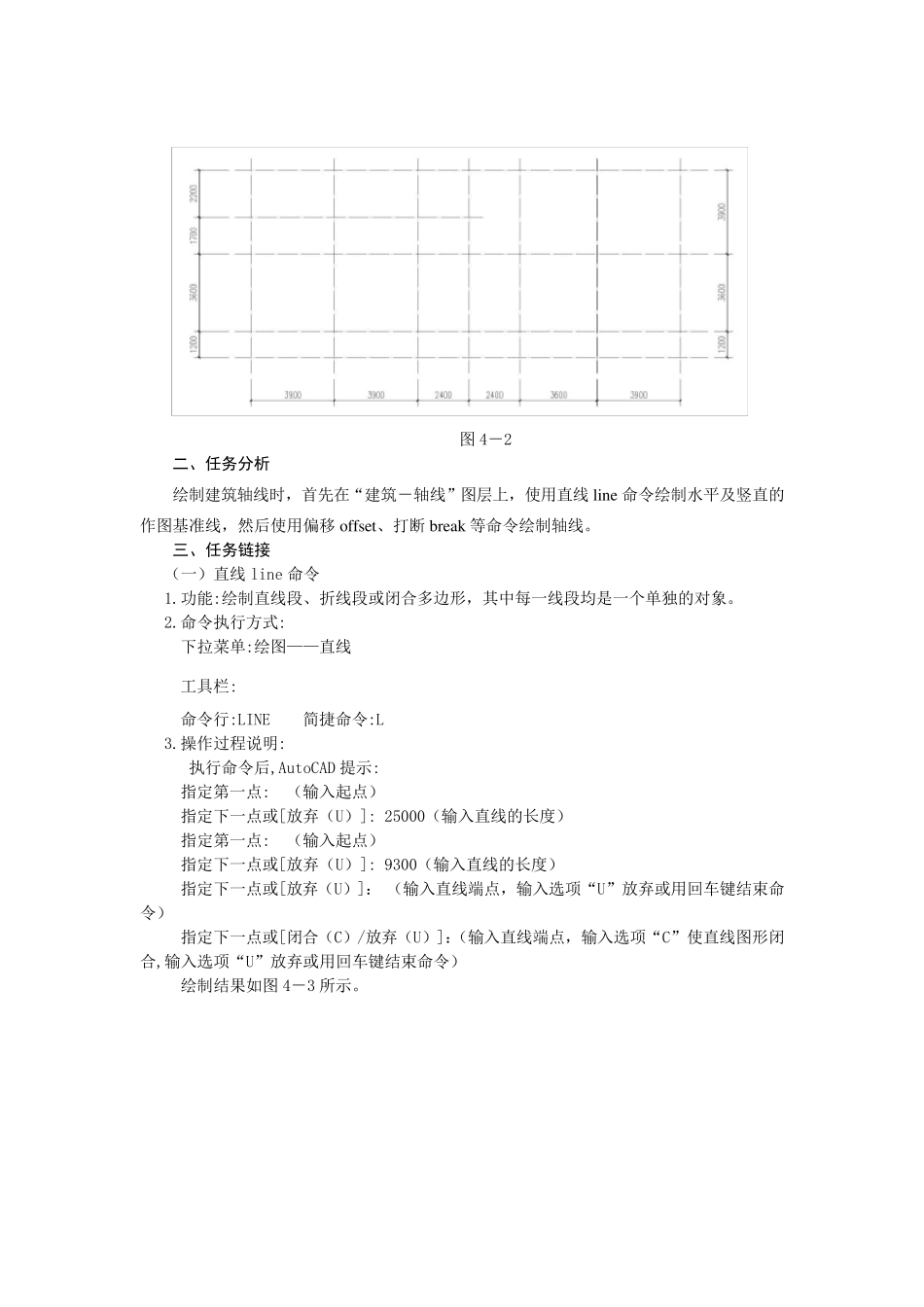
项目四 绘制建筑底层平面图 项目要求 绘制如图4-1 所示的建筑底层平面图。 图4-1 时间要求 教学学时6 学时 质量要求 按图示尺寸精确绘图 CAD 绘制建筑平面图的步骤一般是:绘制轴网、绘制墙体和柱、绘制门窗和阳台、绘制楼梯和踏步、布置家具和设备、标注尺寸和文字、标注构造做法、标注详图索引符号、标注图名。 由于建筑制图的国家标准和各设计单位统一的标题栏等制图习惯,同一套建筑图中不同的图纸,其图框、标题栏、绘图单位、精度、文字样式、尺寸标注样式等基本上是固定不变的。为了避免在每一张图中重复这些操作,从而节省绘图时间,可以在开始绘制图纸之前,建立样板图。为下一步绘制建筑图做准备,我们首先要学习样板图的参数、样板图的建立和使用方法,接着在样板图中开始绘制建筑平面图的各个绘图步骤。 任务一:建立A3 幅面的图形样板文件 任务二:绘制轴网 一、任务内容 绘制建筑平面图的第一个步骤是绘制出该建筑平面图中墙体的轴线。本任务就是绘制图4-1 所示建筑平面图的墙体轴网如图4-2 所示。 图4-2 二、任务分析 绘制建筑轴线时,首先在“建筑-轴线”图层上,使用直线line 命令绘制水平及竖直的作图基准线,然后使用偏移offset、打断break 等命令绘制轴线。 三、任务链接 (一)直线line 命令 1.功能:绘制直线段、折线段或闭合多边形,其中每一线段均是一个单独的对象。 2.命令执行方式: 下拉菜单:绘图——直线 工具栏: 命令行:LINE 简捷命令:L 3.操作过程说明: 执行命令后,AutoCAD 提示: 指定第一点: (输入起点) 指定下一点或[放弃(U)]: 25000(输入直线的长度) 指定第一点: (输入起点) 指定下一点或[放弃(U)]: 9300(输入直线的长度) 指定下一点或[放弃(U)]: (输入直线端点,输入选项“U”放弃或用回车键结束命令) 指定下一点或[闭合(C)/放弃(U)]:(输入直线端点,输入选项“C”使直线图形闭合,输入选项“U”放弃或用回车键结束命令) 绘制结果如图4-3 所示。 图4-3 4.选项说明 (1)放弃(U):放弃前一次操作。 (2)闭合(C):用直线段闭合。 (二)偏移offset 命令 1.功能:创建同心圆、平行线和平行曲线。 2.命令执行方式: 下拉菜单:修改——偏移 工具栏: 命令行: offset 简捷命令:o 3.操作过程说明: 执行命令后,Au toCAD 提示: 指定偏移距离或 [通过(T)/删除(E)/图层(L)] <通过>3900(指定距离或选项) 选择要偏移...

1、当您付费下载文档后,您只拥有了使用权限,并不意味着购买了版权,文档只能用于自身使用,不得用于其他商业用途(如 [转卖]进行直接盈利或[编辑后售卖]进行间接盈利)。
2、本站所有内容均由合作方或网友上传,本站不对文档的完整性、权威性及其观点立场正确性做任何保证或承诺!文档内容仅供研究参考,付费前请自行鉴别。
3、如文档内容存在违规,或者侵犯商业秘密、侵犯著作权等,请点击“违规举报”。

碎片内容

如何绘制建筑底层平面图

小辰8+ 关注
实名认证
内容提供者

出售各种资料和文档

确认删除?
VIP
微信客服
  • 扫码咨询
会员Q群
  • 会员专属群点击这里加入QQ群
客服邮箱
回到顶部