电脑桌面
添加小米粒文库到电脑桌面
安装后可以在桌面快捷访问

勘探安全生产标准化标准VIP免费

勘探安全生产标准化标准_第1页
1/26
勘探安全生产标准化标准_第2页
2/26
勘探安全生产标准化标准_第3页
3/26
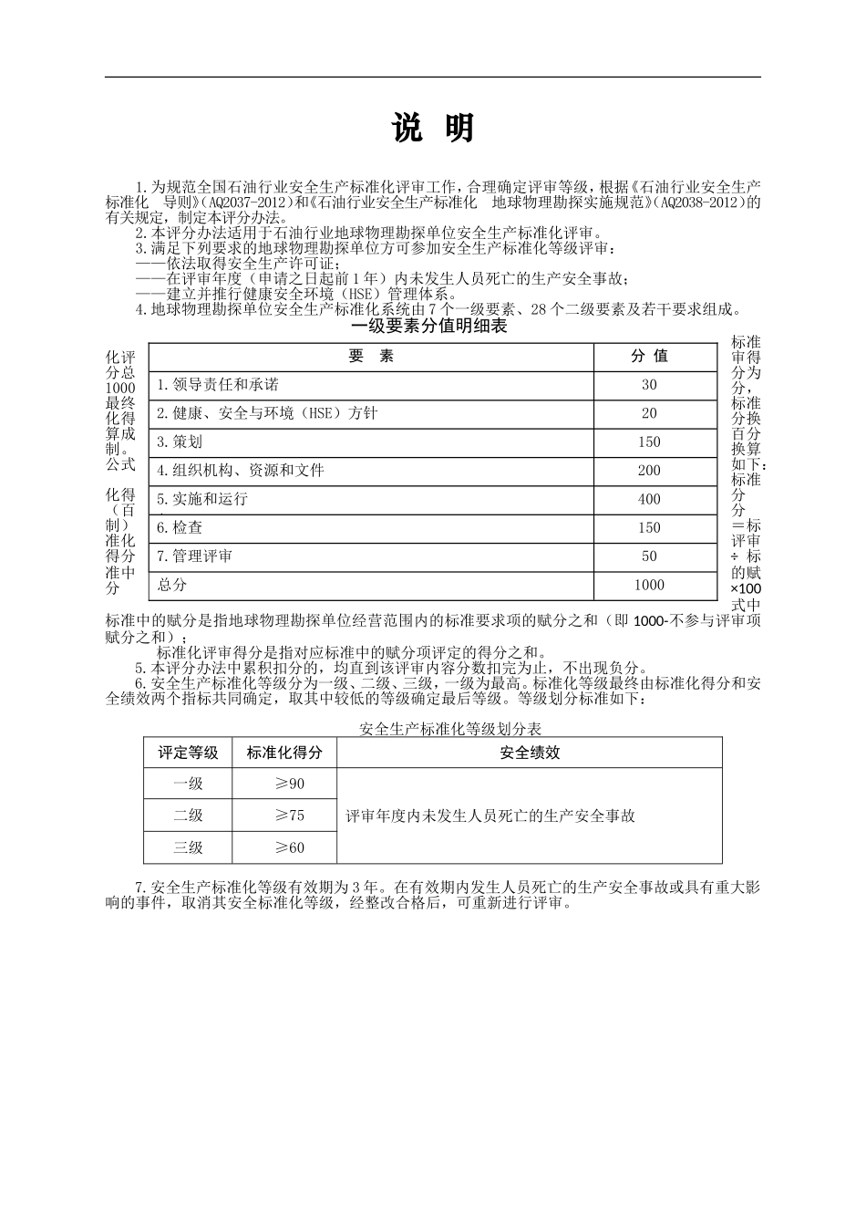
石油行业地球物理勘探安全生产标准化评分办法二○一三年二月说明1.为规范全国石油行业安全生产标准化评审工作,合理确定评审等级,根据《石油行业安全生产标准化导则》(AQ2037-2012)和《石油行业安全生产标准化地球物理勘探实施规范》(AQ2038-2012)的有关规定,制定本评分办法。2.本评分办法适用于石油行业地球物理勘探单位安全生产标准化评审。3.满足下列要求的地球物理勘探单位方可参加安全生产标准化等级评审:——依法取得安全生产许可证;——在评审年度(申请之日起前1年)内未发生人员死亡的生产安全事故;——建立并推行健康安全环境(HSE)管理体系。4.地球物理勘探单位安全生产标准化系统由7个一级要素、28个二级要素及若干要求组成。一级要素分值明细表标准化评审得分总分为1000分,最终标准化得分换算成百分制。换算公式如下:标准化得分(百分制)=标准化评审得分÷标准中的赋分×100式中标准中的赋分是指地球物理勘探单位经营范围内的标准要求项的赋分之和(即1000-不参与评审项赋分之和);标准化评审得分是指对应标准中的赋分项评定的得分之和。5.本评分办法中累积扣分的,均直到该评审内容分数扣完为止,不出现负分。6.安全生产标准化等级分为一级、二级、三级,一级为最高。标准化等级最终由标准化得分和安全绩效两个指标共同确定,取其中较低的等级确定最后等级。等级划分标准如下:安全生产标准化等级划分表评定等级标准化得分安全绩效一级≥90评审年度内未发生人员死亡的生产安全事故二级≥75三级≥607.安全生产标准化等级有效期为3年。在有效期内发生人员死亡的生产安全事故或具有重大影响的事件,取消其安全标准化等级,经整改合格后,可重新进行评审。要素分值1.领导责任和承诺302.健康、安全与环境(HSE)方针203.策划1504.组织机构、资源和文件2005.实施和运行4.4006.检查1507.管理评审50总分1000无石油行业地球物理勘探安全生产标准化评分办法一级要素二级要素标准要求分值符合性判断扣分标准领导责任和承诺(30分)责任(15分)主要负责人全面负责本单位的安全生产工作3主要负责人掌握本单位安全生产工作,对安全生产工作全面负责主要负责人不了解岗位安全职责不得分;对本单位的安全管理工作情况(工作目标、重大风险、工作计划等)不清楚,每缺1项扣1分主要负责人履行安全生产职责,包括:建立、健全本单位的安全生产责任制2组织建立本单位各级领导及各岗位职责没有明确岗位职责的不得分;岗位职责不健全或没有安全内容的,每发现1例,扣0.5分组织制定本单位安全生产规章制度和操作规程2组织制定覆盖本单位生产经营活动的规章制度和操作规程没有组织制定或修订安全生产规章制度和操作规程不得分保障本单位安全生产投入的有效实施2明确安全生产投入管理要求,组织制定了安全生产投入计划并实施没有明确安全生产投入管理要求不得分;没有制定安全生产投入计划不得分;安全生产投入未按计划实施的,扣0.5分督促、检查本单位的安全生产工作,及时消除生产安全事故隐患2组织检查本单位的安全生产工作,督促或组织安全隐患排查,采取隐患治理措施主要负责人没有组织检查本单位的安全生产工作不得分;没有督促或组织安全隐患排查及治理不得分组织制定并实施本单位的应急预案2结合实际组织制定应急预案没有组织制定应急预案不得分;主要负责人不清楚自己的应急职责,扣0.5分按规定上报生产安全事故2建立并落实生产安全事故报告制度不掌握事故报告要求的不得分;发生的事故发现有一起没有按规定上报不得分承诺主要负遵守所在国家和地区的法律、2承诺中包括遵守所在国家和地区的法律、法规及未承诺遵守当地的法规、标准及尊重施工所无一级要素二级要素标准要求分值符合性判断扣分标准(10分)责人应有明确、公开的HSE承诺,主要包括:法规及相关要求,尊重施工所在地的风俗习惯相关要求,尊重施工所在地的风俗习惯的内容在地的风俗习惯,不得分;内容有欠缺扣0.5分提供必要的人力、物力、财力资源2承诺中包括人力、物力、财力资源的内容未承诺给予人力、物力、财力支持的,不得分;内容有欠缺扣0.5分持续改进HSE管理2承诺中包括持续改进HSE管理的内容没有持续改...

1、当您付费下载文档后,您只拥有了使用权限,并不意味着购买了版权,文档只能用于自身使用,不得用于其他商业用途(如 [转卖]进行直接盈利或[编辑后售卖]进行间接盈利)。
2、本站所有内容均由合作方或网友上传,本站不对文档的完整性、权威性及其观点立场正确性做任何保证或承诺!文档内容仅供研究参考,付费前请自行鉴别。
3、如文档内容存在违规,或者侵犯商业秘密、侵犯著作权等,请点击“违规举报”。

碎片内容

勘探安全生产标准化标准

确认删除?
VIP
微信客服
  • 扫码咨询
会员Q群
  • 会员专属群点击这里加入QQ群
客服邮箱
回到顶部