电脑桌面
添加小米粒文库到电脑桌面
安装后可以在桌面快捷访问

生产部工资管理办法细致

生产部工资管理办法细致_第1页
1/8
生产部工资管理办法细致_第2页
2/8
生产部工资管理办法细致_第3页
3/8
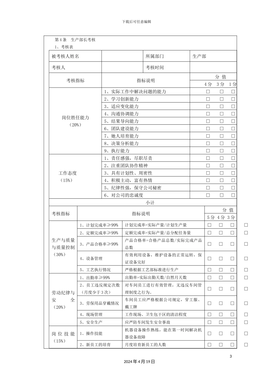
下载后可任意编辑生产部工资管理办法细致12024 年 4 月 19 日下载后可任意编辑生产部工资管理办法制度名称生产部工资管理办法编 号执行部门第一节 总则第 1 条 目的由于工厂计时、计件工资种类多样,核算繁杂,为了保证按时准确地核算员工工资,激励员工的劳动积极性,特制订本制度。第2条适用范围本制度适用于生产部所有员工。第二节生产部管理人员工资管理办法第 3 条 生产部长工资管理办法1、基本工资标准1.1 基本工资为 2800 元-4000 元,人事部根据其工作经验、工作年限及综合素养核定其工资标准。1.2 试用期为 1-3 个月,试用期工资按百分之八十发放。2、奖金2.1 生产部将根据生产部现有人员之生产能力核算当月应完成任务,低于生产任务之百分之八十,不予发放奖金。手工生产人数少于 60 人,不予发放奖金。2.2 新员工月产量按人均日产量之百分之八十计算。2.3 奖金分配如下手工生产人数(不含脱产员工)人均日产量月产能(以 28 天计算)实际完成产量提成比例60 人1000 元168 万134 万以上0.5‰实际产量80 人1100 元246 万197 万以上0.6‰实际产量100 人1150 元322 万258 万以上0.65‰实际产量150 人1200 元450 万360 万以上0.7‰实际产量200 人以上1200 元672 万538 万以上0.85‰实际产量2.3.1 月产能以实际客户认可质量之销售额为准。2.4 奖金发放办法当月发放提成奖金之百分之八十,剩余百分之二十累计年底发放。2.5 年终奖2.5.1 为企业服务满一年,则将以年底双薪的形式发放年终奖。年终奖的基数为该员工当月基本工资+岗位工资。2.5.2 年终奖的发放分两次进行,分别于每年 12 月及次年 7 月。(例如:员工为企业服务满一年,其基本工资为 元,则 12 月发放年终奖 1000 元,次年 7 月发放年终奖 1000 元)22024 年 4 月 19 日下载后可任意编辑第 4 条 生产部长考核 1、考核表被考核人姓名所属部门生产部考核人考核时间考核指标指标说明分 值4 分 3 分 1 分岗位胜任能力(20%)1、实际工作中解决问题的能力□ □ □2、学习创新能力□ □ □3、适应变化能力□ □ □4、沟通协调能力□ □ □5、结果导向能力□ □ □6、团队建设能力□ □ □7、她人培育能力□ □ □8、决策分析能力□ □ □9、执行能力□ □ □工作态度(15%)1、责任感强,尽职尽责□ □ □2、注重团队协作精神□ □ □3、具有计划性、周密性□ □ □4、积极主...

1、当您付费下载文档后,您只拥有了使用权限,并不意味着购买了版权,文档只能用于自身使用,不得用于其他商业用途(如 [转卖]进行直接盈利或[编辑后售卖]进行间接盈利)。
2、本站所有内容均由合作方或网友上传,本站不对文档的完整性、权威性及其观点立场正确性做任何保证或承诺!文档内容仅供研究参考,付费前请自行鉴别。
3、如文档内容存在违规,或者侵犯商业秘密、侵犯著作权等,请点击“违规举报”。

碎片内容

生产部工资管理办法细致

确认删除?
VIP
微信客服
  • 扫码咨询
会员Q群
  • 会员专属群点击这里加入QQ群
客服邮箱
回到顶部