电脑桌面
添加小米粒文库到电脑桌面
安装后可以在桌面快捷访问

冷藏冷冻药品管理规程VIP免费

冷藏冷冻药品管理规程_第1页
1/7
冷藏冷冻药品管理规程_第2页
2/7
冷藏冷冻药品管理规程_第3页
3/7
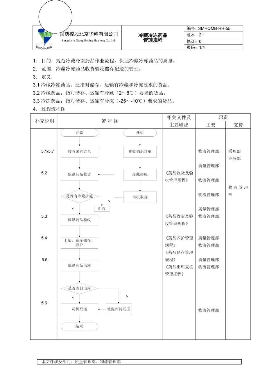
本文件涉及部门:质量管理部、物流管理部国药控股北京华鸿有限公司SinopharmGroupBeijingHuahongCo.Ltd.冷藏冷冻药品管理规程编号:SMHQMB-HH-55版本:2.1修订:0页码:1/41.目的:规范冷藏冷冻药品作业流程,保证冷藏冷冻药品的质量。2.范围:冷藏冷冻药品收货验收储存配送的管理。3.定义:3.1冷藏冷冻药品:泛指对储存、运输有冷藏和冷冻要求的货品。3.2冷藏药品:指对储存、运输有冷藏(2~8℃)要求的货品。3.3冷冻药品:指对储存、运输有冷冻(-25~-10℃)要求的货品。4.过程流程图补充说明流程图相关文件及主要输出职责主要支持5.1/5.75.25.35.45.55.6《药品收货及验收管理规程》《药品收货及验收管理规程》《药品养护管理规程》《药品储存管理规程》《药品出库复核管理规程》物流管理部质量管理部物流管理部物流管理部质量管理部物流管理部质量管理部物流管理部质量管理部物流管理部物流管理部采购部业务部物流管理部本文件涉及部门:质量管理部、物流管理部国药控股北京华鸿有限公司SinopharmGroupBeijingHuahongCo.Ltd.冷藏冷冻药品管理规程编号:SMHQMB-HH-55版本:2.1修订:0页码:2/45补充说明5.1物流管理部接收系统中的采购订单5.2冷藏冷冻药品到货5.2.1冷藏冷冻药品到库后,收货员需在半小时之内完成收货。除按《药品收货及验收管理规程》收货外,收货员还应对冷藏冷冻药品的运输方式、运输时间、运输设备及温度状况进行核查并留存运输过程温度记录,同时做好收货记录,对未采用规定的冷藏、冷冻设施运输的或温度不符合规定的应当拒收,将药品隔离存放于符合温度要求的环境中,并报质量管理部门处理。5.2.2收货员将符合收货要求的冷藏冷冻药品,直接送至相应待验区,并立即通知验收人员到冷库验收。5.2.3对销售退回的药品,同时检查退货方提供的温度控制说明文件和售出期间温度控制的相关数据。对于不能提供文件、数据,或温度控制不符合规定的,应当拒收,做好记录并报质量管理部门处理。5.3冷藏冷冻药品验收5.3.1验收人员至接到冷藏冷冻药品验收指令后,至冷藏冷冻药品待验区按《药品收货及验收管理规程》进行验收作业,验收作业应在半个工作日内完成。验收合格药品应当及时入库,验收中出现的问题应上报质量管理部,质量管理部应尽快处理,防止对药品质量造成影响。5.3.2对实施批签发管理的生物制品(低温),验收人员除按一般药品验收外,应检查随附文件中是否有批签发证,无批签发证不得办理入库。5.4冷藏冷冻药品在库保管5.4.1冷藏冷冻药品验收合格后,根据包装标示的温度要求储存,包装上没有标示具体温度的,按照《中华人民共和国药典》规定的贮藏要求进行储存。5.4.2养护员按《药品养护管理规程》对冷藏冷冻药品按月进行养护,并将养护结果记录在《月药品养护记录》。5.5冷藏冷冻药品出库5.5.1低温保管员凭冷藏冷冻药品《备货单》进行拣货作业。5.5.2保管员拣货后将药品放于冷藏冷冻药品待发区,由复核员对货品进行复核,并集货标出客户名称。5.5.3复核完毕后,复核员将冷藏冷冻药品按运输要求进行集货,根据订单号在系统做确认并在备货单上盖章留存。发货前,由低温作业员按《冷链包装方案》要求进行冷藏冷冻药品打包。5.5.4对于当天不发的冷藏冷冻药品,需要将集货完毕的冷藏冷冻药品放在低温库待发货区,不放冰排,做好相应的标识,第二天出库时由低温作业员按5.5.3进行发货。本文件涉及部门:质量管理部、物流管理部国药控股北京华鸿有限公司SinopharmGroupBeijingHuahongCo.Ltd.冷藏冷冻药品管理规程编号:SMHQMB-HH-55版本:2.1修订:0页码:3/45.5.5冷藏冷冻药品发货时须注意以下环节:1)冷藏冷冻药品发货按规定的包装和发货流程进行;2)发货冰排必须按包装要求进行处理,发货时冰排需要释冷,发现冰排上有水珠应用抹布擦拭干净;3)冷藏冷冻药品外埠发货时,发货包装中需要使用合适的填充材料,使冰排不会损坏药品,以保证药品运输途中的质量完好。5.6冷藏冷冻药品运输5.6.1冷藏冷冻药品市内运输采用封闭式车辆,送货时优先送冷藏冷冻药品,并将保温箱和所带冰排返回公司,放置于指定位置存放。5.6.2冷藏冷冻药品外埠发货时,外埠调度根据送达时间...

1、当您付费下载文档后,您只拥有了使用权限,并不意味着购买了版权,文档只能用于自身使用,不得用于其他商业用途(如 [转卖]进行直接盈利或[编辑后售卖]进行间接盈利)。
2、本站所有内容均由合作方或网友上传,本站不对文档的完整性、权威性及其观点立场正确性做任何保证或承诺!文档内容仅供研究参考,付费前请自行鉴别。
3、如文档内容存在违规,或者侵犯商业秘密、侵犯著作权等,请点击“违规举报”。

碎片内容

冷藏冷冻药品管理规程

确认删除?
VIP
微信客服
  • 扫码咨询
会员Q群
  • 会员专属群点击这里加入QQ群
客服邮箱
回到顶部