电脑桌面
添加小米粒文库到电脑桌面
安装后可以在桌面快捷访问

箱梁钢管桩模架计算书

箱梁钢管桩模架计算书_第1页
1/8
箱梁钢管桩模架计算书_第2页
2/8
箱梁钢管桩模架计算书_第3页
3/8
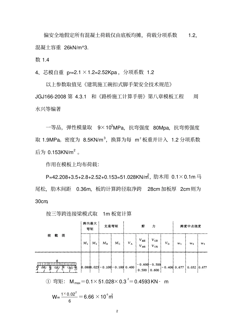
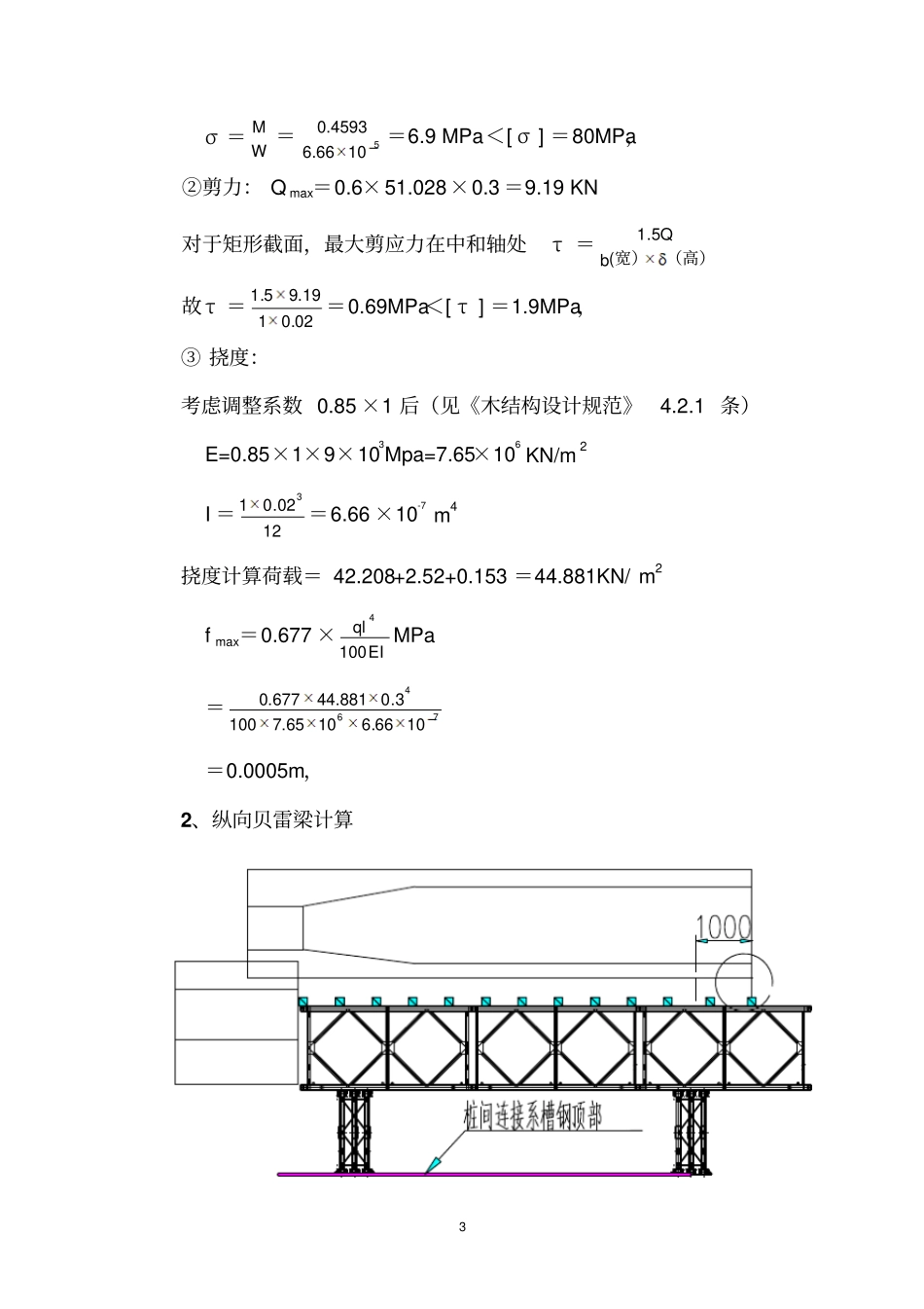
1 目录一、工程概况 .....................................................................................1 二、荷载计算 .....................................................................................1 三、构件计算 .................................................. 错误!未定义书签。1、 底模板 ................................................... 错误!未定义书签。2、 纵向贝雷梁计算 ......................................................................4 3、 横向贝雷梁计算 ......................................................................6 4、 钢管桩计算 ..............................................................................9 四、结论 .............................................................................................8 一、 工程概况*******高速公路位于河南省的东南部,是河南省及信阳市高速公路网中的重要组成部分,是河南省政府 2009 年 7 月发布的《河南省高速公路网调整规划》 在豫东南地区新增补的两条高速公路联络线之一,其建设将解决目前豫东南地区高速公路网密度偏低的问题。对于河南省高速公路网的形成,改善路网结构, 增强路网综合功能具有十分重要的作用。跨淮河特大桥,为三孔连续梁桥。跨径组合为45+70+45m。边跨现浇段采用钢管贝雷架施工,箱梁底宽6.5 ,顶宽 12m。横截面为单箱双室。箱梁梁高为 1.92m。箱梁腹板垂直, C50 砼数量 79.14 m3 。二、 荷载计算1、现浇混凝土的荷载2 偏安全地假定所有混凝土荷载仅由底板均摊,荷载分项系数1.2,混凝土容重 26kN/m^3. 数 1.4 4、芯模自重 p4=2.1 ×1.2=2.52Kpa ,分项系数 1.2 以上参数取值见《建筑施工碗扣式脚手架安全技术规范》JGJ166-2008 第 4.3.1和《路桥施工计算手册》第八章模板工程周水兴等编著一等品,弹性模量取9×103MPa,抗弯强度 80Mpa,抗弯剪强度取 1.9MPa。密度为 8.5KN/m 3,换算为每 m2 板重并计入 1.2 分项系数后为 0.153KN/m2 。作用在模板上均布荷载:P=42.208+3.5+2.8+2.52+0.153=51.028KN/m2,肋木用 0.1×0.1m 马尾松,肋木间距0.36m,板的计算跨径取净跨28cm 加板厚 2cm则为30cm。按三等跨连接梁模式取1m 板宽计算① 弯矩: M max=0.1×51.028×0.32=0.4593KN · m W=602.012=6.66 ×10-5...

1、当您付费下载文档后,您只拥有了使用权限,并不意味着购买了版权,文档只能用于自身使用,不得用于其他商业用途(如 [转卖]进行直接盈利或[编辑后售卖]进行间接盈利)。
2、本站所有内容均由合作方或网友上传,本站不对文档的完整性、权威性及其观点立场正确性做任何保证或承诺!文档内容仅供研究参考,付费前请自行鉴别。
3、如文档内容存在违规,或者侵犯商业秘密、侵犯著作权等,请点击“违规举报”。

碎片内容

箱梁钢管桩模架计算书

爱的疯狂+ 关注
实名认证
内容提供者

该用户很懒,什么也没介绍

相关文档

确认删除?
VIP
微信客服
  • 扫码咨询
会员Q群
  • 会员专属群点击这里加入QQ群
客服邮箱
回到顶部