电脑桌面
添加小米粒文库到电脑桌面
安装后可以在桌面快捷访问

组合机床液压系统设计VIP专享

组合机床液压系统设计_第1页
1/19
组合机床液压系统设计_第2页
2/19
组合机床液压系统设计_第3页
3/19
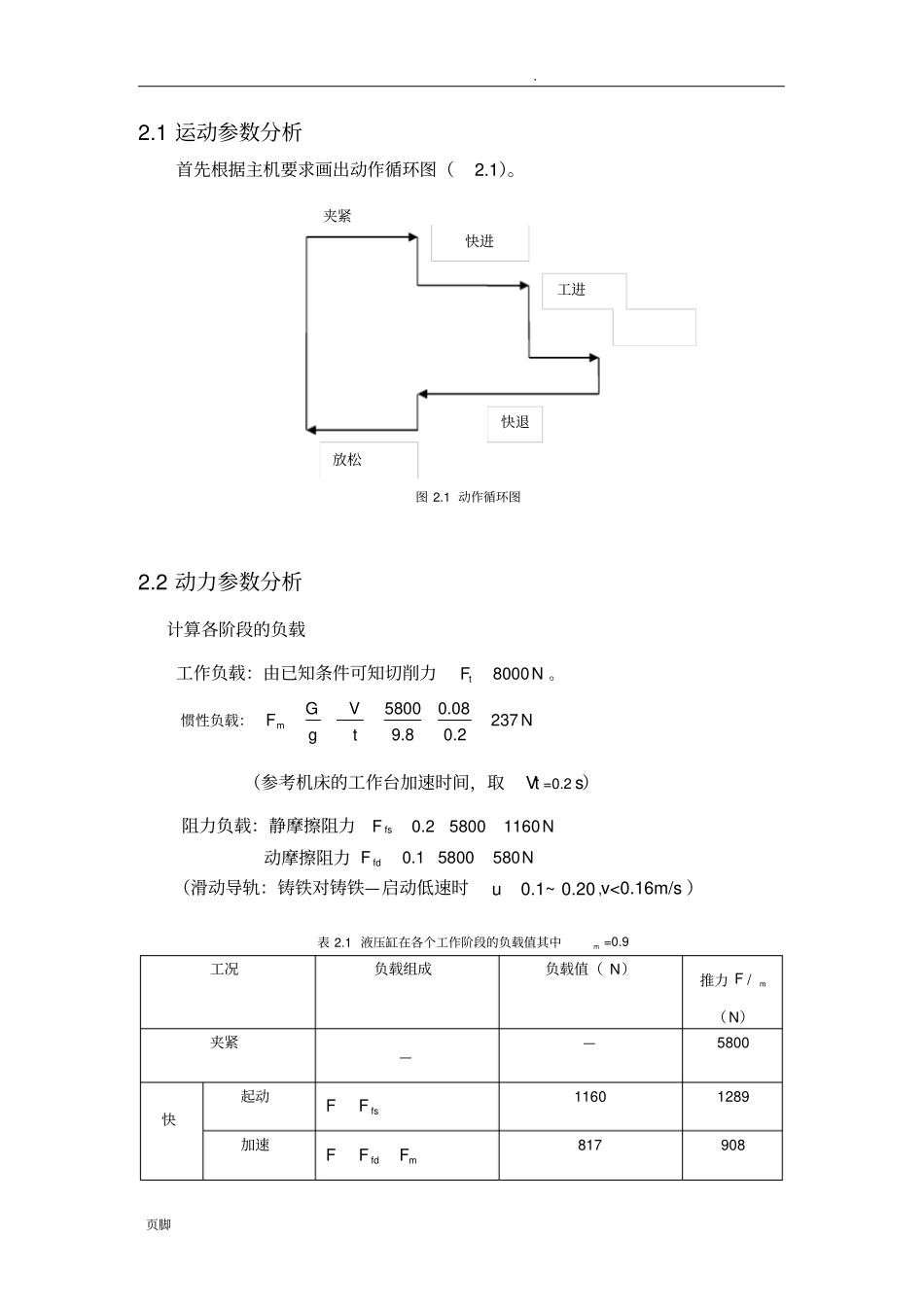
. 页脚组合机床液压系统设计1 方案的确定1.1 整体性分析要求此液压系统实现的工作循环是: 工件夹紧工作台快进工作台1 工进工作台 2 工进工作台快退工件松开。运动部件重 5800N,工作台快进、快退的速度4.8m/min ,工进的速度 60— 960mm/min ,最大行程640mm ,工进行程240mm 。最大切削力8000N 。夹紧缸行程30mm,夹紧力35000N 。对于铣削专用机床的液压系统而言,加工的零件需要精度高,定位准确。所以整个系统的设计要求定位精度高,换向速度快。在设计阀的时候,考虑这些方面变的尤其重要,要考虑到工作在最低速度时调速阀的最小调节流量能否满足要求。在行程方面,应该比要求的工作行程大点,包括工作行程、最大行程和夹紧缸行程,主要是考虑到在安全方面和实际运用中。在压力方面也要考虑到满足最大负载要求。而且在液压系统能满足要求的前提下,使液压系统的成本较低。1.2 拟定方案由上述分析可得以下两种方案:方案一液压系统中工作台的执行元件为伸缩缸,工件的夹紧用单杆活塞缸;工作台采用节流阀实现出油口节流调速,用行程阀实现工作台从快进到工进的转换,压力继电器控制一工进与二工进的转换,在工进回路上串接个背压阀;为了防止工件在加工过程中松动,在夹紧进油路上串接个单向阀;工作台的进、退采用电磁换向阀;夹紧缸的夹紧与放松用电磁阀控制。方案二液压系统中工作台的执行元件为单杆活塞缸,工件的夹紧也采用单杆活塞缸;工作台采用调速阀实现进油口节流调速,也采用行程阀实现工作台从快进到工进的转换,压力继电器控制一工进与二工进的转换,工进时,为了避免前冲现象,在回路上串接个背压阀;夹紧缸上串接个蓄能器和单向阀,避免工件在加工过程中松动;工作台的进、退换向采用电液换向阀,工作台快进时,采用差动连接;夹紧缸的夹紧与放松用电磁阀控制。方案比较:单杆活塞缸比伸缩缸结构简单,价格便宜,易维护,而且也能满足要求;调速阀的性能比节流阀稳定, 调速较好, 用于负载变化大而运动要求稳定的系统中;. 页脚采用出油口调速回路中油液通过节流阀产生的热量直接排回油箱散热;夹紧缸进油口处串接蓄能器,更好的保证工件的夹紧力,使工件在加工过程中始终在夹紧状态。电液换向阀的信号传递快,配合液压动力的输出力大、惯性小、反映快的优点使控制灵活、精度高、快速性好。综上比较选择方案二较好。2 工况分析. 页脚2.1 运动参数分析首先根据主机要求画出动作循环图(2.1)。图 2.1 ...

1、当您付费下载文档后,您只拥有了使用权限,并不意味着购买了版权,文档只能用于自身使用,不得用于其他商业用途(如 [转卖]进行直接盈利或[编辑后售卖]进行间接盈利)。
2、本站所有内容均由合作方或网友上传,本站不对文档的完整性、权威性及其观点立场正确性做任何保证或承诺!文档内容仅供研究参考,付费前请自行鉴别。
3、如文档内容存在违规,或者侵犯商业秘密、侵犯著作权等,请点击“违规举报”。

碎片内容

组合机床液压系统设计

确认删除?
VIP
微信客服
  • 扫码咨询
会员Q群
  • 会员专属群点击这里加入QQ群
客服邮箱
回到顶部