电脑桌面
添加小米粒文库到电脑桌面
安装后可以在桌面快捷访问

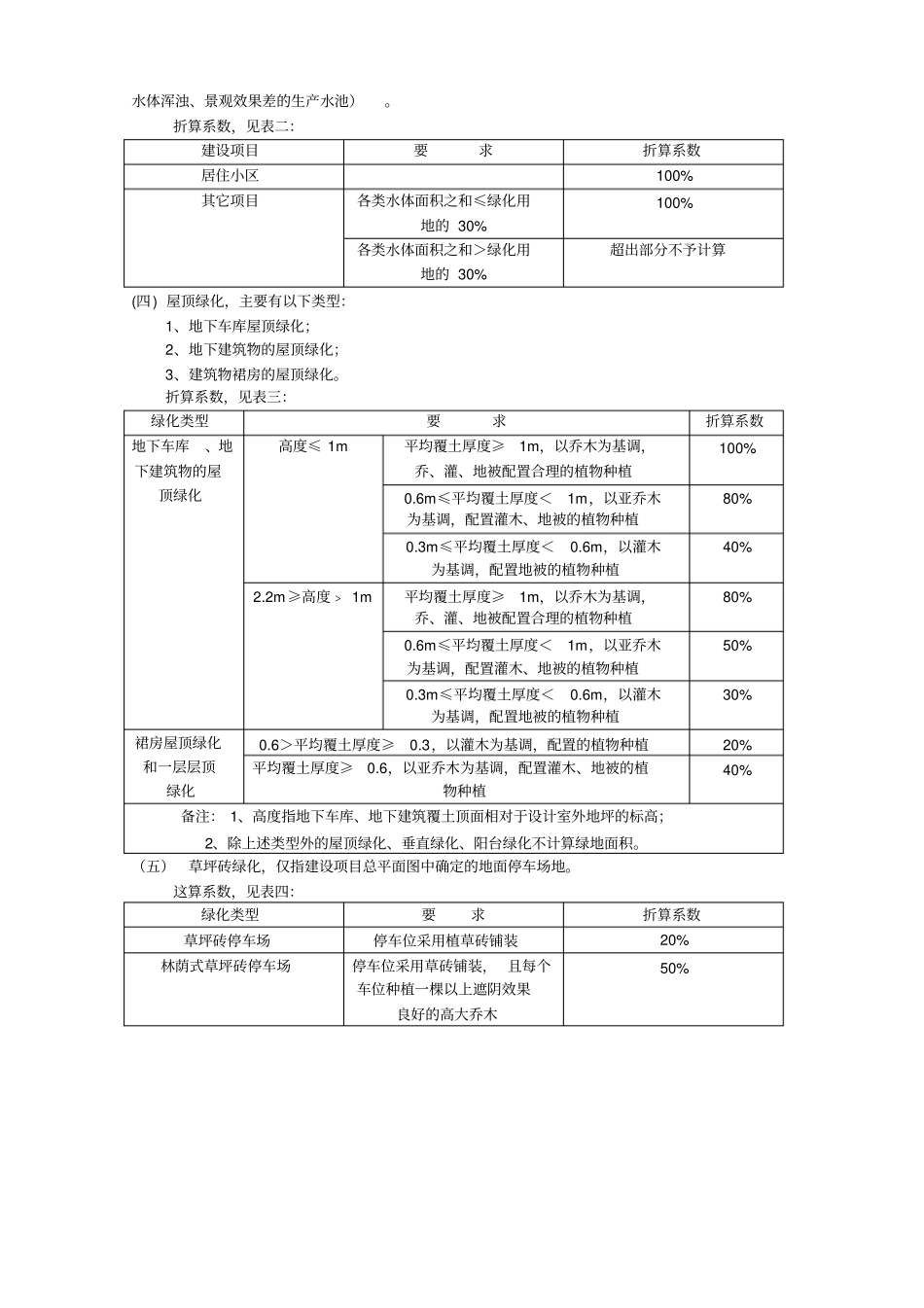
绿地率和绿化率含计算规则

绿地率和绿化率含计算规则_第1页
1/2
绿地率和绿化率含计算规则_第2页
2/2
绿地率和绿化率的区别与统一绿化率 是指规划建设用地范围内的绿地面积与规划建设用地面积 之比。绿地率是衡量居住区绿化现状的经济技术指标。绿地率不同于绿化覆盖率。绿地率描述的是居住区用地范围内各类绿地的总和和居住区用地 的比率( %)。在计算绿地率时,对绿地的要求非常严格。绿地率所指的“居住区用地范围内各类绿地”主要包括公共绿地、宅旁绿地等。其中,公共绿地,又包括居住小游园、组团绿地以及其他的一些块状、带状绿地。即使是最低的零散的块状、带状公共绿地也要求宽度不小于8 米,面积不小于400 平方米,该用地范围内的绿化面积不少于总面积的70%(含水面),至少要有1/3 的绿地面积能常年受到直接的日照 ,并要增设部分休闲娱乐设施。而宅旁绿地的庭院绿化的用地面积, 在计算是也要求距建筑外墙 1.5 米和道路边线1 米以内 的用地, 不得计入绿化用地。此外,还有几种情况也不能计算入绿地面积,如地下车库、化粪池。这些设施的地表覆土一般不达到3 米的深度,在上面种植大型乔木,成活率较低,所以计算绿地率时不能计入“居住区用地范围内各类绿化”中;而屋顶绿化 等装饰性绿化地,按目前国家的技术规范,也算正式绿地。在房产开发过程中,政府有关的就是绿地率这一指标。根据北京的地方规定,凡符合规划的新建区,居住小区绿地率不得低于30%,且要保证居住区内人均2 平方米,居住小区人均1 平方米的规模。国家要求的指标是绿地率,绿地率不同地区多少有区别,且要求严格。一般讲,新建小区的绿地率不低于30%,旧区改建绿地率不低于25%(参见城市居住区规划设计规范)。建筑周边 1.5 米不算入绿地, 道路周边 1 米不算入绿地, 覆土深度不足的部分不算绿地——由此可见屋顶绿化是不算绿地的),嵌草停车位种植乔木间距小于等于4 米且非单排种植的可算做绿地。也就是说一个车位4 角都种树才算绿地面积。地下车库顶板覆土深度够种植大乔木,且至少有一个侧开口的算作绿地。水体算作绿地。计算绿地率时,校园路不用扣除。绿地率计算规则一、为加强建设项目绿地率审核验收管理,根据有关规范规定,结合市区实际,制定本计算规则。二、本规定所指的绿地率,是指建设项目用地范围内各类绿地占地面积的总和和占建设项目用地面积的比率。三、本规定所指的建设项目用地与范围,是指建设项目总用地中扣除有建设项目方代征的区外道路、公共对外道路用地(即净用地面积)。四、建设项目用地范围内的各类绿地包...

1、当您付费下载文档后,您只拥有了使用权限,并不意味着购买了版权,文档只能用于自身使用,不得用于其他商业用途(如 [转卖]进行直接盈利或[编辑后售卖]进行间接盈利)。
2、本站所有内容均由合作方或网友上传,本站不对文档的完整性、权威性及其观点立场正确性做任何保证或承诺!文档内容仅供研究参考,付费前请自行鉴别。
3、如文档内容存在违规,或者侵犯商业秘密、侵犯著作权等,请点击“违规举报”。

碎片内容

绿地率和绿化率含计算规则

文库当当响+ 关注
实名认证
内容提供者

该用户很懒,什么也没介绍

确认删除?
VIP
微信客服
  • 扫码咨询
会员Q群
  • 会员专属群点击这里加入QQ群
客服邮箱
回到顶部