电脑桌面
添加小米粒文库到电脑桌面
安装后可以在桌面快捷访问

切削力的计算VIP免费

切削力的计算_第1页
1/5
切削力的计算_第2页
2/5
切削力的计算_第3页
3/5
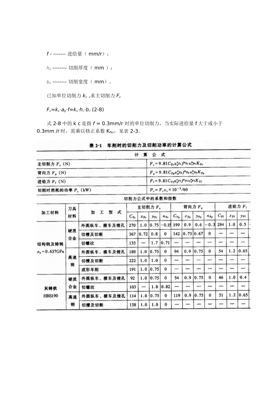
金属切削中的物理现象及基本规律(3)二、切削力及其主要影响因素。切削力是金属切削过程中的基本物理现象之一,是分析机制工艺、设计机床、刀具、夹具时的主要技术参数。(一)切削力的来源、切削分力金属切削时,切削层及其加工表面上产生弹性和塑性变形;同时工件与刀具之间的相对运动存在着摩擦力。如图2-15所示,作用在刀具上的力有两部分组成:1.作用在前、后刀面上的变形抗力Fnγ和Fnα;2.作用在前、后刀面上的摩擦力Ffγ和Ffα。这些力的合力F称为切削合力,也称为总切削力。总切削力F可沿x,y,z方向分解为三个互相垂直的分力Fc、Fp、Ff,如图2-16所示。主切削力Fc总切削力F在主运动方向上的分力;背向力Fp总切削力F在垂直于假定工作平面方向上的分力;进给力Ff总切削力在进给运动方向上的分力。车削时各分力的实用意义如下:主切削力Fc作用于主运动方向,是计算机床主运动机构强度与刀杆、刀片强度及设计机床夹具、选择切削用量等的主要依据,也是消耗功率最多的切削力。背向力Fp纵车外圆时,背向力Fp不消耗功率,但它作用在工艺系统刚性最差的方向上,易使工件在水平面内变形,影响工件精度,并易引起振动。Fp是校验机床刚度的必要依据。进给力Ff作用在机床的进给机构上,是校验进给机构强度的主要依据。(二)切削力计算的经验公式通过试验的方法,测出各种影响因素变化时的切削力数据,加以处理得到的反映各因素与切削力关系的表达式,称为切削力计算的经验公式。在实际中使用切削力的经验公式有两种:一是指数公式,二是单位切削力。1.指数公式主切削力(2-4)背向力(2-5)进给力(2-6)式中Fc————主切削力(N);Fp————背向力(N);Ff————进给力(N);Cfc、Cfp、Cff————系数,可查表2-1;xfc、yfc、nfc、xfp、yfp、nfp、xff、yff、nff------指数,可查表2-1。KFc、KFp、KFf----修正系数,可查表2-5,表2-6。2.单位切削力单位切削力是指单位切削面积上的主切削力,用kc表示,见表2-2。kc=Fc/Ad=Fc/(ap·f)=Fc/(bd·hd)(2-7)式中AD-------切削面积(mm2);ap-------背吃刀量(mm);f--------进给量(mm/r);hd--------切削厚度(mm);bd--------切削宽度(mm)。已知单位切削力kc,求主切削力FcFc=kc·ap·f=kc·hd·bd(2-8)式2-8中的kc是指f=0.3mm/r时的单位切削力,当实际进给量f大于或小于0.3mm/r时,需乘以修正系数Kfkc,见表2-3。表2-3进给量?对单位切削力或单位切削功率的修正系数Kfkc,Kfpsf/(mm/r)0.10.150.20.250.30.350.40.450.50.6Kfkc,Kfps1.181.111.061.0310.970.960.940.9250.9公差/值(tolerance/value)基本尺寸(basicsize)偏差(deviation)上/下偏差(upper/lowerdeviation)配合/间隙配合/过盈配合/过渡配合(fit/clearancefit/interferencefit/transitionfits)单/双边公差(unilateral/bilateraltolerance)标准/精度公差(standard/precisiontolerance)基准/特征/点/线/平面/轴线(datum/feature/point/line/plane/axis)最大/小材料状态(M/LMC=maximum/leastmaterialcondition)理论正确尺寸(theoreticalsize)基本尺寸(basicdimension)直径/半径(diameter/radius)直线度(straightness)平面度(flatness)圆度(circularity)圆柱度(cylindricity)线轮廓度(profileofaline)面轮廓度(profileofasurface)定向公差(orientationtolerance)平行度(parallelism)垂直度(perpendicularity)倾斜度(角度)(angularity)位置度(position)对称度(symmetry)同轴度(同心度)(concentricity)圆跳动(circularrunout)全跳动(totalrunout)坐标尺寸(coordinatedimensioning)拔模斜度(draftangle)分型线(partingline)外圆角/内圆角拔模斜度(rounds/filletsdraft)肋材和尖角(ribandcorner)顶/测/端视图(top/side/endview)

1、当您付费下载文档后,您只拥有了使用权限,并不意味着购买了版权,文档只能用于自身使用,不得用于其他商业用途(如 [转卖]进行直接盈利或[编辑后售卖]进行间接盈利)。
2、本站所有内容均由合作方或网友上传,本站不对文档的完整性、权威性及其观点立场正确性做任何保证或承诺!文档内容仅供研究参考,付费前请自行鉴别。
3、如文档内容存在违规,或者侵犯商业秘密、侵犯著作权等,请点击“违规举报”。

碎片内容

切削力的计算

文章天下+ 关注
实名认证
内容提供者

各种文档应有尽有

相关文档

相关标签

确认删除?
VIP
微信客服
  • 扫码咨询
会员Q群
  • 会员专属群点击这里加入QQ群
客服邮箱
回到顶部