电脑桌面
添加小米粒文库到电脑桌面
安装后可以在桌面快捷访问

刨花板-国标VIP免费

刨花板-国标_第1页
1/25
刨花板-国标_第2页
2/25
刨花板-国标_第3页
3/25
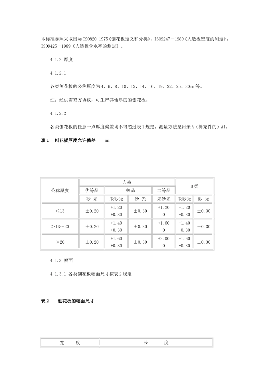
本标准参照采取国际ISO820-1975《刨花板定义和分类》;ISO9247-1989《人造板密度的测定》;ISO9425-1989《人造板含水率的测定》。4.1.2厚度4.1.2.1各类刨花板的公称厚度为4、6、8、10、12、14、16、19、22、25、30mm等。注:经供需双方协议,可生产其他厚度的刨花板。4.1.2.2各类刨花板的任意一点厚度偏差均不得超过表1规定。测量方法见附录A(补充件的)A1。表1刨花板厚度允许偏差mm公称厚度A类B类优等品一等品二等品砂光未砂光砂光未砂光未砂光砂光≤13±0.20+1.20+0.30±0.30+1.200+1.20+0.30±0.30>13~20±0.20+1.40+0.30±0.30+1.600+1.40+0.30±0.30>20±0.20+1.60+0.30±0.30+2.000+1.60+0.30±0.304.1.3幅面4.1.3.1各类刨花板幅面尺寸按表2规定表2刨花板的幅面尺寸宽度长度915--1830----1000----2000--12001220----2440注:经供需双方协议,可生产其他幅面尺寸的刨花板。4.1.3.2长度和宽度允许偏差为0~5mm。测量方法见附录A(补充件)的A2。4.1.4刨花板边缘不直度不超过1/1000(mm/mm)。测量方法见附录A(补充件)的A3。4.1.5刨花板两对角线之差允许值按表3规定。表3刨花板两对角线差mm板长度允许值≤1220≤3>1220~1830≤4>1220~1830≤5>2440≤64.1.6刨花板翘曲度允许值按表4规定。测量方法见附录A(补充件)的A4。表4刨花翘曲度厚度mm允许值,%A类B类优等品一等品二等品>10≤0.5≤0.5≤1.0≤0.5≤10不测4.1.7刨花板的外观质量应符合表5规定。表5刨花板外观质量要求缺陷名称A类B类优等品一等品二等品断痕、透裂不许有金属夹杂物不许有压痕不许有轻微不显著轻微胶斑、石蜡斑、油污斑等污染点数单个面积大于40mm2不许有单个面积10--40mm2之间的个数不许有2不许有单个面积小于10mm2不计漏砂不许有不计不许有边角残损在公称尺寸内不许有在任意400cm2板面上各种刨花尺寸的允许个数≥10mm2不许有3不计≥5~10mm23不计不计<5mm2不计不计不计注:断痕、透裂、压痕计算方法见附录A(补充件)的A5、A6。4.1.8刨花板最低物理力学性能要求见表6-9。表6A类刨花板优等品物理力学性能指标项目单位公称厚度,mm≤13>13~20>20~25>25~32>32静曲强度MPa≥16.0≥15.0≥14.0≥12.0≥10.0内结合强度MPa≥0.40≥0.35≥0.30≥0.25≥0.20表面结合强度MPa≥0.90吸水厚度膨胀率%≤8.00含水率%5.0~11.0游离甲醛释放量mg/100g≤30密度g/cm30.50~0.85密度偏差%≤±5.0握螺钉力垂直板面N≥1100平行板面N≥800表7A类刨花板一等品物理力学性能指标项目单位公称厚度,mm≤13>13~20>20~25>25~32>32静曲强度MPa≥16.0≥15.0≥14.0≥12.0≥10.0内结合强度MPa≥0.40≥0.35≥0.30≥0.25≥0.20吸水厚度膨胀率%≤8.00含水率%5.0~11.0游离甲醛释放量mg/100g≤30密度g/cm30.50~0.85密度偏差%≤±5.0握螺钉力垂直板面N≥1100平行板面N≥800表8A类刨花板二等品物理力学性能指标项目单位公称厚度,mm≤13>13~20>20~25>25~32>32静曲强度MPa≥15.0≥14.0≥13.0≥11.0≥9.0内结合强度MPa≥0.35≥0.30≥0.25≥0.20≥0.20吸水厚度膨胀率%≤8.00含水率%5.0~11.0游离甲醛释放量mg/100g≤30密度g/cm30.50~0.85密度偏差%≤±5.0握螺钉力垂直板面N≥1100平行板面N≥800表9A类刨花板二等品物理力学性能指标项目单位公称厚度,mm≤13>13~20>20~25>25~32>32静曲强度MPa≥15.0≥14.0≥13.0≥11.0≥9.0内结合强度MPa≥0.35≥0.30≥0.25≥0.20≥0.20吸水厚度膨胀率%≤8.00含水率%5.0~11.0游离甲醛释放量mg/100g≤30密度g/cm30.50~0.85密度偏差%≤±5.0握螺垂直板面N≥1100钉力平行板面N≥8004.2统计计算4.2.1平均值一块板的平均值是由该板内n个试件的测试值的算术平均值,按式(1)计算:ˉX=1/n(X1+X2+……Xn)=1/n(n∑i=1)Xi…………………(1)4.2.2找出一张板的几个试件中最小值(静曲强度、内结合强度、表面结合强度)或最大值(吸水厚度膨胀率)。4.3性能值判定方法4.3.1一张板的静曲强度、内结合强度、表面结合强度的平均值和任一试件的最低值必须满足:ˉX≥Su…………………………………………………(2)Xmin≥0.8Su……………………………………………(3)式中:Su――表6、7、8、9中规定值。4...

1、当您付费下载文档后,您只拥有了使用权限,并不意味着购买了版权,文档只能用于自身使用,不得用于其他商业用途(如 [转卖]进行直接盈利或[编辑后售卖]进行间接盈利)。
2、本站所有内容均由合作方或网友上传,本站不对文档的完整性、权威性及其观点立场正确性做任何保证或承诺!文档内容仅供研究参考,付费前请自行鉴别。
3、如文档内容存在违规,或者侵犯商业秘密、侵犯著作权等,请点击“违规举报”。

碎片内容

刨花板-国标

确认删除?
VIP
微信客服
  • 扫码咨询
会员Q群
  • 会员专属群点击这里加入QQ群
客服邮箱
回到顶部