电脑桌面
添加小米粒文库到电脑桌面
安装后可以在桌面快捷访问

脚手架计算书很好的

脚手架计算书很好的_第1页
1/15
脚手架计算书很好的_第2页
2/15
脚手架计算书很好的_第3页
3/15
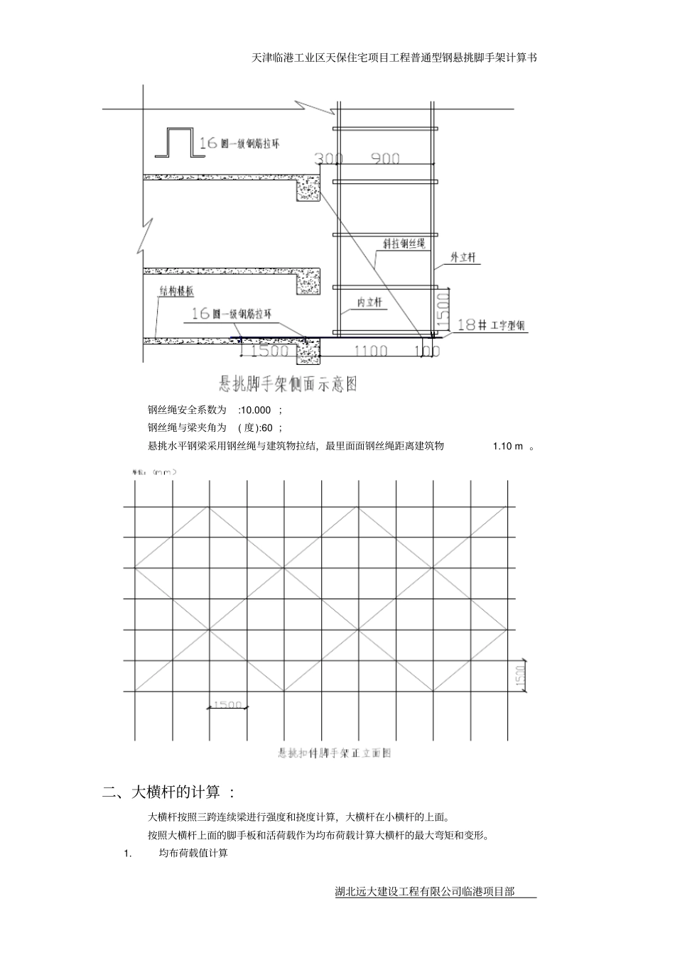
脚手架计算书 ( 很好的 ) 天津临港工业区天保住宅项目工程普通型钢悬挑脚手架计算书湖北远大建设工程有限公司临港项目部普通型钢悬挑脚手架计算书型钢悬挑扣件式钢管脚手架的计算参照《建筑施工扣件式钢管脚手架安全技术规范》(JGJ130-2001)、《建筑结构荷载规范》(GB 50009-2001) 、《钢结构设计规范》(GB 50017-2003)等规范编制。一、参数信息 : 1.脚手架参数搭设尺寸为:立杆的纵距为 1.50 米,立杆的横距为0.90 米,立杆的步距为1.50 米;计算的脚手架为双排脚手架搭设高度为 18.0 米,立杆采用单立管;脚手架沿墙纵向长度为100米;内排架距离墙长度为0.30 米;大横杆在上,搭接在小横杆上的大横杆根数为 2 ;采用的钢管类型为Φ 48×3.5;横杆与立杆连接方式为单扣件;扣件抗滑承载力系数为 0.80 ;连墙件采用两步三跨,竖向间距 3.00 米,水平间距4.50 米,采用扣件连接;连墙件连接方式为双扣件; 2.活荷载参数施工荷载均布参数(kN/m2):3.000;脚手架用途: 结构脚手架;同时施工层数:2 ; 3.风荷载参数天津市塘沽地区,基本风压为0.550 ,风荷载高度变化系数μz为0.740 ,风荷载体型系数μs为 0.645 ;计算中考虑风荷载作用; 4.静荷载参数每米立杆数承受的结构自重标准(kN/m2):0.1394;脚手板自重标准值(kN/m2):0.350;栏杆挡脚板自重标准值(kN/m2):0.150;安全设施与安全网(kN/m2):0.005;脚手板铺设层数:2 ;脚手板类别 : 木脚手板;栏杆挡板类别: 栏杆、竹笆片脚手挡板;; 5.水平悬挑支撑梁悬挑水平钢梁采用[18 号工字钢 ] ,其中建筑物外悬挑段长度1.20 米,建筑物内锚固段长度 1.80 米。与楼板连接的螺栓直径(mm):20.00 ;楼板混凝土标号:C30 ;6. 拉绳与支杆参数支撑数量为 :1 ;天津临港工业区天保住宅项目工程普通型钢悬挑脚手架计算书湖北远大建设工程有限公司临港项目部钢丝绳安全系数为:10.000 ;钢丝绳与梁夹角为( 度):60 ;悬挑水平钢梁采用钢丝绳与建筑物拉结,最里面面钢丝绳距离建筑物 1.10 m 。二、大横杆的计算 :大横杆按照三跨连续梁进行强度和挠度计算,大横杆在小横杆的上面。按照大横杆上面的脚手板和活荷载作为均布荷载计算大横杆的最大弯矩和变形。 1.均布荷载值计算天津临港工业区天保住宅项目工程普通型钢悬挑脚手架计算书湖北远大建设工程有限公司临港项目部大横杆的自重标准值:P 1=0.038 kN/m ;脚手板的荷载标准值:P 2=0.350 ×0.900/(2+1)=...

1、当您付费下载文档后,您只拥有了使用权限,并不意味着购买了版权,文档只能用于自身使用,不得用于其他商业用途(如 [转卖]进行直接盈利或[编辑后售卖]进行间接盈利)。
2、本站所有内容均由合作方或网友上传,本站不对文档的完整性、权威性及其观点立场正确性做任何保证或承诺!文档内容仅供研究参考,付费前请自行鉴别。
3、如文档内容存在违规,或者侵犯商业秘密、侵犯著作权等,请点击“违规举报”。

碎片内容

脚手架计算书很好的

您可能关注的文档

爱的疯狂+ 关注
实名认证
内容提供者

该用户很懒,什么也没介绍

相关文档

确认删除?
VIP
微信客服
  • 扫码咨询
会员Q群
  • 会员专属群点击这里加入QQ群
客服邮箱
回到顶部