电脑桌面
添加小米粒文库到电脑桌面
安装后可以在桌面快捷访问

广日G12电梯控制系统调试手册

广日G12电梯控制系统调试手册_第1页
1/18
广日G12电梯控制系统调试手册_第2页
2/18
广日G12电梯控制系统调试手册_第3页
3/18
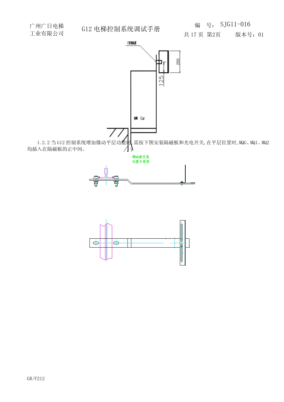
1 8 1 8 1 8 1 8 0 0 5 /1 6 /2 0 1 2 修改12-0285 更改文件号 签字 日期 更改文件号 签字 日期 GR/F211 编 号:SJG11-016 版本号:01 G12 电梯控制系统调试手册 编 制 潘 政 校 对 李吴达 标准化 黄展鹏 审 定 夏嘉乐 批 准 张 研 广州广日电梯工业有限公司 2012 年 4 月 广州广日电梯 工业有限公司 G12 电梯控制系统调试手册 编 号: SJG11-016 共17 页 第1页 版本号:01 GR/F212 一、井道开关及上、下平层光电开关的位置 1.1 井道开关的位置 在 G12 系统中,要求井道中安装的开关有三种情形: 1)若梯速不超过 1m/s 时,要求井道中安装上下对应的上、下极限开关(SZK、XZK)、上、下限位开关(SWK、XWK)、上、下单层强减开关(SHK、XHK)各一个; 2)若梯速超过 1m/s 时,除要求井道中安装上下对应的上、下极限开关(SZK、XZK)、上、下限位开关(SWK、XWK)、上、下单层强慢开关(SHK、XHK)各一个外,还要求井道安装上下对应的上、下二层强迫慢车开关(SHK1、XHK1)。 3) 若梯速超过 2.5m/s 时,除要求井道中安装上下对应的上、下极限开关(SZK、XZK)、上、下限位开关(SWK、XWK)、上、下单层强慢开关(SHK、XHK)、上、下二层强慢开关(SHK1、XHK1)各一个外,还要求井道安装上下对应的上、下三层强迫慢车开关(SHK2、XHK2)。 井道中的具体位置见下表。 开关(Switches) XHK(SHK) XHK1(SHK1) XHK2(SHK2)XWK(SWK) XZK(SZK) 距离 (mm) 1.00m/s 750 30 200 1.50m/s 750 1400 1.75m/s 750 1800 2m/s 750 2200 2.5m/s 750 2200 3200 3m/s 750 2200 4300 1.2 上、下平层光电开关、门区光电开关的位置 1.2.1 在 G12 控制系统中,电梯的平层控制需要现场安装门区光电开关和若干块隔磁板。有关光电开关和隔磁板的具体要求见表: 类别 平层光电开关 隔磁板 高度、长度、深度 门区光电开关安装在隔磁板的正中间 隔磁板的长度为 250,插入深度超过 3/4 安装位置 轿顶 井道 数量 1 个/台 1 块/层 广州广日电梯 工业有限公司 G12 电梯控制系统调试手册 编 号: SJG11-016 共17 页 第2页 版本号:01 GR/F212 1.2.2 当G12 控制系统增加微动平层功能时,需按下图安装隔磁板和光电开关,在平层位置时,MQG、MQ1、MQ2均插入在隔磁板的正中间。 广 州 广 日 电 梯 工 业 有 限 公 司 G12 电 梯 控 制 系 统 调 试 手 册 编...

1、当您付费下载文档后,您只拥有了使用权限,并不意味着购买了版权,文档只能用于自身使用,不得用于其他商业用途(如 [转卖]进行直接盈利或[编辑后售卖]进行间接盈利)。
2、本站所有内容均由合作方或网友上传,本站不对文档的完整性、权威性及其观点立场正确性做任何保证或承诺!文档内容仅供研究参考,付费前请自行鉴别。
3、如文档内容存在违规,或者侵犯商业秘密、侵犯著作权等,请点击“违规举报”。

碎片内容

广日G12电梯控制系统调试手册

确认删除?
VIP
微信客服
  • 扫码咨询
会员Q群
  • 会员专属群点击这里加入QQ群
客服邮箱
回到顶部