电脑桌面
添加小米粒文库到电脑桌面
安装后可以在桌面快捷访问

建立时间与保持时间

建立时间与保持时间_第1页
1/6
建立时间与保持时间_第2页
2/6
建立时间与保持时间_第3页
3/6
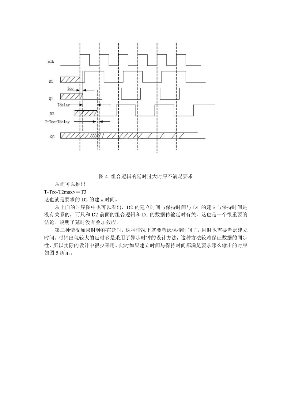
建立时间与保持时间 建立时间(Tsu :set u p time)是指在时钟沿到来之前数据从不稳定到稳定所需的时间,如果建立的时间不满足要求那么数据将不能在这个时钟上升沿被稳定的打入触发器;保持时间(Th:hold time)是指数据稳定后保持的时间,如果保持时间不满足要求那么数据同样也不能被稳定的打入触发器。建立与保持时间的简单示意图如下图 1 所示。 图 1 保持时间与建立时间的示意图 在FPGA 设计的同一个模块中常常是包含组合逻辑与时序逻辑,为了保证在这些逻辑的接口处数据能稳定的被处理,那么对建立时间与保持时间建立清晰的概念非常重要。下面在认识了建立时间与保持时间的概念上思考如下的问题。 图 2 同步设计中的一个基本模型 图 2 为统一采用一个时钟的同步设计中一个基本的模型。图中 Tco 是触发器的数据输出的延时;Tdelay 是组合逻辑的延时;Tsetu p 是触发器的建立时间;Tpd 为时钟的延时。如果第一个触发器D1 建立时间最大为 T1max ,最小为 T1min,组合逻辑的延时最大为 T2max ,最小为 T2min。问第二个触发器D2 立时间T3 与保持时间T4 应该满足什么条件,或者是知道了 T3 与T4 那么能容许的最大时钟周期是多少。这个问题是在设计中必须考虑的问题,只有弄清了这个问题才能保证所设计的组合逻辑的延时是否满足了要求。 下面通过时序图来分析:设第一个触发器的输入为 D1,输出为 Q1,第二个触发器的输入为 D2,输出为 Q2; 时钟统一在上升沿进行采样,为了便于分析我们讨论两种情况即第一:假设时钟的延时Tp d 为零,其实这种情况在FPGA 设计中是常常满足的,由于在FPGA 设计中一般是采用统一的系统时钟,也就是利用从全局时钟管脚输入的时钟,这样在内部时钟的延时完全可以忽略不计。这种情况下不必考虑保持时间,因为每个数据都是保持一个时钟节拍同时又有线路的延时,也就是都是基于CLOCK 的延迟远小于数据的延迟基础上,所以保持时间都能满足要求,重点是要关心建立时间,此时如果 D2 的建立时间满足要求那么时序图应该如图 3 所示。 从图中可以看出如果: T-Tco -Tdelay >T3 即: Tdelay < T-Tco -T3 那么就满足了建立时间的要求,其中T 为时钟的周期,这种情况下第二个触发器就能在第二个时钟的升沿就能稳定的采到 D2,时序图如图 3 所示。 图 3 符合要求的时序图 如果组合逻辑的延时过大使得 T-Tco -Tdelay

1、当您付费下载文档后,您只拥有了使用权限,并不意味着购买了版权,文档只能用于自身使用,不得用于其他商业用途(如 [转卖]进行直接盈利或[编辑后售卖]进行间接盈利)。
2、本站所有内容均由合作方或网友上传,本站不对文档的完整性、权威性及其观点立场正确性做任何保证或承诺!文档内容仅供研究参考,付费前请自行鉴别。
3、如文档内容存在违规,或者侵犯商业秘密、侵犯著作权等,请点击“违规举报”。

碎片内容

建立时间与保持时间

您可能关注的文档

小辰6+ 关注
实名认证
内容提供者

出售各种资料和文档

确认删除?
微信客服
  • 扫码咨询
会员Q群
  • 会员专属群点击这里加入QQ群