电脑桌面
添加小米粒文库到电脑桌面
安装后可以在桌面快捷访问

自动原理试验资料

自动原理试验资料_第1页
1/12
自动原理试验资料_第2页
2/12
自动原理试验资料_第3页
3/12
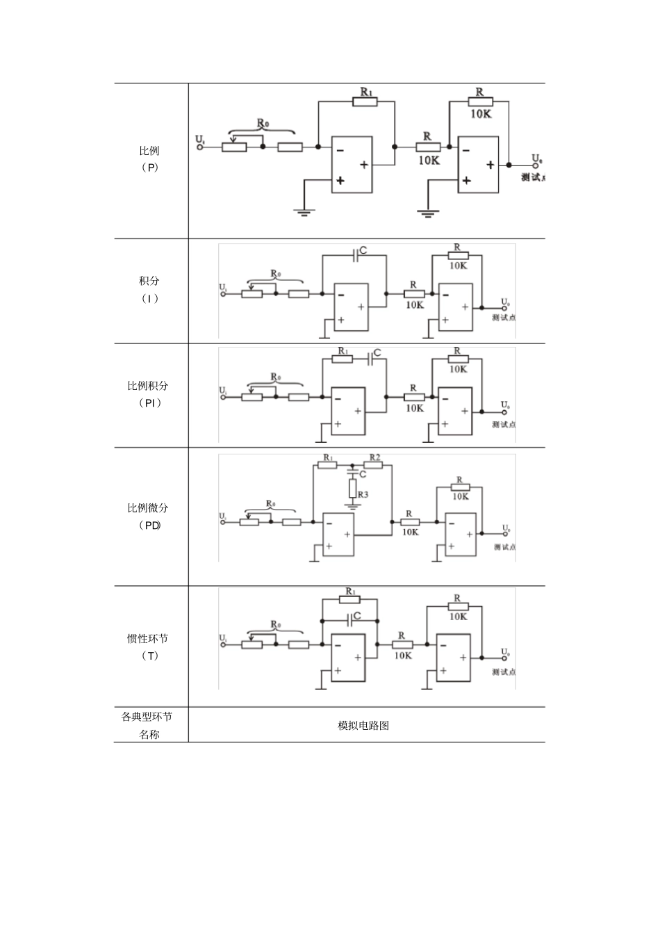
一、实验目的1.掌握控制系统中各典型环节的电路模拟及其参数的测定方法。2.测量典型环节的阶跃响应曲线,了解参数变化对环节输出性能的影响。二、实验内容1.对表一所示各典型环节的传递函数设计相应的模拟电路( 参见表二 ) 表一:典型环节的方块图及传递函数典型环节名称方块图传递函数比例(P)K)s(U)s(Uoi积分(I )TS1)s(U)s(Uoi比例积分(PI)TS1K)s(U)s(Uoi比例微分(PD))TS1(K)s(U)s(Uoi惯性环节(T)1TSK)s(U)s(Uoi比例积分微分(PID)STST1Kp)s(U)s(Uodii表二:典型环节的模拟电路图各典型环节名称模拟电路图比例(P)积分(I )比例积分(PI )比例微分(PD)惯性环节(T)各典型环节名称模拟电路图比例积分微分( PID)2.测试各典型环节在单位阶跃信号作用下的输出响应。3.改变各典型环节的相关参数,观测对输出响应的影响。三、实验内容及步骤1.观测比例、积分、比例积分、比例微分和惯性环节的阶跃响应曲线。①准备:使运放处于工作状态。将信号发生器单元U1 的 ST 端与 +5V 端用“短路块”短接,使模拟电路中的场效应管(K30A)夹断,这时运放处于工作状态。②阶跃信号的产生:电路可采用图1-1 所示电路,它由“阶跃信号单元”(U3)及“给定单元” (U4)组成。具体线路形成:在U3单元中,将H1与+5V 端用 1 号实验导线连接,H2 端用 1 号实验导线接至 U4单元的 X 端;在 U4 单元中, 将 Z 端和 GND端用 1 号实验导线连接, 最后由插座的Y端输出信号。以后实验若再用阶跃信号时,方法同上,不再赘述。实验步骤:①按表二中的各典型环节的模拟电路图将线接好( 先接比例 ) 。 (PID 先不接 ) ②将模拟电路输入端(Ui) 与阶跃信号的输出端Y相连接; 模拟电路的输出端(Uo) 接至示波器。③按下按钮 ( 或松开按钮 )SP 时,用示波器观测输出端的实际响应曲线Uo(t) ,且将结果记下。改变比例参数,重新观测结果。④同理得积分、 比例积分、 比例微分和惯性环节的实际响应曲线,它们的理想曲线和实际响应曲线参见表三。2.观察 PID 环节的响应曲线。实验步骤:①将 U1 单元的周期性方波信号(U1 单元的 ST 端改为与S 端用短路块短接,S11波段开关置于“方波”档, “OUT”端的输出电压即为方波信号电压,信号周期由波段开关S11和电位器 W11调节,信号幅值由电位器W12调节。以信号幅值小、信号周期较长比较适宜) 。②参照表二中的PID 模拟电路图,按相关参数要求将PID 电路...

1、当您付费下载文档后,您只拥有了使用权限,并不意味着购买了版权,文档只能用于自身使用,不得用于其他商业用途(如 [转卖]进行直接盈利或[编辑后售卖]进行间接盈利)。
2、本站所有内容均由合作方或网友上传,本站不对文档的完整性、权威性及其观点立场正确性做任何保证或承诺!文档内容仅供研究参考,付费前请自行鉴别。
3、如文档内容存在违规,或者侵犯商业秘密、侵犯著作权等,请点击“违规举报”。

碎片内容

自动原理试验资料

您可能关注的文档

确认删除?
VIP
微信客服
  • 扫码咨询
会员Q群
  • 会员专属群点击这里加入QQ群
客服邮箱
回到顶部