电脑桌面
添加小米粒文库到电脑桌面
安装后可以在桌面快捷访问

获得工业产品生产许可证企业年自查报告新

获得工业产品生产许可证企业年自查报告新_第1页
1/7
获得工业产品生产许可证企业年自查报告新_第2页
2/7
获得工业产品生产许可证企业年自查报告新_第3页
3/7
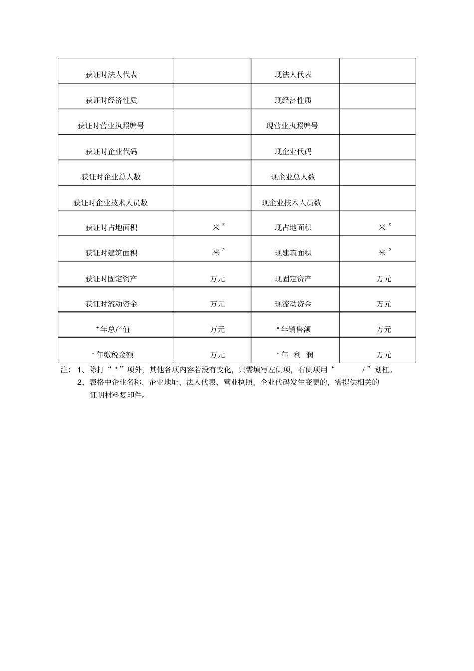
获得工业产品生产许可证企业年度自查报告申证单元及产品名称:工业产品生产许可证编号: 企业名称: (印章 ) 企业代码:详细地址:邮政编码:联 系 人:联系电话及传真:填报日期:年月日全国工业产品生产许可证办公室企业基本情况年度变化一览表获证时企业名称现企业名称获证时企业生产场地地址现企业地址填表注意事项: 1 、内容填写要实事求是,不得弄虚作假。申报表用钢笔填写,可以打印。要求字迹清晰、工整,不得涂改; 2 、年产值、销售额、缴税额、利润均按上年度填写; 3 、按申证单元填写,每个申请单元填写一套表格;4、自查表一式三份。 申报表封面必须加盖企业公章(企业公章复印无效)。获证时法人代表现法人代表获证时经济性质现经济性质获证时营业执照编号现营业执照编号获证时企业代码现企业代码获证时企业总人数现企业总人数获证时企业技术人员数现企业技术人员数获证时占地面积米2现占地面积米2获证时建筑面积米2现建筑面积米2获证时固定资产万元现固定资产万元获证时流动资金万元现流动资金万元*年总产值万元* 年销售额万元* 年缴税金额万元* 年 利 润万元注: 1、除打“ * ”项外,其他各项内容若没有变化,只需填写左侧项,右侧项用“/ ”划杠。2、表格中企业名称、企业地址、法人代表、营业执照、企业代码发生变更的,需提供相关的证明材料复印件。获证企业不符合项改进表序号不符合项内容性质不符合项改进情况不符合项改进验证情况及相关证明材料获证产品接受监督检查情况及委托检验、自检中不合格情况一览表序号检查单位检查日期产品名称批号检验类别是否合格不合格原因说明注: *检验类别应填写检查单位的抽查性质或者企业的委托检验、自行检验。*应当填写各级各部门监督检验情况。获证企业年度自查报告表企业名称 ( 盖章 ) :填表日期:年月日自查项目条款号自查项目自 查 记 录自查情况说明自查人签字质监部门核查情况1 企业生产是否正常,有无连续一年以上停产或已转产的情况。□是□否□停产一年以上□转产2 企业的生产条件是否符合发证时的条件,有无不符合(或严重不合格)的情况。□是□符合□基本符合□否□不符合□严重不合格3 相关的国家标准、行业标准变动后,企业是否对执行的企业标准进行有效性审查并备案。□是□已备案□未备案□否4 企业是否变更名称,是否按规定办理了生产许可证更名手续。□是□已办理□未办理□否5 企业是否迁址、增设生产场点或者生产条件发生较...

1、当您付费下载文档后,您只拥有了使用权限,并不意味着购买了版权,文档只能用于自身使用,不得用于其他商业用途(如 [转卖]进行直接盈利或[编辑后售卖]进行间接盈利)。
2、本站所有内容均由合作方或网友上传,本站不对文档的完整性、权威性及其观点立场正确性做任何保证或承诺!文档内容仅供研究参考,付费前请自行鉴别。
3、如文档内容存在违规,或者侵犯商业秘密、侵犯著作权等,请点击“违规举报”。

碎片内容

获得工业产品生产许可证企业年自查报告新

确认删除?
VIP
微信客服
  • 扫码咨询
会员Q群
  • 会员专属群点击这里加入QQ群
客服邮箱
回到顶部