电脑桌面
添加小米粒文库到电脑桌面
安装后可以在桌面快捷访问

建设标准强制性条文执行检查及汇总表

建设标准强制性条文执行检查及汇总表_第1页
1/9
建设标准强制性条文执行检查及汇总表_第2页
2/9
建设标准强制性条文执行检查及汇总表_第3页
3/9
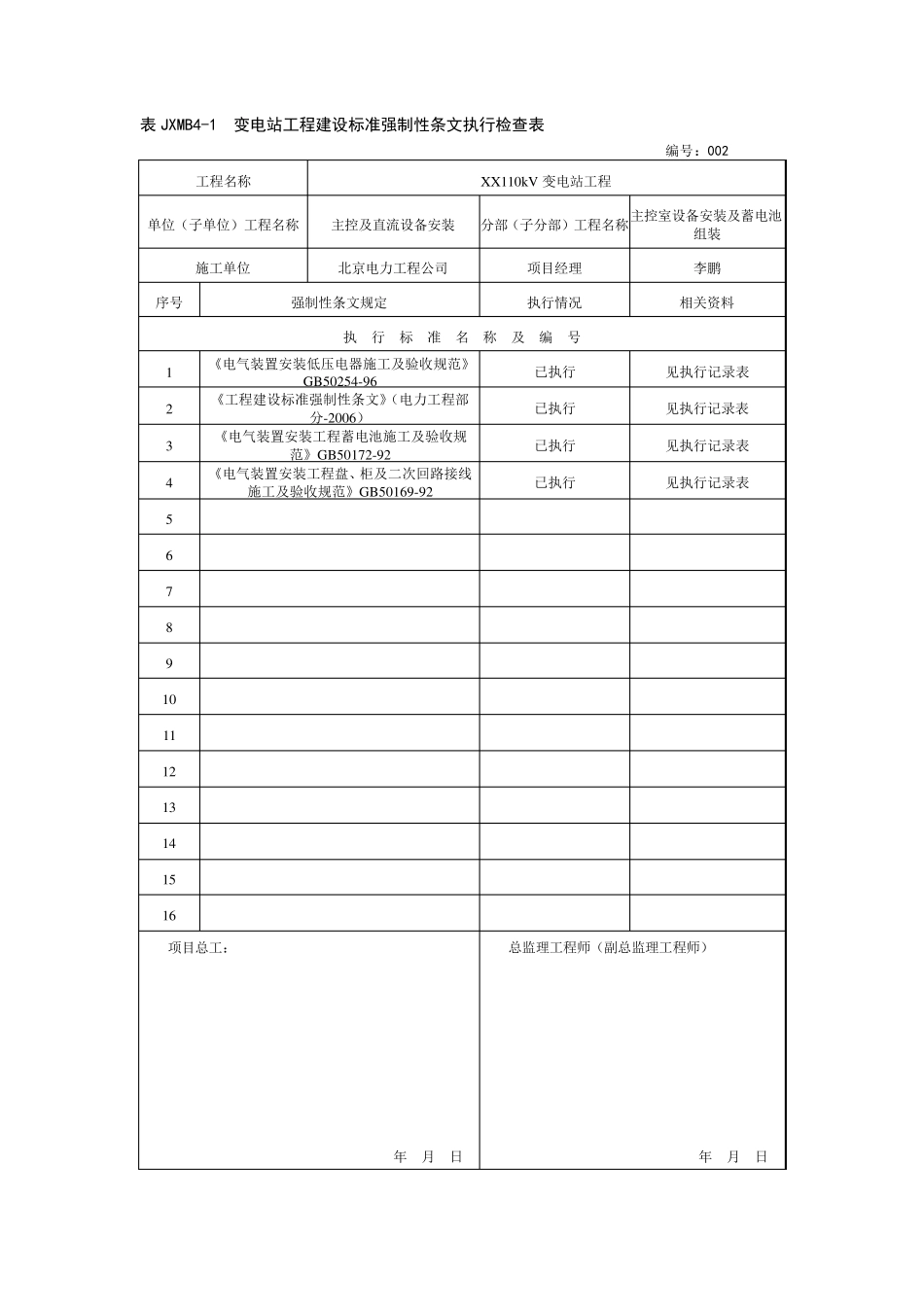
JXMB4 变电站工程建设标准强制性条文执行检查及汇总表 XX110kV 变电站工程 建 设 标 准强制性条文执行检查及汇总表 XX110KV 变电站监理项目部 2012 年 4 月 表JXMB4-1 变电站工程建设标准强制性条文执行检查表 编号:001 工程名称 XX110kV 变电站工程 单位(子单位)工程名称 主变压器系统设备安装 分部(子分部)工程名称 主变系统附属设备安装 施工单位 北京电力工程公司 项目经理 李鹏 序号 强制性条文规定 执行情况 相关资料 执 行 标 准 名 称 及 编 号 1 《电气装置安装工程电力变压器、油浸电抗器、互感器施工及验收规范》GBJ148-90 已执行 见执行记录表 2 《工程建设标准强制性条文》(电力工程部分-2006) 已执行 见执行记录表 3 《电力建设安全工作规程(变电部分)》Dl5009.3-1997 已执行 见执行记录表 4 5 6 7 8 9 10 11 12 13 14 15 16 项目总工: 年 月 日 总监理工程师(副总监理工程师) 年 月 日 表JXMB4-1 变电站工程建设标准强制性条文执行检查表 编号:002 工程名称 XX110kV 变电站工程 单位(子单位)工程名称 主控及直流设备安装 分部(子分部)工程名称 主控室设备安装及蓄电池组装 施工单位 北京电力工程公司 项目经理 李鹏 序号 强制性条文规定 执行情况 相关资料 执 行 标 准 名 称 及 编 号 1 《电气装置安装低压电器施工及验收规范》GB50254-96 已执行 见执行记录表 2 《工程建设标准强制性条文》(电力工程部分-2006) 已执行 见执行记录表 3 《电气装置安装工程蓄电池施工及验收规范》GB50172-92 已执行 见执行记录表 4 《电气装置安装工程盘、柜及二次回路接线施工及验收规范》GB50169-92 已执行 见执行记录表 5 6 7 8 9 10 11 12 13 14 15 16 项目总工: 年 月 日 总监理工程师(副总监理工程师) 年 月 日 表JXMB4-1 变电站工程建设标准强制性条文执行检查表 编号:003 工程名称 XX110kV 变电站工程 单位(子单位)工程名称 110kV 封闭式组合电器安装 分部(子分部)工程名称 封闭式组合电器检查安装及就地控制设备安装 施工单位 北京电力工程公司 项目经理 李鹏 序号 强制性条文规定 执行情况 相关资料 执 行 标 准 名 称 及 编 号 1 《电气装置安高压电气施工及验收规范》GBJ147-90 已执行 见执行记录表 2 《工程建设标准强制性...

1、当您付费下载文档后,您只拥有了使用权限,并不意味着购买了版权,文档只能用于自身使用,不得用于其他商业用途(如 [转卖]进行直接盈利或[编辑后售卖]进行间接盈利)。
2、本站所有内容均由合作方或网友上传,本站不对文档的完整性、权威性及其观点立场正确性做任何保证或承诺!文档内容仅供研究参考,付费前请自行鉴别。
3、如文档内容存在违规,或者侵犯商业秘密、侵犯著作权等,请点击“违规举报”。

碎片内容

建设标准强制性条文执行检查及汇总表

小辰2+ 关注
实名认证
内容提供者

出售各种资料和文档

确认删除?
VIP
微信客服
  • 扫码咨询
会员Q群
  • 会员专属群点击这里加入QQ群
客服邮箱
回到顶部