电脑桌面
添加小米粒文库到电脑桌面
安装后可以在桌面快捷访问

强制性条文执行计划及记录

强制性条文执行计划及记录_第1页
1/9
强制性条文执行计划及记录_第2页
2/9
强制性条文执行计划及记录_第3页
3/9
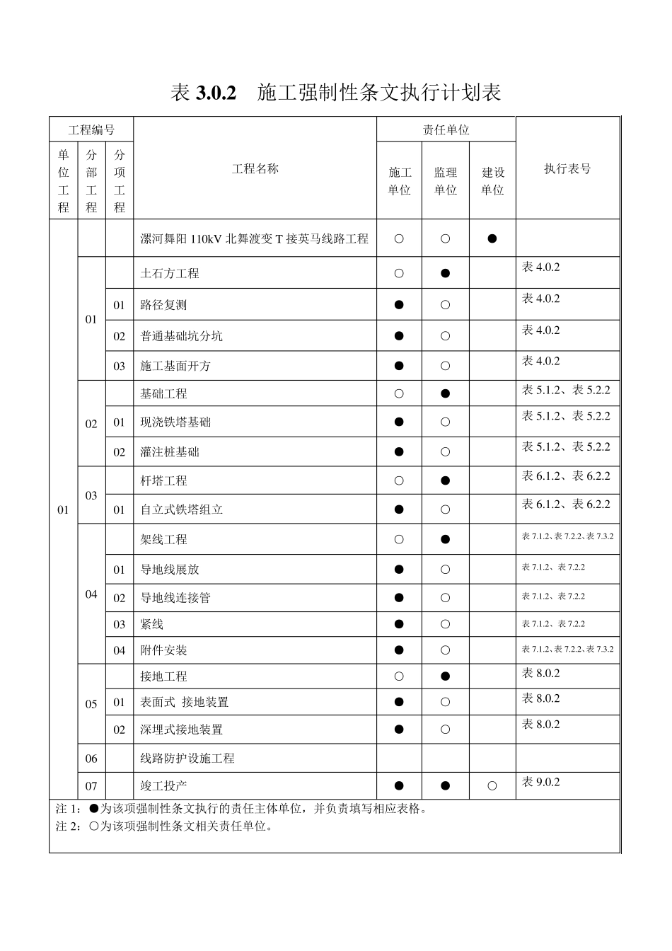
表3 .0 .2 施工强制性条文执行计划表 工程编号 工程名称 责任单位 执行表号 单位工程 分部工程 分 项 工 程 施工 单位 监理 单位 建设 单位 01 漯河舞阳110kV 北舞渡变T 接英马线路工程 ○ ○ ● 01 土石方工程 ○ ● 表4.0.2 01 路径复测 ● ○ 表4.0.2 02 普通基础坑分坑 ● ○ 表4.0.2 03 施工基面开方 ● ○ 表4.0.2 02 基础工程 ○ ● 表5.1.2、表5.2.2 01 现浇铁塔基础 ● ○ 表5.1.2、表5.2.2 02 灌注桩基础 ● ○ 表5.1.2、表5.2.2 03 杆塔工程 ○ ● 表6.1.2、表6.2.2 01 自立式铁塔组立 ● ○ 表6.1.2、表6.2.2 04 架线工程 ○ ● 表7.1.2、表7.2.2、表7.3.2 01 导地线展放 ● ○ 表7.1.2、表7.2.2 02 导地线连接管 ● ○ 表7.1.2、表7.2.2 03 紧线 ● ○ 表7.1.2、表7.2.2 04 附件安装 ● ○ 表7.1.2、表7.2.2、表7.3.2 05 接地工程 ○ ● 表8.0.2 01 表面式 接地装置 ● ○ 表8.0.2 02 深埋式接地装置 ● ○ 表8.0.2 06 线路防护设施工程 07 竣工投产 ● ● ○ 表9.0.2 注 1:●为该项强制性条文执行的责任主体单位,并负责填写相应表格。 注 2:○为该项强制性条文相关责任单位。 表4 .0 .2 开工前施工准备强制性条文执行记录表 工程名称 分部工程名称 线路工程 施工单位 项目经理 强制性条文内容 执行要素 执行情况 相关资料 执行标准 《110kV~500 kV 架空送电线路施工及验收规范》(GB 50233—2005) 1.0.3 架空送电线路工程必须按照批准的设计文件和经有关方面会审的设计施工图施工。当需要变更设计时,应经设计单位同意。 设计文件已经过批准 已执行 初设审查批复文件工程设计文件 设计施工图已经有关方会审 已执行 施工图会审纪要 变更设计已经设计单位同意 设计变更文件 1.0.5 架空送电线路工程测量及检查用的仪器、仪表、量具等,必须经过检定,并在有效使用期内。 经纬仪已全部检定并在有效期内使用 已执行 计量器具台帐、检定合格证 水平仪已全部检定并在有效期内使用 已执行 计量器具台帐、检定合格证 全站仪已全部检定并在有效期内使用 已执行 计量器具台帐、检定合格证 游标卡尺已全部检定并在有效期内使用 已执行 计量器具台帐、检定合格证 塔尺已全部检定并在有效期内使用 已执行 计量器具台帐、检定合格证 接地电阻仪已全部检定并在有...

1、当您付费下载文档后,您只拥有了使用权限,并不意味着购买了版权,文档只能用于自身使用,不得用于其他商业用途(如 [转卖]进行直接盈利或[编辑后售卖]进行间接盈利)。
2、本站所有内容均由合作方或网友上传,本站不对文档的完整性、权威性及其观点立场正确性做任何保证或承诺!文档内容仅供研究参考,付费前请自行鉴别。
3、如文档内容存在违规,或者侵犯商业秘密、侵犯著作权等,请点击“违规举报”。

碎片内容

强制性条文执行计划及记录

确认删除?
VIP
微信客服
  • 扫码咨询
会员Q群
  • 会员专属群点击这里加入QQ群
客服邮箱
回到顶部