电脑桌面
添加小米粒文库到电脑桌面
安装后可以在桌面快捷访问

施耐德变频软启控制柜图纸新(水泥厂)

施耐德变频软启控制柜图纸新(水泥厂)_第1页
1/28
施耐德变频软启控制柜图纸新(水泥厂)_第2页
2/28
施耐德变频软启控制柜图纸新(水泥厂)_第3页
3/28
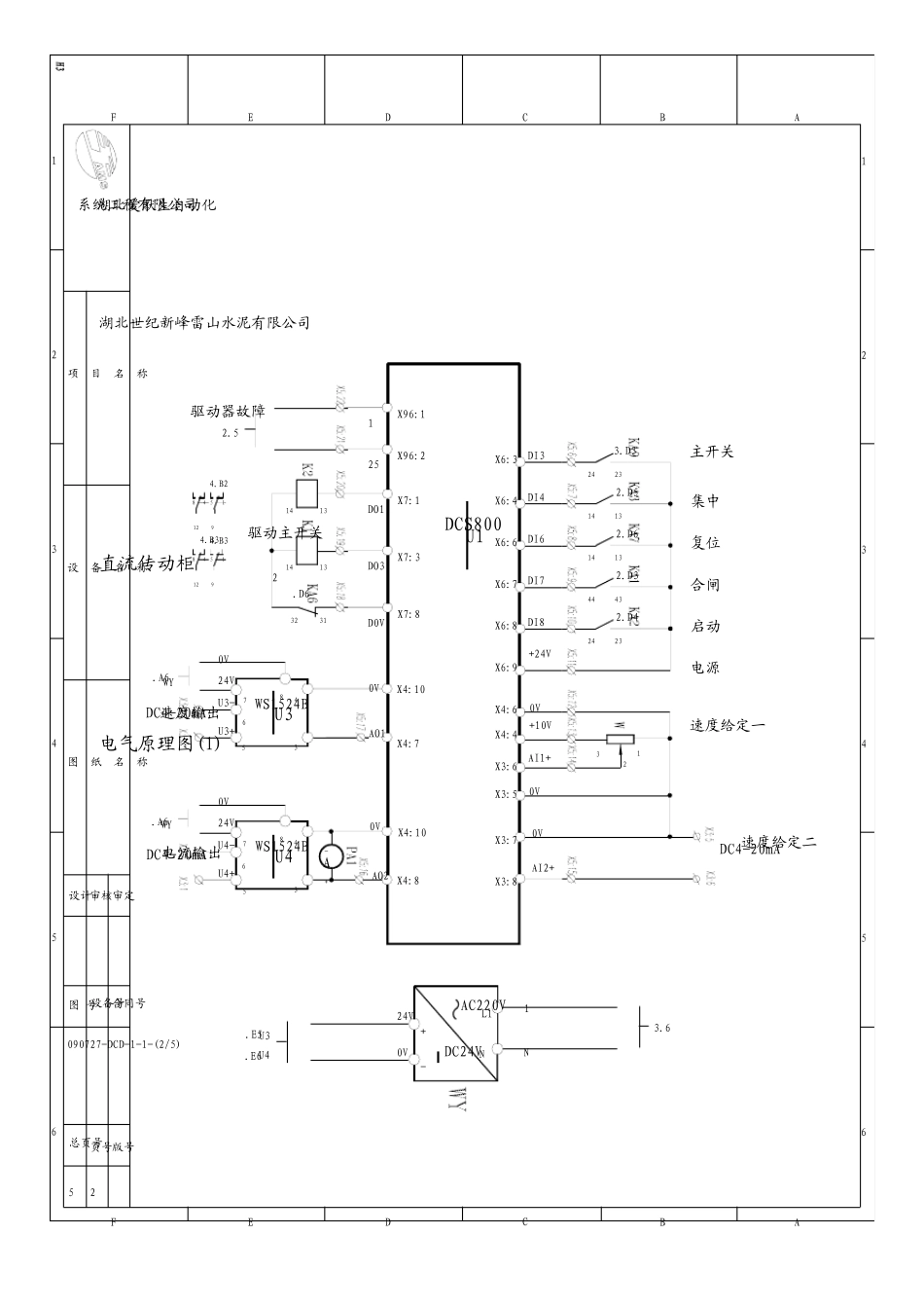
直流传动控制柜 (直流电机冷却风机是按照 7.5KW 选择器件的,请确认,或请提供准确的风机参数) 柜体尺寸:800*800*2200 R3外部提供电源380V 50HZX100:1X100:3WV090727-DCD-1-1-(1/5)PECF+直流电动机F31F3F2D1C1F11F1C11测速电机CF-X99:1U2U1DCF803C1D1DCS800V1U1W1T3S3X3:1X3:4PEX2:PEX2:UX2:VX2:WR9S1T1NT4S4 L32L22L12L3L2L1S9T9L31L21L11X99:2直流传动柜电气原理图(1)51总页号页号版号图 号设备号合同号图 纸 名 称设 备 名 称项 目 名 称设计审核审定C12345665432FEDBA1ABCDEFR1R4R3X51:2X51:1 X52:2X52:3X1:1X1:2X3:3X3:2810X3:1UX52:1LALaI >I >I >531642LBLbLCLcV12+-A-+1352461212121212135246121212L33L13湖北爱默生自动化系统工程有限公司湖北世纪新峰雷山水泥有限公司4.D2123456T6S6R6T7S7R713524613524678T5S5R5外部提供电源10KV 2.D6090727-DCD-1-1-(2/5)U4-WS1524B驱动器故障DC4-20mA2.5速度输出.A6WY.A6WY驱动主开关DO3D0VWS1524BU3+24V0VU3-670V24V57U31258434AO10VDC4-20mA电流输出U4+65U483AO2DC4-20mA电源启动合闸复位集中主开关X4:10X3:7X96:1X6:6X7:3X7:8X6:3X6:4DI3DI4DI6X96:2X4:10X4:7X6:8X6:7X6:9DI8DI7+24VX3:6X4:4X4:6X3:5+10V0VAI1+0V3.D32.D52.D62.D42.D30VX4:8X3:8AI2+速度给定二直流传动柜电气原理图(1)52总页号页号版号图 号设备号合同号图 纸 名 称设 备 名 称项 目 名 称设计审核审定C12345665432FEDBA1ABCDEF0V2324131413144344232431323121314A-+15844.B34.B3912湖北爱默生自动化系统工程有限公司速度给定一湖北世纪新峰雷山水泥有限公司U4U3.E5.E6L1N+-AC220VDC24V0V24V1N3.6U1DCS800DO1X7:1131415844.B2912 FEDCBA1ABDEF23456654321C审定审核设计项 目 名 称设 备 名 称图 纸 名 称合同号设备号图 号版号页号总页号35电气原理图(2)直流传动柜166.D5.D5D2D11.3R32柜照明1柜照明2柜风机1柜风机133.13.11.11.3启动合闸155中控复位X96:1X96:2U125故障1313.D37.D6119现场急停合闸/分闸1317外部联锁.D319.D4R127复位外控启动/停止N21090727-DCD-1-1-(3/5)2122343431322122333413141314121234A2A1X1X2X1X2MLNMLN.C343443132212214135.C2.C42.C44344333421221413.B32.C4.D443443334232414134.B65.C3.B42.C553545.C553545.C5.D343443132212214135.C42.D5 4.B543443334212214132.C421213421A2A1A2A1A2A1A2A112湖北爱默生自动化系统工程有限公司湖北世纪新峰雷山水泥有...

1、当您付费下载文档后,您只拥有了使用权限,并不意味着购买了版权,文档只能用于自身使用,不得用于其他商业用途(如 [转卖]进行直接盈利或[编辑后售卖]进行间接盈利)。
2、本站所有内容均由合作方或网友上传,本站不对文档的完整性、权威性及其观点立场正确性做任何保证或承诺!文档内容仅供研究参考,付费前请自行鉴别。
3、如文档内容存在违规,或者侵犯商业秘密、侵犯著作权等,请点击“违规举报”。

碎片内容

施耐德变频软启控制柜图纸新(水泥厂)

您可能关注的文档

小辰2+ 关注
实名认证
内容提供者

出售各种资料和文档

确认删除?
VIP
微信客服
  • 扫码咨询
会员Q群
  • 会员专属群点击这里加入QQ群
客服邮箱
回到顶部