电脑桌面
添加小米粒文库到电脑桌面
安装后可以在桌面快捷访问

无尘车间着装仪容仪表管理规定

无尘车间着装仪容仪表管理规定_第1页
1/6
无尘车间着装仪容仪表管理规定_第2页
2/6
无尘车间着装仪容仪表管理规定_第3页
3/6
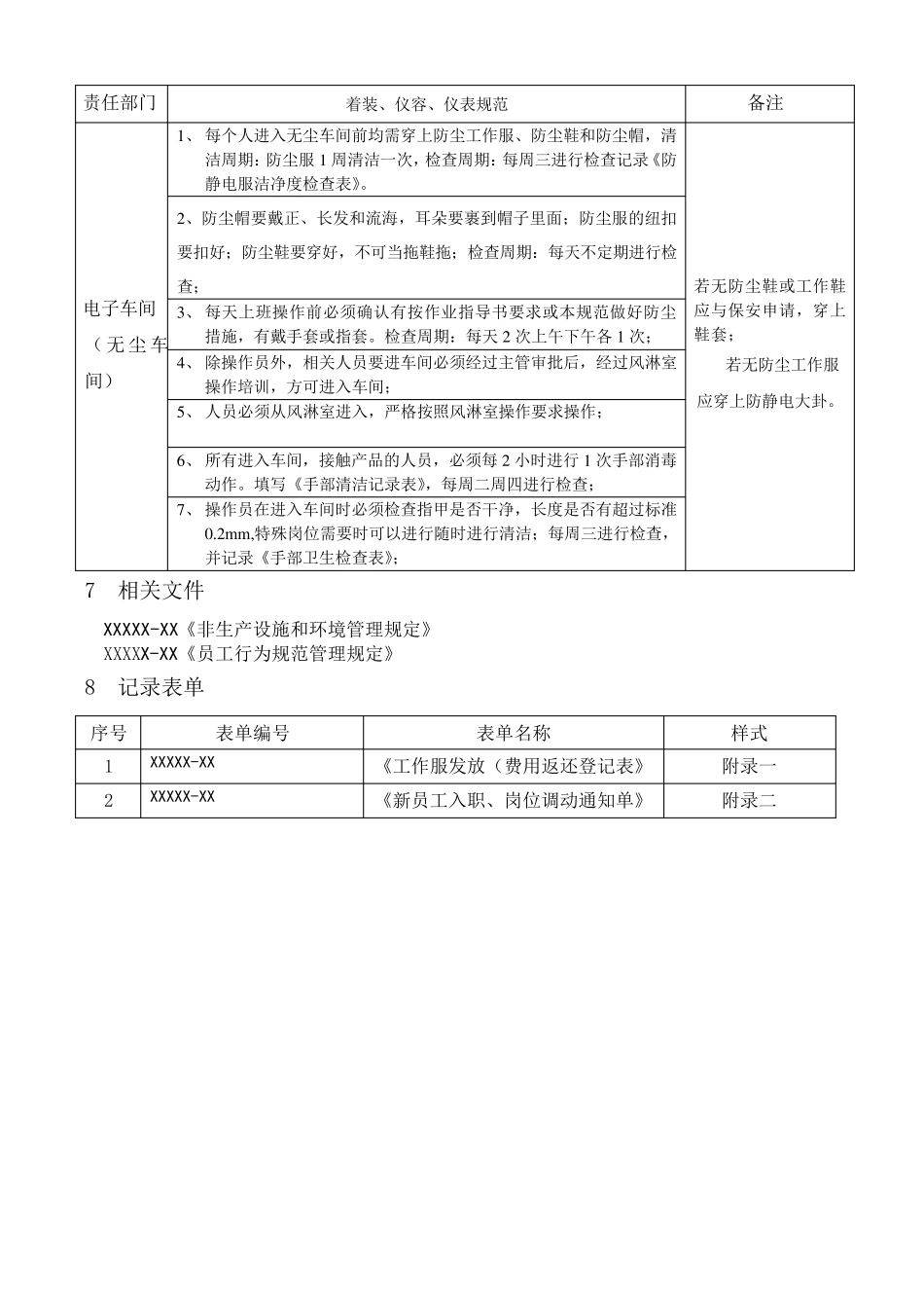
电子车间(无尘车间) 着装、仪容、仪表 管理规定 编 制: 审 核: 审 批: C H I N A X X X E L E C T R I C A L C O . , L T D . M A N A G E M E N T D O C U M E N T X X X X X有 限 公 司 管 理 文 件 XXXXX-XX 受控状态: 分发号: 中国 XXXX 有 限 公 司 发布 1 目的 为加强电子车间员工的劳动保护,规范公司员工工作服装的管理,树立好公司的企业形象,特制定本规定。 2 适用范围 本规定适用于工作服的申请、申购、制作、保管、发放及员工日常穿着的管理。 3 权责 3.1 管理部 3.1.1 负责本规定的编制、修订和执行; 3.1.2 负责工作服服装式样的初选,服装数量的统计、申购及发放。 3.1.3 负责工作服穿着情况的监督稽查。 3.2 采购部负责服装供应商的联系。 3.3 总经理负责工作服制作厂商和式样的最终确定。 4 进入无尘车间行为规范 4.1、员工在进入无尘车间内,必须穿指定拖鞋;无尘车间拖鞋指定只能在无尘车间内穿着,不能穿戴到无尘车间外;拖鞋如有破损可更换,但人为损坏或遗失,则由本人赔偿。 4.2、员工进入无尘车间时,将自己的鞋放入鞋柜,换上指定无尘车间拖鞋方可进入车间内上班,鞋柜钥匙需妥善保管,如有遗失,将记过处理。 4.3、考勤期员工入职七天内(未发放厂服前),上班不能着艳装,不能穿挂带式衣服,不能穿短裤、裙子上班,上班不能裸脚,补子必须超过脚裸。 4.4、全 体 员工在进入车间前应自觉 做 好自检 是 否 携 带禁 品 (如: 与 无作无关 的东 西 或食 品 等 ),并 按 规范穿好防 静 电衣、裤、鞋、帽 后 方可进入生 产 车间内: 4.5、任 何 工作服不能敞 穿,衣扣 要 扣 好(含 防 静 电工作服)。上班开 工前应检 查整 理自己的着装,要 端 正 、整 齐 。 4.6、员工对 防 静 电工作服与 静 电帽 穿着颜 色 区 分 : 静 电工作服与 静 电帽 分 别 : 蓝 色 、白 色 、红 色 。 A: 试 用期内新 员工穿着为: 白 色 静 电帽 与 蓝 色 静 电工作服。 B: 试 用期满 合 格 员工穿着为: 蓝 色 静 电帽 与 蓝 色 静 电工作服。 C: 线 末 终检 人员穿着为: 红 色 静 电帽 与 蓝 色 静 电工作服。 D: 组 长 级 及以 上领 导 穿着为: 白 色 静 电帽 与 白 色 静 电工作...

1、当您付费下载文档后,您只拥有了使用权限,并不意味着购买了版权,文档只能用于自身使用,不得用于其他商业用途(如 [转卖]进行直接盈利或[编辑后售卖]进行间接盈利)。
2、本站所有内容均由合作方或网友上传,本站不对文档的完整性、权威性及其观点立场正确性做任何保证或承诺!文档内容仅供研究参考,付费前请自行鉴别。
3、如文档内容存在违规,或者侵犯商业秘密、侵犯著作权等,请点击“违规举报”。

碎片内容

无尘车间着装仪容仪表管理规定

确认删除?
VIP
微信客服
  • 扫码咨询
会员Q群
  • 会员专属群点击这里加入QQ群
客服邮箱
回到顶部