电脑桌面
添加小米粒文库到电脑桌面
安装后可以在桌面快捷访问

无线调频发射机的设计、安装与调试报告

无线调频发射机的设计、安装与调试报告_第1页
1/7
无线调频发射机的设计、安装与调试报告_第2页
2/7
无线调频发射机的设计、安装与调试报告_第3页
3/7
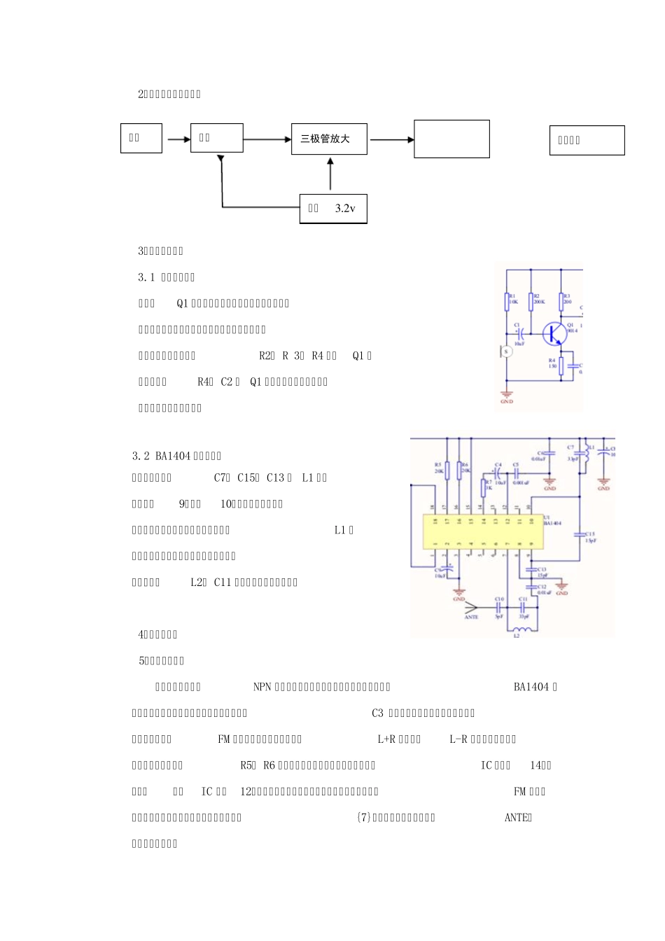
课 程 设 计 报 告 课程题目:无线调频发射机的设计、安装与调试 专 业: 班 级: 学 号: 姓 名: 年 月 日 一、课程设计题目:无线调频发射机的设计、安装与调试 二、课程设计目的 电子电路课程设计的目标,是着重提高学生在电子电路技术方面的实践技能和科学作风,培养学生运用理论知识和解决实际问题的能力;通过电路设计、安装调试、整理资料、编写报告等环节,初步了解开展科学实践的程序和方法,初步掌握工程设计方法和组织实践的基本技能,为进一步的学习和应用奠定基础。本次课程设计要求学生通过理论知识和工程实际相结合,培养其动手能力和实践创新能力,并力求在以下各方面的能力得到培养和提高: 1.设:运用所学的理论知识完成课程设计能力 2.查:运用各种手段查询相关资料能力 3.选:元器件的识别、性能简易测试及元器件的筛选能力 4.装:电子电路及电子产品装配能力 5.焊:焊接及拆焊技术 6.调:电子电路及电子产品调试能力 7.测:正确使用电子仪表测量电参数 8.校:电子产品质量检验能力 9.读:电子电路读图能力 10.写:编写课程设计报告的能力 三、课程设计任务书 将理论知识与工程实际相结合,采用先进的集成芯片BA1404 完成无线调频发射机的设计、安装与调试,并达到以下要求: 1.发射频率:( 88~ 108) MHz 2.发射功率:PMAX≧ 20m 3.灵敏度:高 4.音质:好 四、无线调频发射机电路设计 1.电路总体设计思路 本调频发射机采用了先进的调频立体声发射集成电路芯片BA1404,在前端使用NPN型三极管放大输入信号,输入的信号经电容耦合后分两路接入到BA1404的左右声道音频输入端,经过BA1404的处理之后通过天线发射出去。 2.电路总体设计方框图 3.单元电路设计 3.1 信号放大电路 三级管Q1 及其周围电路,将经驻极体电容式话筒 产生的微弱电信号进行放大,该三极管作为低频、 低噪声前置放大。其中R2、 R 3、 R4 确定Q1 的 工作电流;R4、 C2 和 Q1 组成高音频补偿电路,提 升音频信号中高频分量。 3.2 BA1404 的外围电路 高频振荡电路:C7、 C15、 C13 和 L1 接连 芯片的{9}、{10}脚共同组成的电容 三点式振荡器。(确定振荡频率)改变L1 的 线圈的大小和圈数可以改变振荡的频率。 选频电路:L2、 C11 并联谐振具有选频功能。 4.电路原理图 5.电路工作原理 声音信号经过前端NPN 型三极管放大后,经电容耦合后分两路接...

1、当您付费下载文档后,您只拥有了使用权限,并不意味着购买了版权,文档只能用于自身使用,不得用于其他商业用途(如 [转卖]进行直接盈利或[编辑后售卖]进行间接盈利)。
2、本站所有内容均由合作方或网友上传,本站不对文档的完整性、权威性及其观点立场正确性做任何保证或承诺!文档内容仅供研究参考,付费前请自行鉴别。
3、如文档内容存在违规,或者侵犯商业秘密、侵犯著作权等,请点击“违规举报”。

碎片内容

无线调频发射机的设计、安装与调试报告

您可能关注的文档

小辰+ 关注
实名认证
内容提供者

出售各种文档和资料

确认删除?
VIP
微信客服
  • 扫码咨询
会员Q群
  • 会员专属群点击这里加入QQ群
客服邮箱
回到顶部