电脑桌面
添加小米粒文库到电脑桌面
安装后可以在桌面快捷访问

无菌工作服管理规程

无菌工作服管理规程_第1页
1/6
无菌工作服管理规程_第2页
2/6
无菌工作服管理规程_第3页
3/6
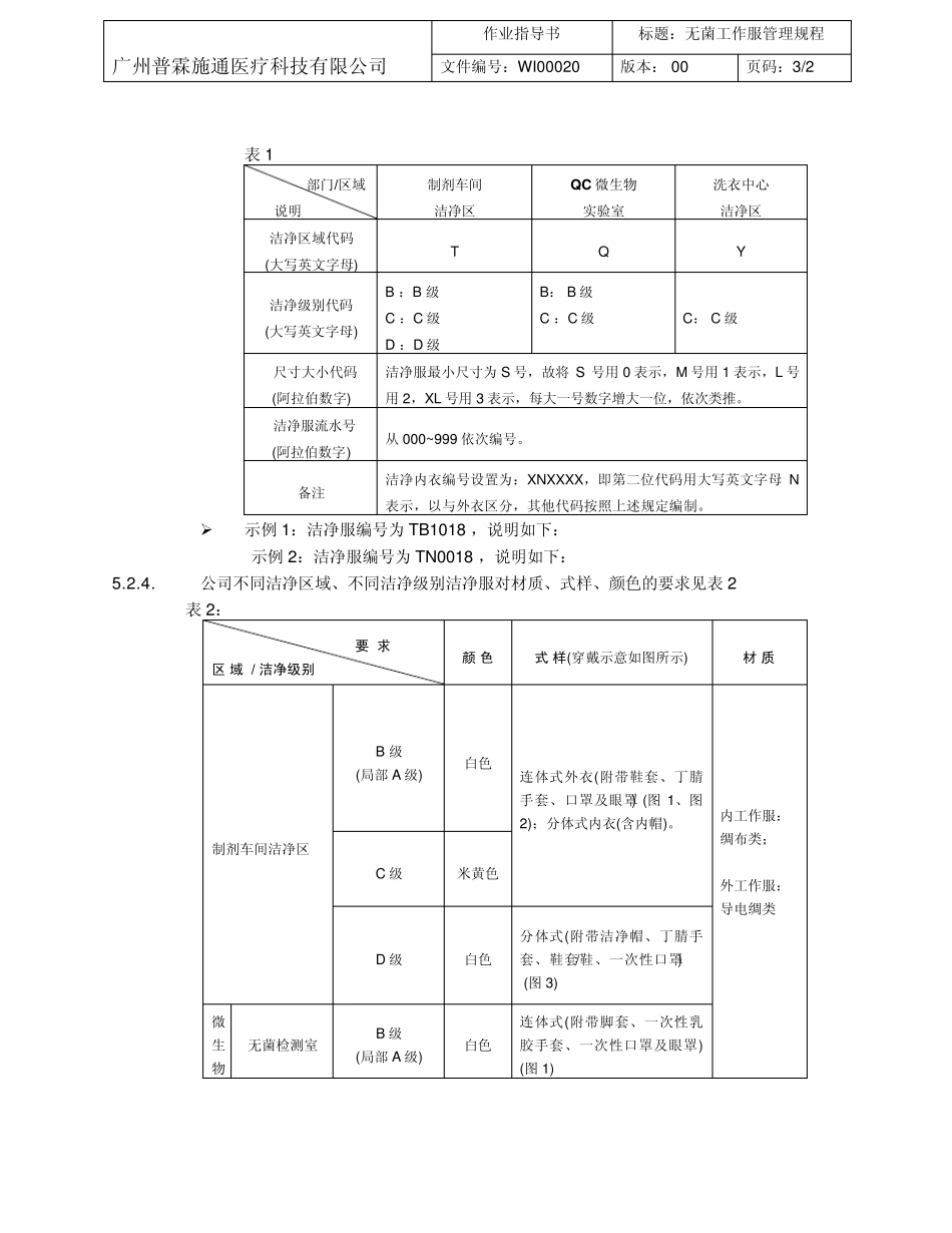
工作服管理规程 1.目的: 建立无菌工作服管理规程,使无菌工作服管理规范标准。 2. 范围: 本公司所有无菌工作服。 3.职责: 菌检员负责无菌工作服的确认记录,由质量管理部经理复核。 4.内容: 4.1无菌工作服购入: 4.1.1 无菌工作服的选购必须选用质地光滑、不产生静电、不脱落纤维和颗粒性物质的材料制作,能应用压力蒸汽灭菌器灭菌消毒。 4.1.2 无菌工作服的式样必须能包盖全部头发、胡须和脚部、并能阻留人体脱落物。 4.1.3 口罩为一次性使用。 4.1.4 无菌工作服必须为连体服,并且各洁净度级别区域无菌工作服分开,不同职能部门人员的无菌 工作服应加以区分,易于识别,各洁净服应编号。 4.2 洗涤和消毒: 4.2.1 无菌工作服必须在每次操作前换洗一次,干燥和包装应在洁净环境下进行。 4.2.2 干燥后需要灭菌的无菌工作服,逐件装入灭菌袋中,集中灭菌。灭菌后存放时间应有规定,宜 二天内使用。 4.2.3 无菌工作服和其他洁净服必须分开洗涤、存放、灭菌。 4.3 存放和使用: 4.3.1 无菌工作服存放室洁净度宜与使用工作服的洁净室的空气洁净度相一致。 4.3.2 无菌工作服使用时,由保管员或指定专人发放。 4.3.3 无菌工作服使用前要检查无菌服是否符合要求,发现污染或破损应及时报告或更换。 4.3.4 无菌工作服及无菌工作鞋不得外借,不得穿出相应级别洁净区外。 4.3.5 生产过程中若有事外出,应脱去无菌工作服。回来时,应重新更衣。 4.3.6 生产结束后将无菌工作服脱下,放入指定的塑料储物箱内,送至洗衣房清洗。 5.记录表格 《无菌工作服消毒灭菌记录》 《无菌工作服使用记录》 1 . 范围 本规程规定了公司工作服的分类、材质/式样/颜色要求,综合阐述了工作服的入库验收、储存、发放、使用、清洗/灭菌、更换等管理要求。 2 . 定义 2 .1 . 工作服:由公司统一配备的、用于各种工作中穿戴的鞋、帽、衣服(上衣、裤)、口罩、手套、眼罩、鞋等劳保用品。以下简称“工作服”。 2 .2 . 洁净工作服:指用规定材质制作的、在洁净区域穿着的分体或连体工作服,包括帽子、口罩、上下服、鞋套等。以下简称“洁净服”。 2 .3 . 非洁净工作服:指除洁净工作服以外的工作服,简称“非洁净服”。 3 . 参考 《药品生产质量管理规范》(2 0 1 0 年) 4 . 职责 广州普霖施通医疗科技有限公司 作业指导书 标题:无菌工作服管理规程 文件编号:WI00020 版本: 00 页码:2/2 4.1. ...

1、当您付费下载文档后,您只拥有了使用权限,并不意味着购买了版权,文档只能用于自身使用,不得用于其他商业用途(如 [转卖]进行直接盈利或[编辑后售卖]进行间接盈利)。
2、本站所有内容均由合作方或网友上传,本站不对文档的完整性、权威性及其观点立场正确性做任何保证或承诺!文档内容仅供研究参考,付费前请自行鉴别。
3、如文档内容存在违规,或者侵犯商业秘密、侵犯著作权等,请点击“违规举报”。

碎片内容

无菌工作服管理规程

小辰+ 关注
实名认证
内容提供者

出售各种文档和资料

确认删除?
VIP
微信客服
  • 扫码咨询
会员Q群
  • 会员专属群点击这里加入QQ群
客服邮箱
回到顶部