电脑桌面
添加小米粒文库到电脑桌面
安装后可以在桌面快捷访问

日立异步门机改造使用指引

日立异步门机改造使用指引_第1页
1/8
日立异步门机改造使用指引_第2页
2/8
日立异步门机改造使用指引_第3页
3/8
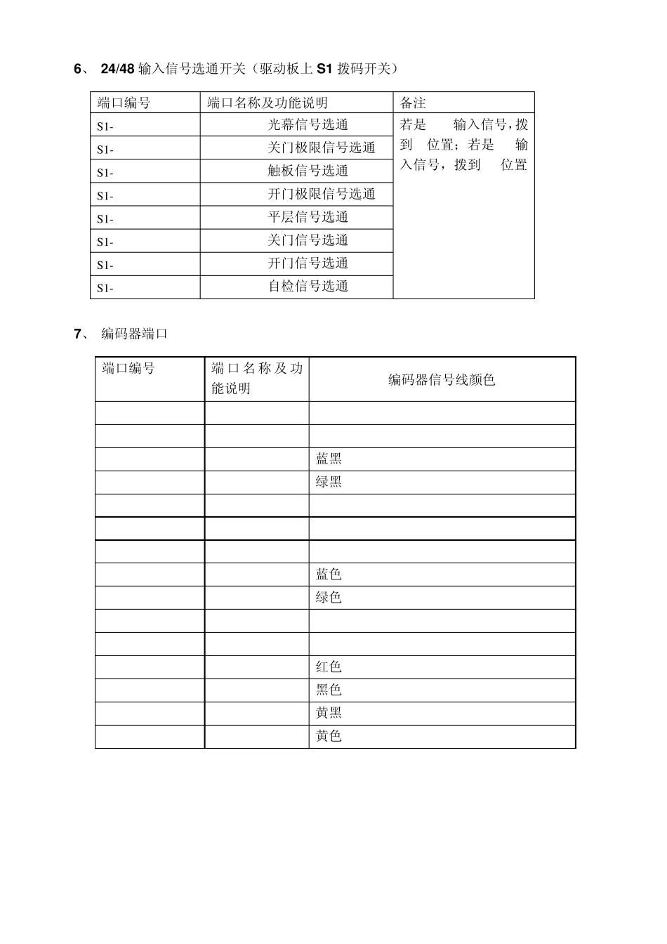
日立异步门机改造使用指引 一、 控制驱动电子板接口说明 异步门机控制驱动电子板的接口说明如图1 所示: 门宽自学习按钮S2磁极初始角学习Z1一体化光幕接收端JH一体化光幕发射端JG电机三相输出JB外接制动电阻JAKEY1 KEY2 KEY3 KEY4外部信号输入JD信号输出JF外部24V或48V电源输入JE预留端口CN2J2110V电源输入JC 图1 1 、 主回路端口 端口编号 端口名称及功能说明 备注 JC-I1、JC-I3 L、N 输入AC110V±15% JC-I2E 接大地 JA-O1、JA-O2 P(+)、PB 外接制动电阻 JB-O1、JB-O2、JB-O3 JB-O1(蓝)、 JB-O2(绿)、JB-O3(棕) 功率模块输出到电机 注:制动电阻可不接(制动电阻:100Ω±5% 20W) 2 、 输入信号端口 端口编号 端口名称及功能说明 指示灯编号 备注 JD-I1 光电光幕信号 X1 输入电压的范围是24±10%或48±15%; 输入信号频率要求100Hz以下。每路消耗电流5mA以下。 JD-I2 关门极限信号 X2 JD-I3 安全触板信号 X3 JD-I4 开门极限信号 X4 JD-I5 平层信号 X5 JD-I6 关门信号 X6 JD-I7 开门信号 X7 3 、 外部电源输入端口 端口编号 端口名称及功能说明 指示灯编号 JE-I+ 24V+/48V+ JE-I- 24V-/48V-/GND 4 、 输出信号端口 端口编号 端口名称及功能说明 指示灯编号 备注 JF-O1 故障信号 Y1 输出信号频率2Hz以下。通过电流500mA以下 JF-O2 门宽自检信号 Y2 JF-O3 开关门受阻信号 Y3 JF-O4 屏蔽安全触板信号 Y4 JF-O5 屏蔽光电光幕信号 JF-O6 一体化光幕信号输出 Y6 5 、 一体化光幕输入输出端口 端口编号 端口名称及功能说明 备注 JG-O1 发射端电源+24V 输出电压:24V±5% 输出电流:100mA以下 JG-O2 信号地 JH-I1 接收端电源+24V 输出电压:24±5% 输出电流:100mA以下 信号地要接到大地 JH-I2 接收端信号输出 JH-I3 信号地 6、 24/48 输入信号选通开关(驱动板上 S1 拨码开关) 端口编号 端口名称及功能说明 备注 S1-1 24V+/48V+光幕信号选通 若是24V+输入信号,拨到ON位置;若是48+输入信号,拨到OFF位置 S1-2 24V+/48V+关门极限信号选通 S1-3 24V+/48V+触板信号选通 S1-4 24V+/48V+开门极限信号选通 S1-5 24V+/48V+平层信号选通 S1-6 24V+/48V+关门信号选通 S1-7 24V+/48V+开门信号选通 S1-8 24V+/48V+自检信号选通 7、 编码器端口 端口编号 端 口 名 称 及 功能说明 编码器信号线...

1、当您付费下载文档后,您只拥有了使用权限,并不意味着购买了版权,文档只能用于自身使用,不得用于其他商业用途(如 [转卖]进行直接盈利或[编辑后售卖]进行间接盈利)。
2、本站所有内容均由合作方或网友上传,本站不对文档的完整性、权威性及其观点立场正确性做任何保证或承诺!文档内容仅供研究参考,付费前请自行鉴别。
3、如文档内容存在违规,或者侵犯商业秘密、侵犯著作权等,请点击“违规举报”。

碎片内容

日立异步门机改造使用指引

您可能关注的文档

确认删除?
VIP
微信客服
  • 扫码咨询
会员Q群
  • 会员专属群点击这里加入QQ群
客服邮箱
回到顶部