电脑桌面
添加小米粒文库到电脑桌面
安装后可以在桌面快捷访问

星轮机械加工工序卡

星轮机械加工工序卡_第1页
1/9
星轮机械加工工序卡_第2页
2/9
星轮机械加工工序卡_第3页
3/9
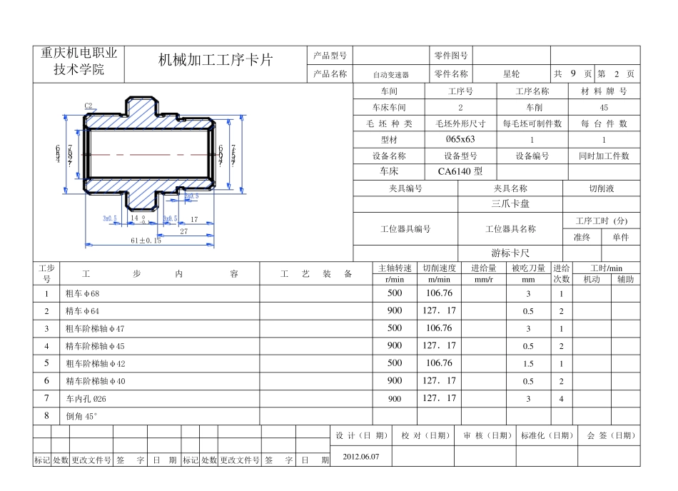
重庆机电职业技术学院 机械加工工序卡片 产品型号 零件图号 产品名称 自动变速器 零件名称 星轮 共 9 页 第 1 页 6765 车间 工序号 工序名称 材 料 牌 号 锻工 1 制作毛坯 45 毛 坯 种 类 毛坯外形尺寸 每毛坯可制件数 每 台 件 数 型材 Ø65x 63 1 1 设 备 名称 设 备 型号 设 备 编 号 同 时 加工件数 夹 具 编 号 夹 具 名称 切 削 液 工位 器具 编 号 工位 器具 名称 工序工时 (分 ) 准 终 单 件 工步号 工 步 内 容 工 艺 装 备 主 轴 转 速 切 削 速度 进 给 量 被 吃 刀 量 进 给次 数 工时 /min r/min m/min mm/r mm 机动 辅 助 1 型材 压 力 机 2 调 质 热 处 理 设 计 ( 日 期 ) 校 对 ( 日 期 ) 审 核 ( 日 期 ) 标 准 化 ( 日 期 ) 会 签 ( 日 期 ) 2012.06.06 标 记 处 数 更 改 文 件号 签 字 日 期 标 记 处 数 更 改 文 件号 签 字 日 期 重庆机电职业技术学院 机械加工工序卡片 产品型号 零件图号 产品名称 自动变速器 零件名称 星轮 共 9 页 第 2 页 C2?28h7?40k6?45f745k614 0-0.1172761±0.15 车间 工序号 工序名称 材 料 牌 号 车床车间 2 车削 45 毛 坯 种 类 毛坯外形尺寸 每毛坯可制件数 每 台 件 数 型材 Ø65x 63 1 1 设备名称 设备型号 设备编号 同时加工件数 车床 CA6140 型 夹具编号 夹具名称 切削液 三爪卡盘 工位器具编号 工位器具名称 工序工时 (分) 准终 单件 游标卡尺 工步号 工 步 内 容 工 艺 装 备 主轴转速 切削速度 进给量 被吃刀量 进给次数 工时/min r/min m/min mm/r mm 机动 辅助 1 粗车φ68 500 106.76 3 1 2 精车φ64 900 127.17 0.5 2 3 粗车阶梯轴φ47 500 106.76 3 1 4 精车阶梯轴φ45 900 127.17 0.5 2 5 粗车阶梯轴φ42 500 106.76 1.5 1 6 精车阶梯轴φ40 900 127.17 0.5 2 7 车内孔Ø26 900 127.17 3 4 8 倒角45° 设 计(日 期) 校 对(日期) 审 核(日期) 标准化(日期) 会 签(日期) 2012.06.07 标记 处数 更改文件号 签 字 日 期 标记 处数 更改文件号 签 字 日 期 重庆机电职业技术学院 机械加工工序卡片 产品...

1、当您付费下载文档后,您只拥有了使用权限,并不意味着购买了版权,文档只能用于自身使用,不得用于其他商业用途(如 [转卖]进行直接盈利或[编辑后售卖]进行间接盈利)。
2、本站所有内容均由合作方或网友上传,本站不对文档的完整性、权威性及其观点立场正确性做任何保证或承诺!文档内容仅供研究参考,付费前请自行鉴别。
3、如文档内容存在违规,或者侵犯商业秘密、侵犯著作权等,请点击“违规举报”。

碎片内容

星轮机械加工工序卡

确认删除?
VIP
微信客服
  • 扫码咨询
会员Q群
  • 会员专属群点击这里加入QQ群
客服邮箱
回到顶部