电脑桌面
添加小米粒文库到电脑桌面
安装后可以在桌面快捷访问

强化复合地板施工工艺

强化复合地板施工工艺_第1页
1/10
强化复合地板施工工艺_第2页
2/10
强化复合地板施工工艺_第3页
3/10
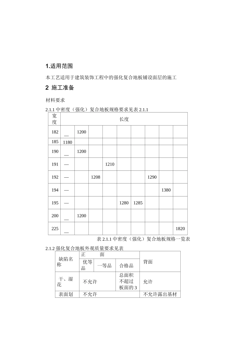
目录1.适用范围本工艺适用于建筑装饰工程中的强化复合地板铺设面层的施工2 施工准备材料要求2.1.1 中密度(强化)复合地板规格要求见表 2.1.1宽度长度182—12001851180190—1200191—1210192—12081290194—1380195—12801285200—1200225—1820表 2.1.1 中密度(强化)复合地板规格一览表2.1.2 强化复合地板外观质量要求见表缺陷名称正面背面优等品一等品合格品干、湿花不允许总面积不超过板面的 3%允许表面划痕不允许不允许露出基材表面压痕不允许透底不允许光泽不均不允许总面积不超过板面的 3%允许污斑不允许3mm2,允许 1个/块10mm2,允许 1 个/块允许鼓泡不允许W10mm2,允许 1 个/块鼓包不允许W10mm2,允许 1 个/块纸张撕裂不允许W100mm,允许处/块局部缺纸不允许W20mm2,允许 1 处/块朋边不允许允许表面龟裂不允许不允许分层不允许不允许榫舌及边角缺损不允许不允许表 2.1.2 中密度(强化)复合地板外观质量要求一览表2.1.3 各项理化性能要求见表。检验项目单位优等品一等品合格品静曲强度MPa内结合强度MPa含水率%密度g/cm3吸水厚度膨胀率%表面胶合强度Mpa表面耐冷热循环——无龟裂、无鼓泡表面耐划痕——三表面无整圈连续划痕三表面无整圈连续划痕三表面无整圈连续划痕表 2.2.3 中密度(强化)复合地板的理化性能一览表2.1.4 龙骨、毛地板等木材;必须做防腐防蛀处理。木龙骨要采用变形较小的木材。木材材质、品种、等级、铺设时候的含水率必须符合国家标准《木结构工程施工质量验收规范》(GB50206-2012)的规定。2.1.5 所选用的材料,进场时应观察检查和检查材质合格证明文件及检测报告,并对材料断面尺寸、含水率等主要技术指标进行抽检,抽检数量应符合产品标准的规定。2.1.6 中密度复合地板面层材料以及面层下的板或衬垫等材质必须符合设计要求,其技术等级和质量要求应符合设计要求。机具设备强化复合地板施工常用木工手刨、电刨、手提钻、电锯、刮刀(铲刀)、橡皮(木)锤、锤子、螺丝刀、量具等。作业条件2.3.1 基层干净、无浮土、无施工废弃物,基层干燥,含水率在 8%以下。2.3.2 干燥:应达到或低于当地平衡湿度和含水率,严禁含湿施工,并防止有水源处向地面渗漏,如暖气出水处,厨房和卫生间接口处等。2.3.3 平整:用 2m 靠尺检验应小于 5mm。2.3.4 牢固:基层材料应是优质合格产品,并按序固接在地基上,不松动。2.3.5 伸缩缝:龙骨间、龙骨与墙体间、毛地板间、毛地板与墙体间均应留有伸缩缝。2...

1、当您付费下载文档后,您只拥有了使用权限,并不意味着购买了版权,文档只能用于自身使用,不得用于其他商业用途(如 [转卖]进行直接盈利或[编辑后售卖]进行间接盈利)。
2、本站所有内容均由合作方或网友上传,本站不对文档的完整性、权威性及其观点立场正确性做任何保证或承诺!文档内容仅供研究参考,付费前请自行鉴别。
3、如文档内容存在违规,或者侵犯商业秘密、侵犯著作权等,请点击“违规举报”。

碎片内容

强化复合地板施工工艺

确认删除?
VIP
微信客服
  • 扫码咨询
会员Q群
  • 会员专属群点击这里加入QQ群
客服邮箱
回到顶部