电脑桌面
添加小米粒文库到电脑桌面
安装后可以在桌面快捷访问

试验一三相变压器

试验一三相变压器_第1页
1/9
试验一三相变压器_第2页
2/9
试验一三相变压器_第3页
3/9
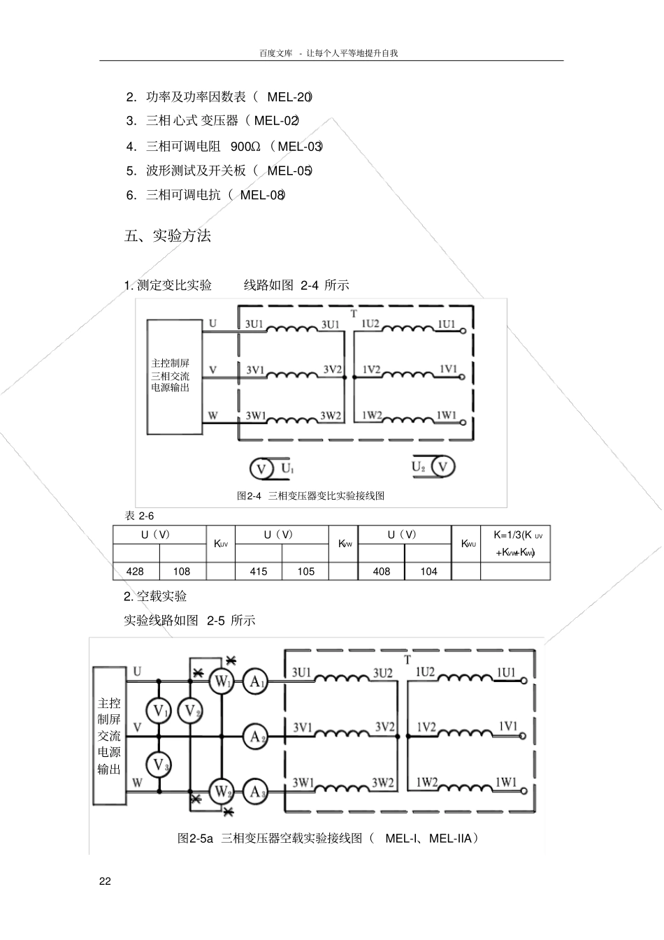
百度文库- 让每个人平等地提升自我11 实验一三相变压器一、实验目的1.通过空载和短路实验,测定三相变压器的变比和参数。2.通过负载实验,测取三相变压器的运行特性。二、预习要点1.如何用双瓦特计法测三相功率,空载和短路实验应如何合理布置仪表。答:在一个三相系统中 , 任何一相都可以成为另一相的参考点( 或基准点 ) 。Y型接法通常选择中性点作为参考点,即便是三相三线制也将中性点作为参考点。Y 型接法的好处是每一相的电压、电流和功率都可以独立测量。如果将三相中的某一相作为参考点,就可以用两只瓦特计测量整个三相系统的功率。空载实验:低压侧接电源,功率表、电流表,高压侧开路。短路实验:高压侧接电源、功率表、电流表,低压侧短路。2.三相心式变压器的三相空载电流是否对称,为什么?答:不对称。根据磁势与励磁电流的关系式、磁通与磁阻的关系式可知:当外施三相对称电压时 , 三相空载电流不相等 , 中间相 B相较小 ,A 相和 C相较大 . B相磁路较短→ B 相磁阻较小→空载运行时, 建立同样大小的主磁通所需的电流就小. 3.如何测定三相变压器的铁耗和铜耗。答:空载实验测铁耗,短路实验测铜耗。4.变压器空载和短路实验应注意哪些问题?电源应加在哪一方较合适?答:空载实验:空载实验要加到额定电压,当高压侧的额定电压较高时,为了方便于试验和安全起见,通常在低压侧进行实验,而高压侧开路。短路试验 : 由于短路试验时电流较大,而外加电压却很低,一般电力变压器为额定电压的 4%~10%,为此为了便于测量,一般在高压侧试验,低压侧短路。三、实验项目1.测定变比2.空载实验:测取空载特性U0=f(I0) ,P0=f(U 0) ,cos 0=f(U 0) 。3.短路实验:测取短路特性UK=f(IK) ,PK=f(IK) ,cosK=f(IK) 。4.纯电阻负载实验:保持U1=U1N,cos2=1的条件下,测取U2=f(I2) 。四、实验设备及仪器1.MEL-1 电机教学实验台主控制屏(含指针式交流电压表、交流电流表)百度文库- 让每个人平等地提升自我22 2.功率及功率因数表( MEL-20)3.三相 心式 变压器( MEL-02)4.三相可调电阻 900Ω ( MEL-03)5.波形测试及开关板( MEL-05)6.三相可调电抗( MEL-08)五、实验方法1. 测定变比实验线路如图 2-4 所示表 2-6 U(V)KUVU(V)KVWU(V)KWUK=1/3(K UV+KVW+KWU) 428 108 415 105 408 104 2. 空载实验实验线路如图 2-5 所示图2-4 三相变压器变比实验接线图...

1、当您付费下载文档后,您只拥有了使用权限,并不意味着购买了版权,文档只能用于自身使用,不得用于其他商业用途(如 [转卖]进行直接盈利或[编辑后售卖]进行间接盈利)。
2、本站所有内容均由合作方或网友上传,本站不对文档的完整性、权威性及其观点立场正确性做任何保证或承诺!文档内容仅供研究参考,付费前请自行鉴别。
3、如文档内容存在违规,或者侵犯商业秘密、侵犯著作权等,请点击“违规举报”。

碎片内容

试验一三相变压器

您可能关注的文档

确认删除?
VIP
微信客服
  • 扫码咨询
会员Q群
  • 会员专属群点击这里加入QQ群
客服邮箱
回到顶部