电脑桌面
添加小米粒文库到电脑桌面
安装后可以在桌面快捷访问

试验一旋风除尘器性能测定VIP专享

试验一旋风除尘器性能测定_第1页
1/5
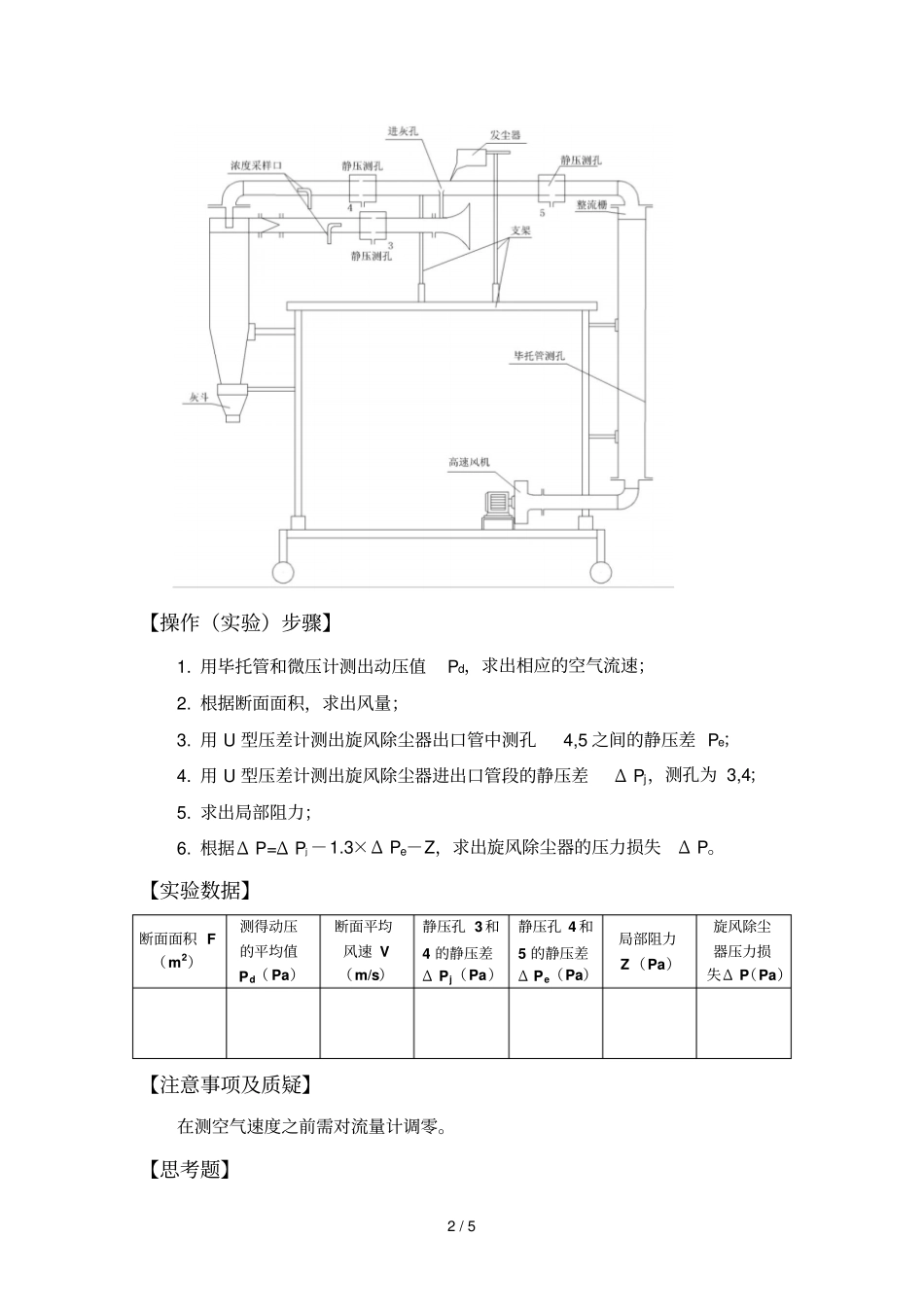
试验一旋风除尘器性能测定_第2页
2/5
试验一旋风除尘器性能测定_第3页
3/5
1 / 5 实验一 旋风除尘器性能测定【实验目的】1. 管道中气体流速及流量的测定;2. 旋风除尘器压力损失的测定。【实验原理】1. 气体流速的测定: 本实验用毕托管和微压计测定管道中各测点的动压Pd,从而可求得气体的流速。 由于气体流速在风管断面上的分布式不均匀的,可在同一断面上进行多点测量,求出该断面的平均流速v 。毕托管所测得的断面Φ90mm,故可以分为两环。微压计测出动压平均值,相应的空气流速为2dPv式中 Pd——测得的平均动压值, ρ ——空气密度 kg/m3,287PT2. 风量的测定: 根据断面的气流速度确定风量Q=Fv3. 旋风除尘器压力损失的测定:旋风除尘器阻力: Δ P=Δ Pq- Pl-Z 式中: Δ Pq——旋风除尘器进出口空气的全压差(Pa)Pl——沿程阻力,即静压孔4 和 5 的静压差× 1.3(Pa)Z——局部阻力,22vZ(0.52 )由于旋风除尘器进出口管段的管径相等,故动压相等,所以Δ Pq=Δ Pj式中:Δ Pj——旋风除尘器进出口空气的静压差,即用 U 型压差计测得的静压孔 3 和 4 的静压差。于是: Δ P=Δ Pj-Δ Pi-Z。【主要仪器及试剂】旋风除尘器性能测定实验台,毕托管,微压计,U 型压差计2 / 5 【操作(实验)步骤】1. 用毕托管和微压计测出动压值Pd,求出相应的空气流速;2. 根据断面面积,求出风量;3. 用 U 型压差计测出旋风除尘器出口管中测孔4,5 之间的静压差 Pe;4. 用 U 型压差计测出旋风除尘器进出口管段的静压差Δ Pj,测孔为 3,4;5. 求出局部阻力;6. 根据Δ P=Δ Pj -1.3×Δ Pe-Z,求出旋风除尘器的压力损失Δ P。【实验数据】断面面积 F(m2)测得动压的平均值Pd( Pa)断面平均风速 V(m/s)静压孔 3 和4 的静压差Δ Pj(Pa)静压孔 4 和5 的静压差Δ Pe(Pa)局部阻力Z(Pa)旋风除尘器压力损失Δ P(Pa)【注意事项及质疑】在测空气速度之前需对流量计调零。【思考题】3 / 5 1. 简述旋风除尘器内气流与颗粒的运动方式。2. 何谓二次效应,如何有效控制二次效应?4 / 5 实验二 旋风除尘器除尘效率的测定【实验目的】测定旋风除尘器的除尘效率。【实验原理】在计算除尘效率时,主要是求得进入除尘器前后气体中颗粒物的浓度。管道中气体含尘浓度的测定, 采用滤膜采样法。 其具有两个特点: 一是等速采样,即要求采样头入口处的采样速度应等于风管中的气流速度,但在实际中不易做到完全的等速采样, 当采样速度与风管中的...

1、当您付费下载文档后,您只拥有了使用权限,并不意味着购买了版权,文档只能用于自身使用,不得用于其他商业用途(如 [转卖]进行直接盈利或[编辑后售卖]进行间接盈利)。
2、本站所有内容均由合作方或网友上传,本站不对文档的完整性、权威性及其观点立场正确性做任何保证或承诺!文档内容仅供研究参考,付费前请自行鉴别。
3、如文档内容存在违规,或者侵犯商业秘密、侵犯著作权等,请点击“违规举报”。

碎片内容

试验一旋风除尘器性能测定

确认删除?
VIP
微信客服
  • 扫码咨询
会员Q群
  • 会员专属群点击这里加入QQ群
客服邮箱
回到顶部