电脑桌面
添加小米粒文库到电脑桌面
安装后可以在桌面快捷访问

质量标准及奖罚措施1分析

质量标准及奖罚措施1分析_第1页
1/31
质量标准及奖罚措施1分析_第2页
2/31
质量标准及奖罚措施1分析_第3页
3/31
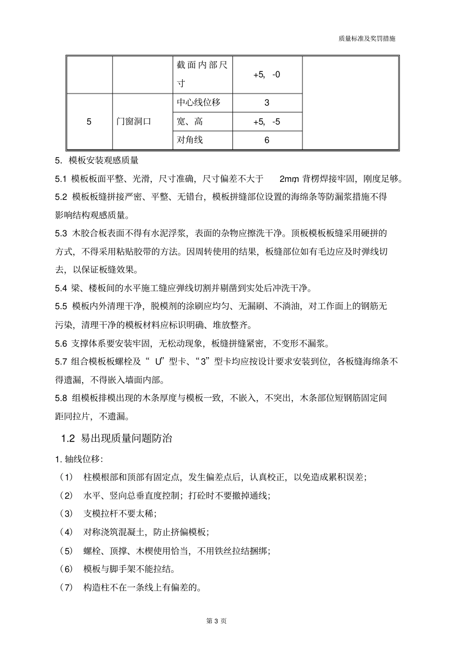
质量标准及奖罚措施第 1 页天津天狮大学五期工程2 标段、六期工程1 标段质量标准及奖罚措施总则:1、劳务队应组织工人认真熟悉《天津天狮大学五期工程2 标段、六期工程 1 标段质量标准及奖罚措施》,加强现场管理人员及工人质量意识教育。指导和监督工人严格按照施工工艺及规范施工,加强过程质量控制,以预防为主、过程中出现问题及时纠正。2、施工现场所产生的质量问题除执行本条例处理外,必须无原则按照施工规范、设计要求按时整改到位并报验合格。 对于不整改或不按时间要求整改或是整改不彻底的予以从重处罚。3、本条例明确规定所处罚对象,现场操作人员应承担的处罚,劳务队及班组长不得代签,落实到相应责任人: 相应班组长带领施工人员至质安部,由现场施工人员签字认罚,吸取经验教训,以保证在以后施工过程中不再出现相同问题。4、、现场过程质量控制以预控说服为主,在每一道工序施工完毕施工队自检合格后报验时执行本处罚条例。5、现场所有因质量问题所产生的罚款全部由商务在结算时从劳务队上交的质量保证金中扣除。6、施工班组实行奖优罚劣措施,整个现场班组每半个月根据质检员记录,工长、施工队质检员参评方式排定班组名次,排名第一的优秀班组,且半个月内所有验收均一次通过,无较大质量问题的奖励现金500 元以资鼓励。排名末位班组处罚现金500 元,并通报批评。连续三次获奖班组所在劳务队,且其他班组无重大质量问题, 奖励劳务队 2000元以资鼓励。连续三次排名末位的班组所在劳务队处罚款2000 元,并发文至该劳务队所在劳务公司责令整顿,找出问题所在原因予以整改。如果仅有获奖劳务队无受罚劳务队,由项目部直接奖励。如果仅有受罚劳务队无受奖劳务队所罚资金予以积累,用于下次奖励。7、本条例未尽事宜以现场实际发生及所产生的后果项目部研究决定处理办法。一、模板工程1.1 质量标准按照基本混凝土应达到的施工要求,制定了模板工程的质量标准。质量标准及奖罚措施第 2 页1.保证项目模板及其支架必须有足够的强度、刚度和稳定性;其支架的支承部分必须有足够的支承面积。接缝宽度不得大于1.5mm。检验方法:现场观察或尺量检查。2.基本项目2.1 模板接缝宽度不大于1.5mm。检查方法:观察和用楔形塞尺检查。2.2 模板表面清理干净,并均匀涂刷脱模剂。检查方法:观察和尺量检查。3.现浇结构模板安装允许偏差模板安装的允许偏差表项次项目允许偏差( mm) 检验方法1 轴线位置(柱、梁)3 尺量检查...

1、当您付费下载文档后,您只拥有了使用权限,并不意味着购买了版权,文档只能用于自身使用,不得用于其他商业用途(如 [转卖]进行直接盈利或[编辑后售卖]进行间接盈利)。
2、本站所有内容均由合作方或网友上传,本站不对文档的完整性、权威性及其观点立场正确性做任何保证或承诺!文档内容仅供研究参考,付费前请自行鉴别。
3、如文档内容存在违规,或者侵犯商业秘密、侵犯著作权等,请点击“违规举报”。

碎片内容

质量标准及奖罚措施1分析

确认删除?
VIP
微信客服
  • 扫码咨询
会员Q群
  • 会员专属群点击这里加入QQ群
客服邮箱
回到顶部