电脑桌面
添加小米粒文库到电脑桌面
安装后可以在桌面快捷访问

起重吊装钢丝绳的选用

起重吊装钢丝绳的选用_第1页
1/5
起重吊装钢丝绳的选用_第2页
2/5
起重吊装钢丝绳的选用_第3页
3/5
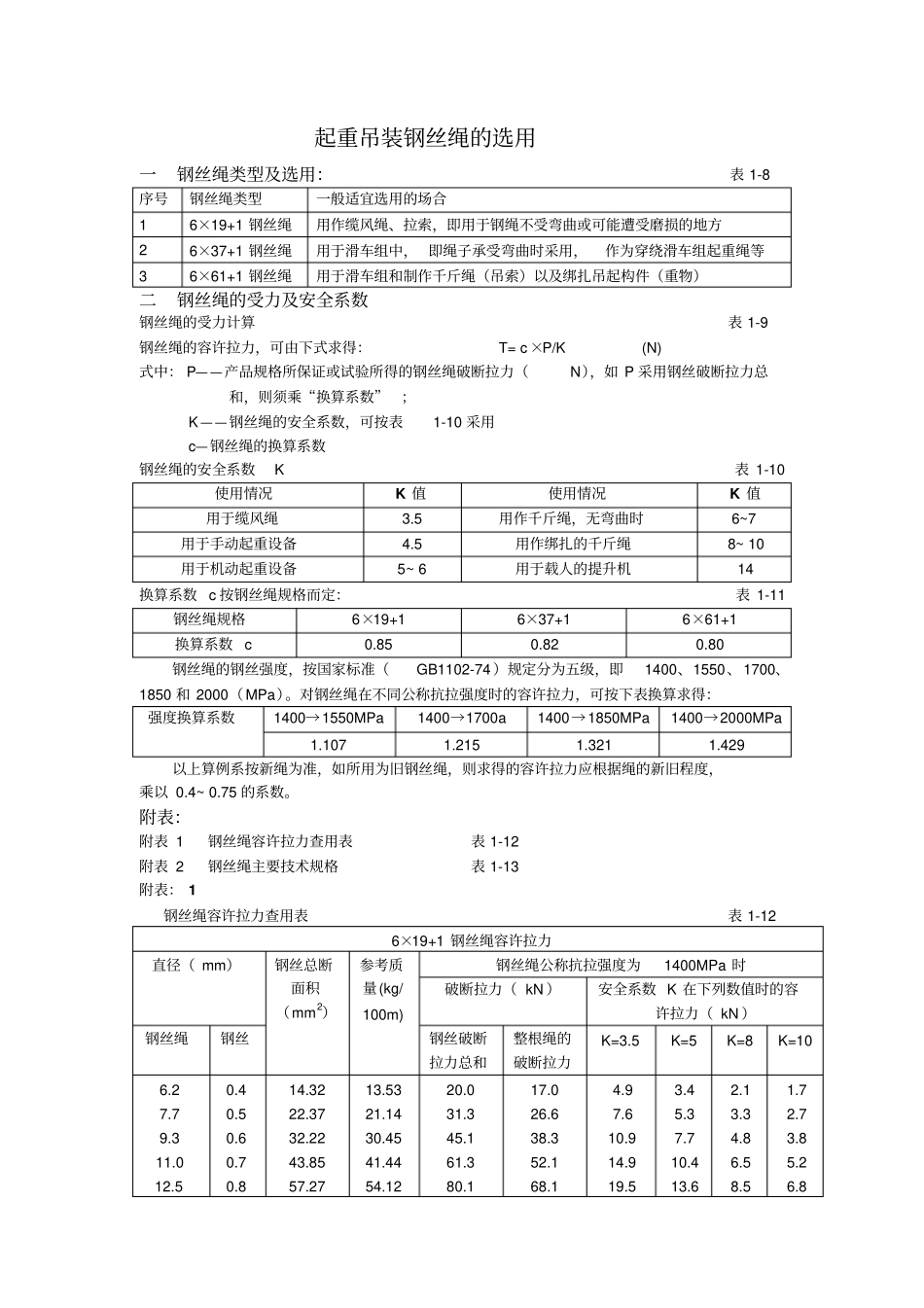
起重吊装钢丝绳的选用一钢丝绳类型及选用:表 1-8 序号钢丝绳类型一般适宜选用的场合1 6×19+1 钢丝绳用作缆风绳、拉索,即用于钢绳不受弯曲或可能遭受磨损的地方2 6×37+1 钢丝绳用于滑车组中, 即绳子承受弯曲时采用,作为穿绕滑车组起重绳等3 6×61+1 钢丝绳用于滑车组和制作千斤绳(吊索)以及绑扎吊起构件(重物)二钢丝绳的受力及安全系数钢丝绳的受力计算表 1-9 钢丝绳的容许拉力,可由下式求得:T= c ×P/K (N) 式中: P——产品规格所保证或试验所得的钢丝绳破断拉力(N),如 P 采用钢丝破断拉力总和,则须乘“换算系数”;K——钢丝绳的安全系数,可按表1-10 采用c—钢丝绳的换算系数钢丝绳的安全系数K 表 1-10 使用情况K 值使用情况K 值用于缆风绳3.5 用作千斤绳,无弯曲时6~7用于手动起重设备4.5 用作绑扎的千斤绳8~ 10 用于机动起重设备5~ 6 用于载人的提升机14 换算系数 c 按钢丝绳规格而定:表 1-11 钢丝绳规格6×19+1 6×37+1 6×61+1 换算系数 c 0.85 0.82 0.80 钢丝绳的钢丝强度,按国家标准(GB1102-74 )规定分为五级,即1400、1550、1700、1850 和 2000(MPa)。对钢丝绳在不同公称抗拉强度时的容许拉力,可按下表换算求得:强度换算系数1400→1550MPa 1400→1700a 1400→1850MPa 1400→2000MPa 1.107 1.215 1.321 1.429 以上算例系按新绳为准,如所用为旧钢丝绳,则求得的容许拉力应根据绳的新旧程度,乘以 0.4~ 0.75 的系数。附表:附表 1 钢丝绳容许拉力查用表表 1-12 附表 2 钢丝绳主要技术规格表 1-13 附表: 1 钢丝绳容许拉力查用表表 1-12 6×19+1 钢丝绳容许拉力直径( mm)钢丝总断面积(mm2)参考质量(kg/ 100m) 钢丝绳公称抗拉强度为1400MPa 时破断拉力( kN )安全系数 K 在下列数值时的容许拉力( kN )钢丝绳钢丝钢丝破断拉力总和整根绳的破断拉力K=3.5 K=5 K=8 K=10 6.2 7.7 9.3 11.0 12.5 0.4 0.5 0.6 0.7 0.8 14.32 22.37 32.22 43.85 57.27 13.53 21.14 30.45 41.44 54.12 20.0 31.3 45.1 61.3 80.1 17.0 26.6 38.3 52.1 68.1 4.9 7.6 10.9 14.9 19.5 3.4 5.3 7.7 10.4 13.6 2.1 3.3 4.8 6.5 8.5 1.7 2.7 3.8 5.2 6.8 14.0 15.5 17.0 18.5 20.0 21.5 23.0 24.5 26.0 28.0 31.0 34.0 37.0 40.0 43.0 46.0 0.9 1.0 1.1 1.2 1.3 1.4 1.5 1....

1、当您付费下载文档后,您只拥有了使用权限,并不意味着购买了版权,文档只能用于自身使用,不得用于其他商业用途(如 [转卖]进行直接盈利或[编辑后售卖]进行间接盈利)。
2、本站所有内容均由合作方或网友上传,本站不对文档的完整性、权威性及其观点立场正确性做任何保证或承诺!文档内容仅供研究参考,付费前请自行鉴别。
3、如文档内容存在违规,或者侵犯商业秘密、侵犯著作权等,请点击“违规举报”。

碎片内容

起重吊装钢丝绳的选用

确认删除?
VIP
微信客服
  • 扫码咨询
会员Q群
  • 会员专属群点击这里加入QQ群
客服邮箱
回到顶部