电脑桌面
添加小米粒文库到电脑桌面
安装后可以在桌面快捷访问

辽宁宝龙肉禽食品有限公司年屠宰加工2500万只肉鸡扩建项目可行性研究报告

辽宁宝龙肉禽食品有限公司年屠宰加工2500万只肉鸡扩建项目可行性研究报告_第1页
1/50
辽宁宝龙肉禽食品有限公司年屠宰加工2500万只肉鸡扩建项目可行性研究报告_第2页
2/50
辽宁宝龙肉禽食品有限公司年屠宰加工2500万只肉鸡扩建项目可行性研究报告_第3页
3/50
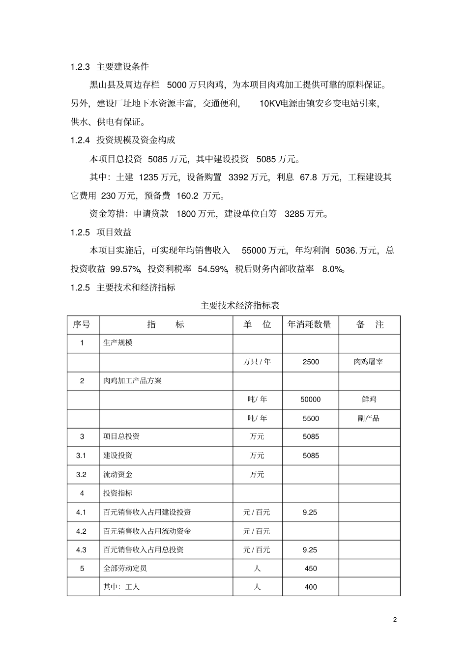
1 第一章总论1.1 项目背景1.1.1 项目名称辽宁宝龙肉禽食品有限公司年屠宰加工2500 万只肉鸡扩建项目1.1.2 项目提出的理由与过程辽宁宝龙肉禽食品有限公司是一家以肉鸡孵化、养殖及饲料加工为主的具有较完善肉鸡产业化链条的省级农业产业化重点龙头企业和省扶贫龙头企业,通过“公司 +基地(小区) +农户”产业化模式,已带动当地2500 多户家民通过肉鸡养殖产业发家致富。同时黑山县又是辽宁省禽类养殖大县,全县及周边存栏近5000 万只肉鸡,需要有一个龙头企业提供肉鸡加工服务,完善产业化链条,在此情况下, 建设单位提出建设肉鸡屠宰加工扩建项目,年宰杀肉鸡由 300 万只扩大到 2500 万只。黑山县是辽宁省重要的农业生产大县,全县畜牧业收入占农业总产值30%以上,全县及周边现有肉鸡5000 万只,肉鸡类饲养量较大,迫切需要扩大,屠宰加工以保证肉鸡饲养户在龙头企业带动下,健康发展, 因此,建设单位提出肉鸡屠宰深加工扩建项目, 以扩大产品销售半径, 为黑山肉鸡饲养户带来更大的效益,促进黑山肉鸡产业结构的进一步完善。项目提出符合《辽宁省 2008-2010 年畜产品加工业建设项目及财政扶持资金管理办法(试行)》文件精神,争取国家资金扶持。1.2 项目概况1.2.1 拟建地点本项目拟建于黑山县镇安乡羊肠河村。厂区总占地面积12.6 亩,厂区南侧为 102 国道,东、西两侧是农田,北侧为水塘。厂区四周空气清新,交通方便,适宜筹建禽类宰杀加工厂及物流配送。1.2.2 建设规模与目标1. 肉鸡加工:年屠宰加工肉鸡 2500 万只,年产鲜鸡 50000 吨,鸡副产品 5500吨,比原来能提高8.3 倍,原加工能力 300 万只。2. 建设内容:扩建厂房3700 平方米,污水处理池160 平方米的购置自动化流水屠宰生产设备2 套:速冻及衡温设备、配送车辆及水电、环保设施等。2 1.2.3 主要建设条件黑山县及周边存栏5000 万只肉鸡,为本项目肉鸡加工提供可靠的原料保证。另外,建设厂址地下水资源丰富,交通便利,10KV电源由镇安乡变电站引来,供水、供电有保证。1.2.4 投资规模及资金构成本项目总投资 5085 万元,其中建设投资5085 万元。其中:土建 1235 万元,设备购置 3392 万元,利息 67.8 万元,工程建设其它费用 230 万元,预备费 160.2 万元。资金筹措:申请贷款1800 万元,建设单位自筹3285 万元。1.2.5 项目效益本项目实施后,可实现年均销售收入55000 万元,年均利润 5036. 万元,总投资收益 99....

1、当您付费下载文档后,您只拥有了使用权限,并不意味着购买了版权,文档只能用于自身使用,不得用于其他商业用途(如 [转卖]进行直接盈利或[编辑后售卖]进行间接盈利)。
2、本站所有内容均由合作方或网友上传,本站不对文档的完整性、权威性及其观点立场正确性做任何保证或承诺!文档内容仅供研究参考,付费前请自行鉴别。
3、如文档内容存在违规,或者侵犯商业秘密、侵犯著作权等,请点击“违规举报”。

碎片内容

辽宁宝龙肉禽食品有限公司年屠宰加工2500万只肉鸡扩建项目可行性研究报告

文本预览

{php // 将文本按句子/段落分割,输出为段落标签,更利于SEO $paragraphs = preg_split('/[\n\r]+/', trim($seo_txt)); foreach($paragraphs as $p) { $p = trim($p); if(strlen($p) > 5) { echo '

' . htmlspecialchars($p) . '

'; } } }
展开全部 ▼
确认删除?
VIP
微信客服
  • 扫码咨询
会员Q群
  • 会员专属群点击这里加入QQ群
客服邮箱
回到顶部