电脑桌面
添加小米粒文库到电脑桌面
安装后可以在桌面快捷访问

最新分户验收资料表格全版

最新分户验收资料表格全版_第1页
1/9
最新分户验收资料表格全版_第2页
2/9
最新分户验收资料表格全版_第3页
3/9
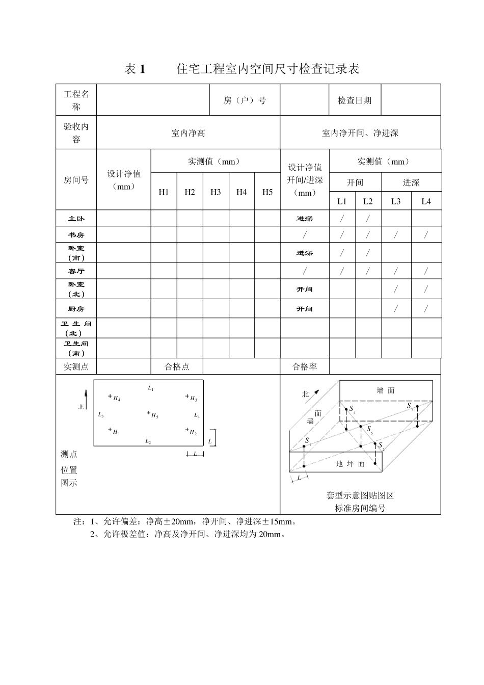
住宅工程质量检查记录 工程名称 房(户)号 检查日期 序号 验收项目 验收内容 检查记录 1 室内空间尺寸 室内净高、净开间、净进深 2 楼板结构层厚度 现浇楼板厚度 3 楼(地)面墙面和顶棚 裂缝(纹)、空鼓、脱皮(层)、墙面、顶棚爆灰、地面起砂 4 门窗、栏杆安装 窗台高度、门窗开启、配件、安全玻璃,栏杆高度、竖杆间距、防攀措施 5 防水工程 外墙、外窗、楼(地)面、屋面等部位防渗漏 6 给水、排水工程 管道渗漏、堵塞、坡度、预埋管道标识、安装固定、配件安装、地漏、存水弯、卫生器具 7 室内电气工程 插座、接地、户内配电箱安装、照明、等电位联结 8 其他 通风设施、空调设备预留孔洞 表1 住宅工程室内空间尺寸检查记录表 工程名称 房(户)号 检查日期 验收内容 室内净高 室内净开间、净进深 房间号 设计净值 (m m ) 实测值(m m ) 设计净值开间/进深 (m m ) 实测值(m m ) H1 H2 H3 H4 H5 开间 进深 L1 L2 L3 L4 主卧 进深 / / 书房 / / / / / 卧室(南) 进深 / / 客厅 / / / / / 卧室(北) 开间 / / 厨房 开间 / / 卫 生 间(北) 卫生间(南) 实测点 合格点 合格率 测点LLH 2H 3H 5H 4H 1L2L1L3L4北 位置 图示 S2S3S4S1S5L地 坪 面墙 面墙 面北套型示意图贴图区 标准房间编号 注:1、允许偏差:净高±20m m ,净开间、净进深±15m m 。 2、允许极差值:净高及净开间、净进深均为 20m m 。 表2 住宅工程楼板结构层厚度偏差检查记录 工程名称 房(户)号 检查日期 房间号 允许偏差 (mm) 最大偏差 (mm) 设计值(mm) 实测值(mm) B1 B2 B3 B4 B5 主卧室 +8 -5 +12 -8 书房 南卧室 客厅 餐厅 北卧室 厨房 实测点 合格点 合格率 测点 位置 图示 套型示意图贴图区 标准房间编号 检查结论 实测 房间 符合要求 房间 不符合要求 / 房间 注:1、设计值以施工图(结构)为准。 2、当超过允许偏差的测点超过总测点数20%,或有其中一点超过最大偏差的,验收即为“不符合”。 3、当验收结论为不符合,必要时,其结构安全可由原设计单位确认。 4、本项检查应在主体结构验收前完成。 表3 住宅工程楼(地)面、墙面和顶棚质量检查记录 工程名称 房(户)号 检查日期 序号 验收内容 质量要求 检查记录 1 普通水泥楼(地)面 无裂纹、脱皮、...

1、当您付费下载文档后,您只拥有了使用权限,并不意味着购买了版权,文档只能用于自身使用,不得用于其他商业用途(如 [转卖]进行直接盈利或[编辑后售卖]进行间接盈利)。
2、本站所有内容均由合作方或网友上传,本站不对文档的完整性、权威性及其观点立场正确性做任何保证或承诺!文档内容仅供研究参考,付费前请自行鉴别。
3、如文档内容存在违规,或者侵犯商业秘密、侵犯著作权等,请点击“违规举报”。

碎片内容

最新分户验收资料表格全版

确认删除?
VIP
微信客服
  • 扫码咨询
会员Q群
  • 会员专属群点击这里加入QQ群
客服邮箱
回到顶部