电脑桌面
添加小米粒文库到电脑桌面
安装后可以在桌面快捷访问

木质家具制造企业现场管理隐患排查清单

木质家具制造企业现场管理隐患排查清单_第1页
1/13
木质家具制造企业现场管理隐患排查清单_第2页
2/13
木质家具制造企业现场管理隐患排查清单_第3页
3/13
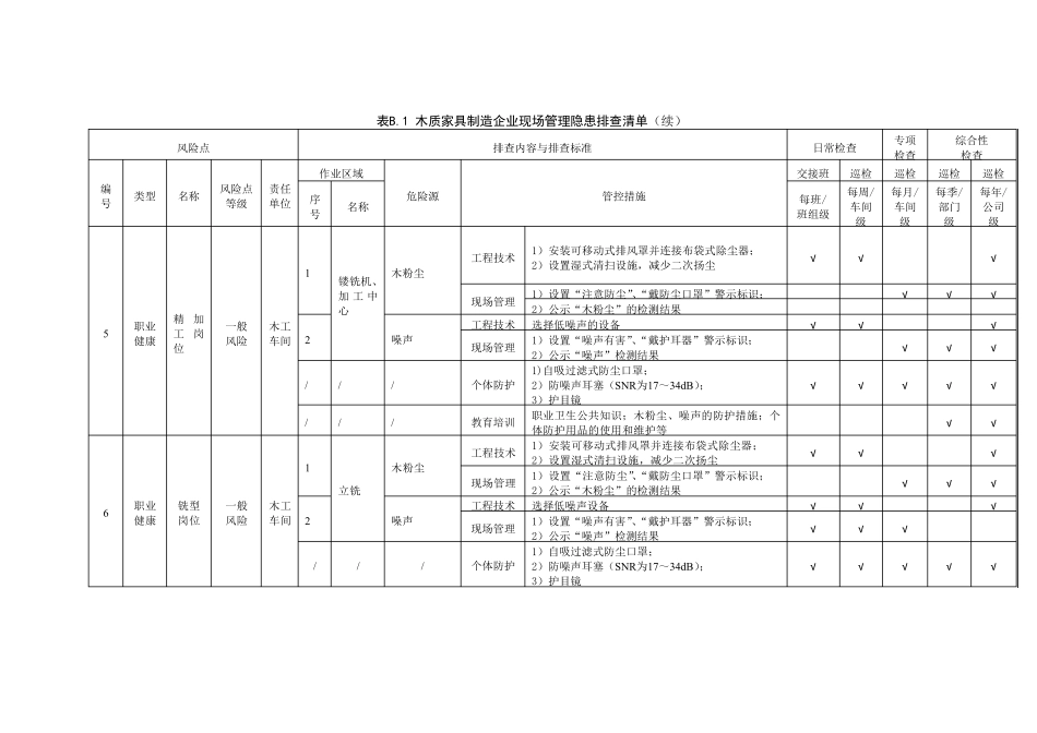
附 录 A木质家具制造企业现场管理隐患排查清单 风险点 排查内容与排查标准 日常检查 专项检查 综合性检查 编号 类型 名称 风险点等级 责任单位 作业区域 危险源 管控措施 交接班 巡检 巡检 巡检 巡检 序号 名称 每班/ 班组级 每周/ 车间级 每月/车间级 每季/部门级 每年/公司级 1 职业 健康 下料岗位 重大 风险 总经理办公室 1 双面刨、压刨机、梳理锯、多片锯、单片锯、优选锯、带锯、圆盘锯、刨砂机、指接机 木粉尘 工程技术 下料设备宜安装可移动式排风罩并连接布袋式除尘器 √ √ √ 现场管理 1)设置“注意防尘”、“戴防尘口罩”警示标识; 2)公示“木粉尘”的检测结果 √ √ √ 2 噪声 工程技术 选择低噪声的设备 √ √ √ 现场管理 1)设置“噪声有害”、“戴护耳器”警示标识; 2)公示“噪声”的检测结果 √ √ √ 3 手传振动 现场管理 公示“手传振动”的检测结果 √ √ √ / / / 个体防护 1)自吸过滤式防尘口罩; 2)防噪声耳塞(SNR为17~34dB); 3)防振动手套 √ √ √ √ √ / / / 教育培训 职业卫生公共知识;木粉尘、噪声、手传振动的防护措施;个体防护用 品 的使 用 和 维 护等 √ √ 2 职业 健康 涂 胶 、拼 板 、封 边岗位 重大 风险 总经理办公室 1 高 频 拼板 机、冷拼 机、封边 机 甲 醛 、苯 酚 、甲苯-2,4-二 异 氰 酸 酯(TDI)、高频 电 磁 场 工程技术 1)胶 桶 应 加 盖 密 闭 ; 2)拼 板 机、封 边 机宜单独 布置; 3)涂 胶 位、封 边 位附 近 设通 风换 气 装置 √ √ √ 现场管理 1)设置“当 心 中 毒 ”、“戴防毒 面具 ”警示标识; 2)公示“甲 醛 ”、“苯 酚 ”、“TDI”的检测结果 √ √ √ 表B.1 木质家具制造企业现场管理隐患排查清单(续 ) 风险点 排查内容与排查标准 日常检查 专项检查 综合性 检查 编号 类型 名称 风险点等级 责任单位 作业区域 危险源 管控措施 交接班 巡检 巡检 巡检 巡检 序号 名称 每班/ 班组级 每周/ 车间级 每月/车间级 每季/部门级 每年/公司级 3 职业 健康 锯料岗位 较大 风险 安技部 1 推台锯(导向锯)、角度锯 木粉尘 工程技术 1)安装可移动式排风罩并连接布袋式除尘器; 2)设置湿式清扫设施,减少二次扬尘 √ √ √ 现场管理...

1、当您付费下载文档后,您只拥有了使用权限,并不意味着购买了版权,文档只能用于自身使用,不得用于其他商业用途(如 [转卖]进行直接盈利或[编辑后售卖]进行间接盈利)。
2、本站所有内容均由合作方或网友上传,本站不对文档的完整性、权威性及其观点立场正确性做任何保证或承诺!文档内容仅供研究参考,付费前请自行鉴别。
3、如文档内容存在违规,或者侵犯商业秘密、侵犯著作权等,请点击“违规举报”。

碎片内容

木质家具制造企业现场管理隐患排查清单

确认删除?
VIP
微信客服
  • 扫码咨询
会员Q群
  • 会员专属群点击这里加入QQ群
客服邮箱
回到顶部