电脑桌面
添加小米粒文库到电脑桌面
安装后可以在桌面快捷访问

注塑件过程失效模式及分析PFMEA

注塑件过程失效模式及分析PFMEA_第1页
1/6
注塑件过程失效模式及分析PFMEA_第2页
2/6
注塑件过程失效模式及分析PFMEA_第3页
3/6
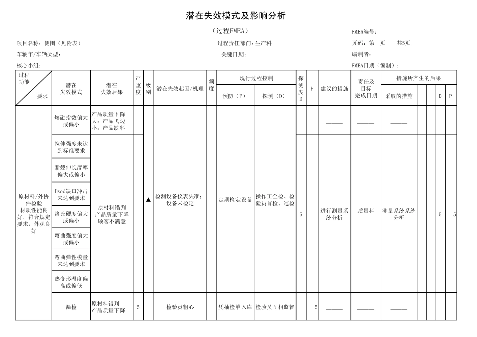
项 目 名 称 : 侧 围 ( 见 附 表 ) 过 程 责 任 部 门 : 生 产 科关 键 日 期 :过 程功 能要 求预 防 ( P)探 测 ( D)采 取 的 措 施S O DRPN熔 融 指 数 偏 大或 偏 小产 品 质 量 下 降大 : 产 品 飞 边小 : 产 品 缺 料3 42_ _ __ _ __ _ __ _ __拉 伸 强 度 未 达到 标 准 要 求断 裂 伸 长 度 率偏 大 或 偏 小Izod缺 口 冲 击未 达 到 要 求洛 氏 硬 度 偏 大或 偏 小弯 曲 强 度 偏 大或 偏 小弯 曲 弹 性 模 量未 达 到 要 求热 变 形 温 度 偏高 或 偏 低漏 检原 材 料 错 判产 品 质 量 下 降5检 验 员 粗 心3 凭 抽 检 单 入 库检 验 员 互 相 监 督3 45_ _ __ _ __ _ __ _ __535质 量 科2003.8.20测 量 系 统 系 统分 析7 1频度O现 行 过 程 控 制70进 行 测 量 系统 分 析探测度DRPN建 议 的 措 施责 任 及目 标完 成 日 期潜在失效模式及影响分析( 过 程 FMEA)FMEA编 号 :7操 作 工 全 检 、 检验 员 首检 、 巡检▲措 施 所产 生 的 后果编 制 者:FMEA日 期 ( 编 制 ) :页码: 第 页 共5页车辆年/车辆类型:潜在失效模 式潜在失效后果原 材 料 错 判产 品 质 量 下 降顾客不满意核心 小 组:2级别潜在失效起因/机理严重度S5检 测 设备仪表 失准 ;设备未 检 定定期 检 定设备原 材 料 /外协件检 验材 质 性 能 良好,符合规定要 求 ,外观良好项 目 名 称 : 侧 围 ( 见 附 表 ) 过 程 责 任 部 门 : 生 产 科关 键 日 期 :过 程功 能要 求预 防 ( P)探 测 ( D)采 取 的 措 施S O DRPN频度O现 行 过 程 控 制探测度DRPN建 议 的 措 施责 任 及目 标完 成 日 期潜在失效模式及影响分析( 过 程 FMEA)FMEA编 号 :措 施 所 产 生 的 后 果编 制 者 :FMEA日 期 ( 编 制 ) :页 码 : 第 页 共 5页车 辆 年 /车 辆 类 型 :潜 在失 效 模 式潜 在失 效 后 果核 心 小 组 :级别潜 在 失 效 起 因 /机 理严重度S仓 库 设 施 不 好5提 供 资 源库 管 员 每 天 检 查一 次2 50_ _...

1、当您付费下载文档后,您只拥有了使用权限,并不意味着购买了版权,文档只能用于自身使用,不得用于其他商业用途(如 [转卖]进行直接盈利或[编辑后售卖]进行间接盈利)。
2、本站所有内容均由合作方或网友上传,本站不对文档的完整性、权威性及其观点立场正确性做任何保证或承诺!文档内容仅供研究参考,付费前请自行鉴别。
3、如文档内容存在违规,或者侵犯商业秘密、侵犯著作权等,请点击“违规举报”。

碎片内容

注塑件过程失效模式及分析PFMEA

确认删除?
VIP
微信客服
  • 扫码咨询
会员Q群
  • 会员专属群点击这里加入QQ群
客服邮箱
回到顶部