电脑桌面
添加小米粒文库到电脑桌面
安装后可以在桌面快捷访问

热继电器选型

热继电器选型_第1页
1/8
热继电器选型_第2页
2/8
热继电器选型_第3页
3/8
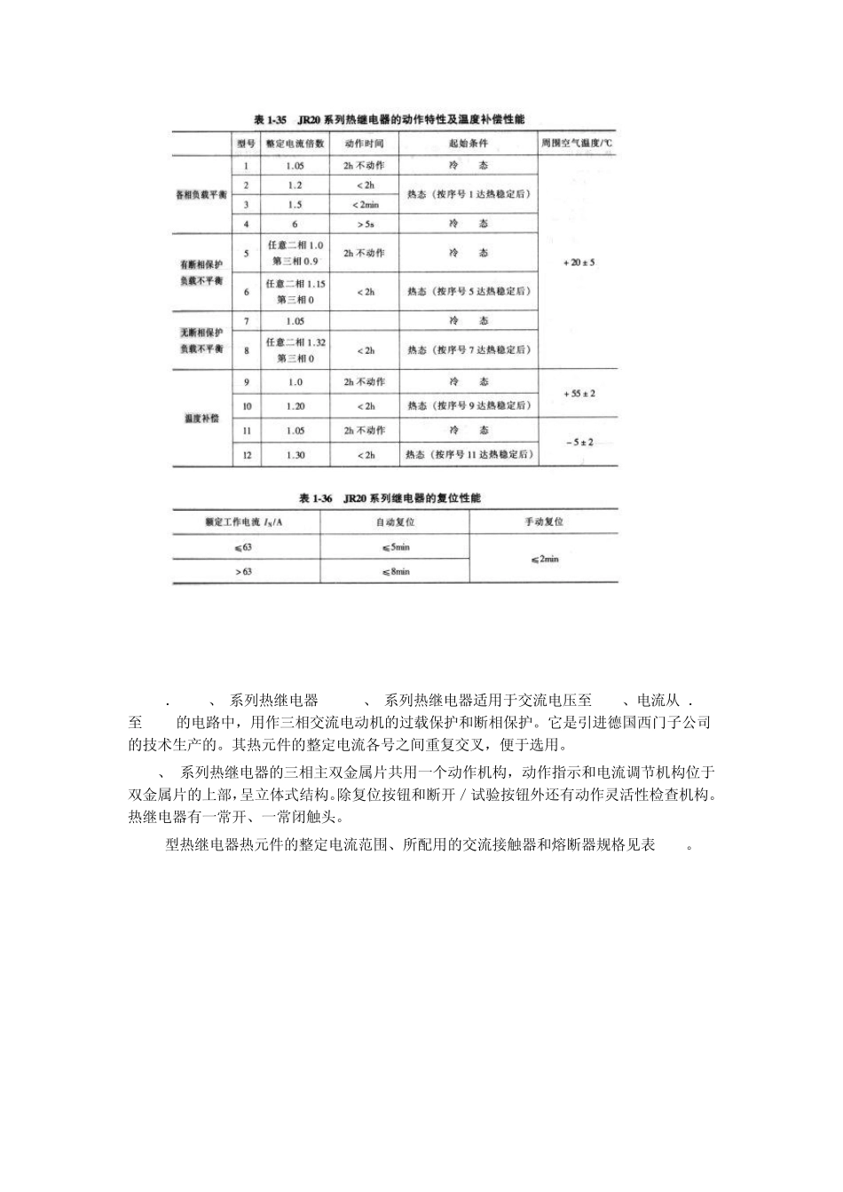
热继电器选型 1.JR20系列热继电器 JR20系列热继电器是一种双金属片式热继电器,在电力线路中用于长期或间断工作的一般交流电动机的过载保护,并且能在三相电流严重不平衡时起保护作用。 JR20系列热继电器的结构为立体布置,一层为结构,另一层为主电路。前者包括整定电流调节凸轮、动作脱扣指示、复位按钮及断开检查按钮。 JR20系列热继电器的规格、整定电流范围见表1-34。 JR20系列热继电器的动作特性及温度补偿性能见表1-35。 JR20系列热继电器的复位性能见表1-36。 2.3UA5、6系列热继电器 3UA5、6系列热继电器适用于交流电压至660V、电流从0.1A至630A的电路中,用作三相交流电动机的过载保护和断相保护。它是引进德国西门子公司的技术生产的。其热元件的整定电流各号之间重复交叉,便于选用。 3UA5、6系列热继电器的三相主双金属片共用一个动作机构,动作指示和电流调节机构位于双金属片的上部,呈立体式结构。除复位按钮和断开/试验按钮外还有动作灵活性检查机构。热继电器有一常开、一常闭触头。 3UA59型热继电器热元件的整定电流范围、所配用的交流接触器和熔断器规格见表1-37。 3UA5系列热继电器可安装在3TB系列接触器上组成电磁起动器。 3.LRl-D系列热继电器 LRl-D系列热继电器是引进法国TE公司专有技术生产的产品,具有体积小、重量轻、寿命长、功耗小、安装小等特点。适用于交流50Hz或60Hz、电压至660V、电流至80A以下的电路中接通与分断主电路,以实现对电动机的过载保护和断相保护。 LR1-D系列热继电器技术规格见表1-38。 LR1-D系列热继电器与 LC1-D系列交流接触器插接组成电磁起动器。 LR1-D系列热继电器技术数据见表1-39。 4.T系列热继电器 T系列热继电器用于交流50、60Hz、电压660V及以下、电流500A及以下的电力线路中,用作三相交流电动机的过载保护和断相保护。该系列产品是引进德国 BBC公司生产技术和生产线生产的。该产品与 B系列接触器组合在一起使用。 本系列产品具有整定电流调节装置,脱扣机构有摩擦式、跳跃式和背包跳跃式,复位方式除 T16为手动复位,T85为自动或手动复位外,其它型号产品均确手动和自动复位。与接触器的安装方式有插接式、独立式和带导轨独立式。 T系列热继电器的整定电流调节范围见表l-40。 T系列热继电器主要技术性能见表1-41。 T系列热继电器三相负载平衡时的动作特性见表1-42 T系列热继电器三相负载不平衡时的动作特性见表1-43 5.热继电器选择 热继电器主要用...

1、当您付费下载文档后,您只拥有了使用权限,并不意味着购买了版权,文档只能用于自身使用,不得用于其他商业用途(如 [转卖]进行直接盈利或[编辑后售卖]进行间接盈利)。
2、本站所有内容均由合作方或网友上传,本站不对文档的完整性、权威性及其观点立场正确性做任何保证或承诺!文档内容仅供研究参考,付费前请自行鉴别。
3、如文档内容存在违规,或者侵犯商业秘密、侵犯著作权等,请点击“违规举报”。

碎片内容

热继电器选型

小辰4+ 关注
实名认证
内容提供者

出售各种资料和文档

确认删除?
VIP
微信客服
  • 扫码咨询
会员Q群
  • 会员专属群点击这里加入QQ群
客服邮箱
回到顶部