电脑桌面
添加小米粒文库到电脑桌面
安装后可以在桌面快捷访问

进货检验规程汇总

进货检验规程汇总_第1页
1/43
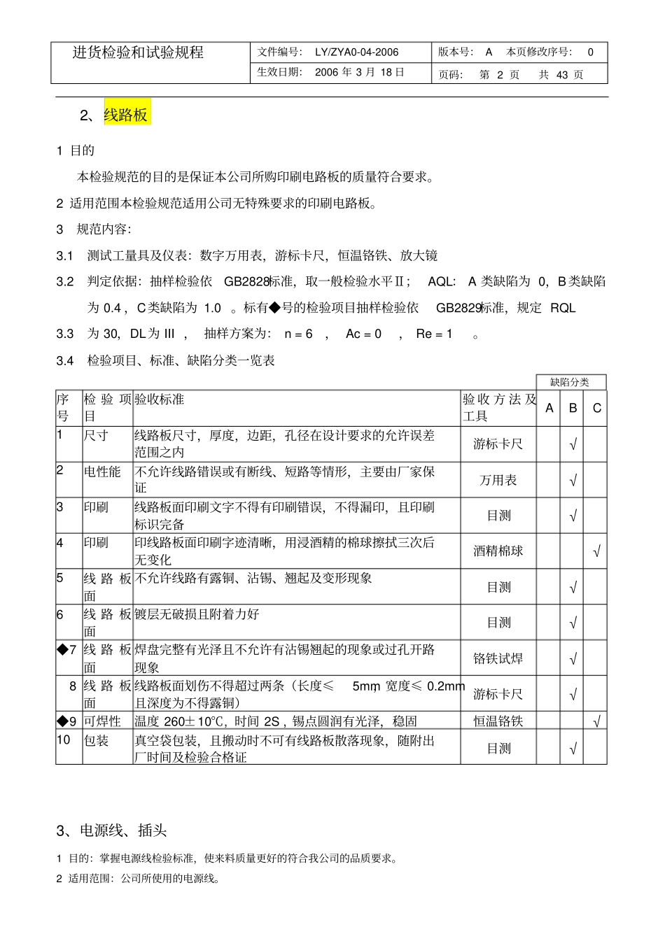
进货检验规程汇总_第2页
2/43
进货检验规程汇总_第3页
3/43
进货检验和试验规程文件编号: LY/ZYA0-04-2006版本号: A 本页修改序号:0 生效日期: 2006 年 3 月 18 日页码:第 1 页共 43 页电阻、 瓷片电容、钽电解电容、铝电解电容、电感、 二极管、三极管 、晶体、模块、卡座、 IC、自恢复保险、 线路板、 机壳、 接插件、 天线、 线缆、 螺丝1、主题内容:本总则规定了进货检验的一般流程,检验内容 ,缺陷判定及处理方案. 本总则适用于本厂所有原材料、外协件的进货检验。2、一般流程:原材料到厂→收货检查→送检→抽样→检验与试验→判定→返单→标识。3、检验内容:原材料一般需进行外观、结构尺寸、装配、电气性能、可焊性、抗折性等项目的检验,但是不同材料的检验方法有所不同,具体检验内容参见相应的原材料检验作业指导书和试验作业指导书。4、缺陷判定:原材料缺陷分类一般分为:A 类不合格、 B 类不合格和C 类不合格。5、相关术语定义:A 类不合格:原材料的质量特性极严重不符合规定(即指会造成安全事故的不合格)。B 类不合格:原材料的质量特性严重不符合规定。C 类不合格:原材料的质量特性轻微不符合规定。A 类不合格品:有一个或一个以上A 类不合格,也可能还有B 类和(或) C 类不合格的原材料。B 类不合格品:有一个或一个以上B 类不合格,也可能还有C 类不合格,但不包含A 类不合格的原材料。C 类不合格品:有一个或一个以上C 类不合格,但不包含A 类和 B 类不合格的原材料。6、原材料的缺陷判定具体参见相应的原材料检验作业指导书和试验作业指导。在实际检验过程中,如发现原材料存在某种缺陷,而作业指导书中的缺陷分类中没有,则根据4.2 中不合格定义作出相应的判定。7、处理方案:当 A 、B、C 三类不合格品数分别在相应判定数组的合格判定数范围时,则判该批原材料合格,由IQC出具合格报告,并在该批原材料上贴上合格标贴。当 A、B、C 三类不合格品数中任何一类不合格品数达到相应判定数组的不合格判定时,则判该批原材料不合格。此时应及时通知采购员,若无特采之必要,则由IQC 出具退货报告,并在该批原材料上贴不合格标贴,若需特采则按《采购控制程序》执行。9、原材料存在重大质量问题或连续多批不合格或多批出现相同缺陷时,由IQC 发出《质量信息联络单》给供应商,要求其回复控制方案和处理措施,并跟踪验证改善效果,若无改善或改善不明显则填写《纠正和预防措施处理单》 ,交公司上层领导处理,其具体处理方...

1、当您付费下载文档后,您只拥有了使用权限,并不意味着购买了版权,文档只能用于自身使用,不得用于其他商业用途(如 [转卖]进行直接盈利或[编辑后售卖]进行间接盈利)。
2、本站所有内容均由合作方或网友上传,本站不对文档的完整性、权威性及其观点立场正确性做任何保证或承诺!文档内容仅供研究参考,付费前请自行鉴别。
3、如文档内容存在违规,或者侵犯商业秘密、侵犯著作权等,请点击“违规举报”。

碎片内容

进货检验规程汇总

您可能关注的文档

确认删除?
VIP
微信客服
  • 扫码咨询
会员Q群
  • 会员专属群点击这里加入QQ群
客服邮箱
回到顶部