电脑桌面
添加小米粒文库到电脑桌面
安装后可以在桌面快捷访问

通信原理课程设计对讲机

通信原理课程设计对讲机_第1页
1/8
通信原理课程设计对讲机_第2页
2/8
通信原理课程设计对讲机_第3页
3/8
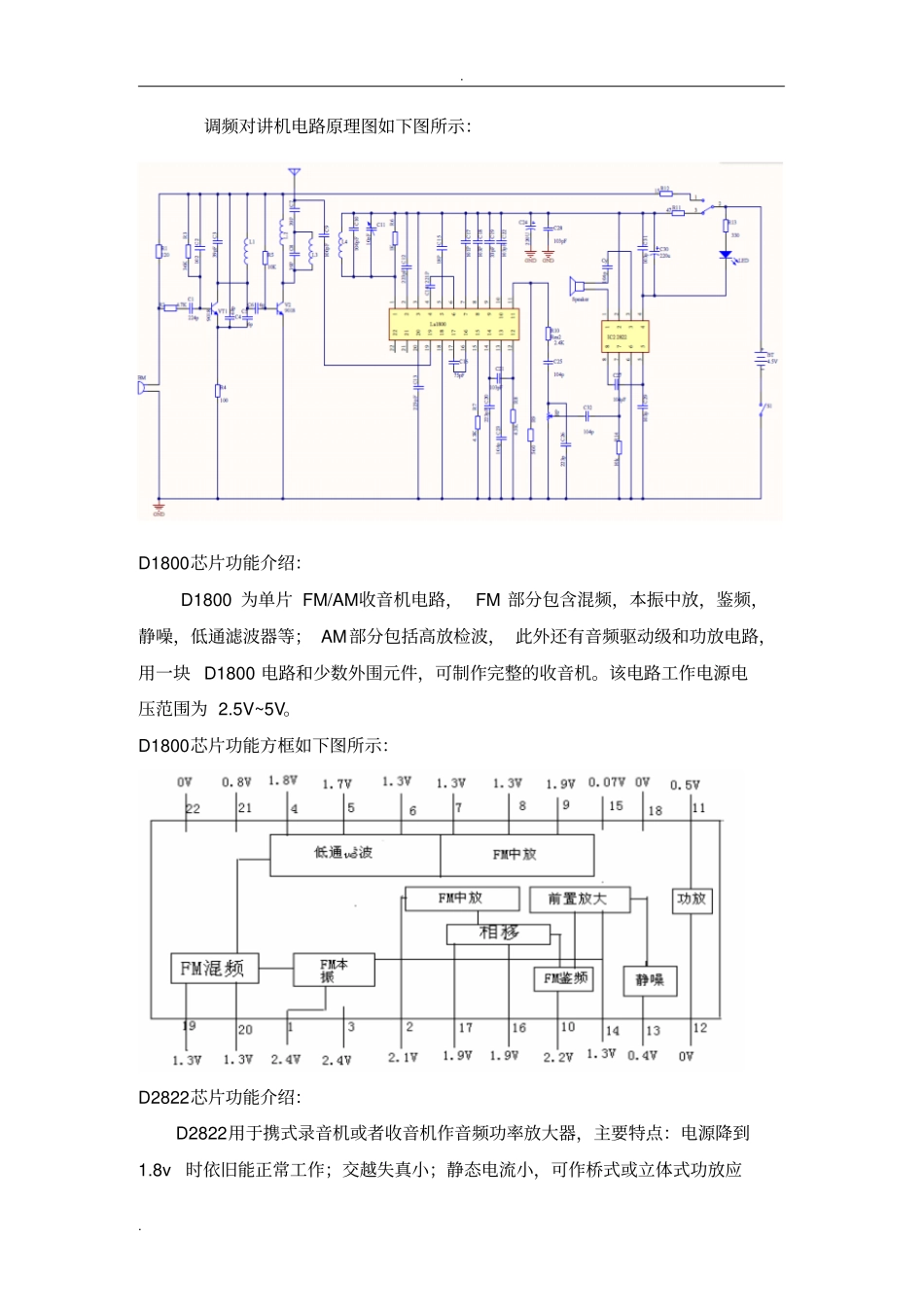
. . 1任务书设计并制作一个无线对讲机, 要求采用调频方式工作, 至少 10 米以上通话距离。2设计方案选择方案一: 发射试用调频无线送话器,接收采用集成电路KC538,具有中频放大、鉴频和音频功率放大等功能。KC538中频放大器采用三极管差分放大器,故有增益高和调配抑制比较好的特点。方案二: 采用集成电路 D1800,它作为收音机接收专业集成电路,功放部分则用D2822电路具有体积小、外围元件少灵敏度极高、性能稳定等优点。方案选择: 综上电路, 接收频率和工作电流都在要求范围之内,具有良好的抗干扰能力,经过比较,方案二更具有简洁性,电路布复杂。因此本系统采用方案二设计。工作原理该对讲收音机的原理框图如下图所示,分为接收部分和发射部分, 发射部分电路采用本级振荡经调制差频后中频发射。接收部分采用相干解调方式放大输出。接收部分原理 :调频信号由 TX接收,经 C9耦合到 IC1 的 19 脚内的混频电路,IC1 第 1 脚内部为本机振荡电路,1 脚为本振信号输入端, L4、R6、C10、C11等. . 元件构成本振的调谐回路。在IC1 内部混频后的信号经低通滤波器后得到10.7MHz的中频信号, 中频信号由 IC1 的 7、8、9 脚内电路进行中频放大、 检波,7、8、9 脚外接的电容为高频滤波电容,此时,中频信号频率仍然是变化的,经过鉴频后变成变化的电压。10 脚外接电容为鉴频电路的滤波电容。这个变化的电压就是音频信号,经过静噪的音频信号从14脚输出耦合至 12 脚内的功放电路,第一次功率放大后的音频信号从11 脚输出,经过 R10、C25、RP,耦合至 IC2 进行第二次功率放大,推动扬声器发出声音。对讲机接收结构框图如下图所示:对讲发射原理 :变化着的声波被驻极体转换为变化着的电信号,经过R1、R2、C1 阻抗均衡后,由 VT1进行调制放大。 C2、C3、C4、C5、L1 以及 VT1集电极与发射极之间的结电容ceC 构成一个 LC振荡电路, 在调频电路中, 很小的电容变化也会引起很大的频率变化。当电信号变化时,相应的ceC 也会有变化,这样频率就会有变化,就达到了调频的目的。经过VT1调制放大的信号经C6耦合至发射管VT2通过 TX、C7向外发射调频信号。 VT1、VT2用 9018 超高频三极管作为振荡和发射专用管。对讲机发射结构框图如下图所示:. . 调频对讲机电路原理图如下图所示:D1800芯片功能介绍: D1800 为单片 FM/AM 收音机电路, FM 部分包含混频,本振中放,鉴频,静噪,低通滤波器等;...

1、当您付费下载文档后,您只拥有了使用权限,并不意味着购买了版权,文档只能用于自身使用,不得用于其他商业用途(如 [转卖]进行直接盈利或[编辑后售卖]进行间接盈利)。
2、本站所有内容均由合作方或网友上传,本站不对文档的完整性、权威性及其观点立场正确性做任何保证或承诺!文档内容仅供研究参考,付费前请自行鉴别。
3、如文档内容存在违规,或者侵犯商业秘密、侵犯著作权等,请点击“违规举报”。

碎片内容

通信原理课程设计对讲机

确认删除?
VIP
微信客服
  • 扫码咨询
会员Q群
  • 会员专属群点击这里加入QQ群
客服邮箱
回到顶部