电脑桌面
添加小米粒文库到电脑桌面
安装后可以在桌面快捷访问

造成土壤污染的消除措施1新版

造成土壤污染的消除措施1新版_第1页
1/7
造成土壤污染的消除措施1新版_第2页
2/7
造成土壤污染的消除措施1新版_第3页
3/7
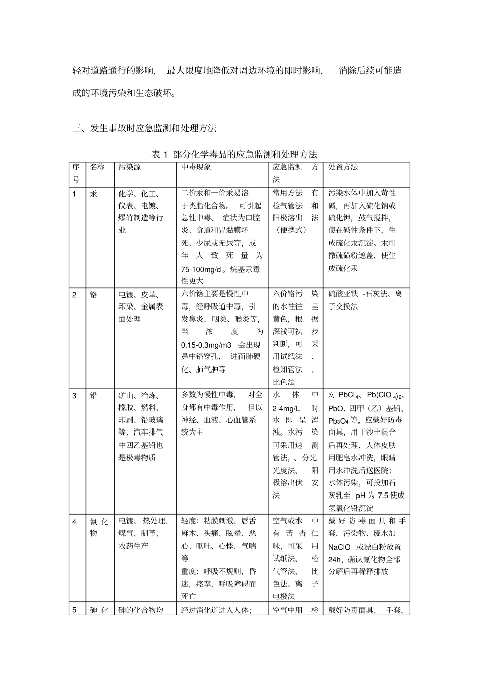
造成土壤污染的消除措施目的:包括发生意外突发事件或正常操作下,造成土壤等环境污染时消除污染的保障措施。范围:发生意外突发事故的类型;造成土壤等环境污染时的消除污染的保障措施。责任人:依据:《危险废物收集、贮存、运输、技术规范》中华人民共和国环境保护法(1989 年 12 月 26 日)中华人民共和国固体废物污染环境防治法(2005 年 4 月 1 日)危险废物经营许可证管理办法中华人民共和国国务院令第 408 号危险废物转移联单管理办法(1999 年 10 月 1 日)危险化学品安全管理条例(中华人民共和国国务院令第 344 号)危险废物污染防治技术政策(环发[2001]199 号)GB 18597 危险废物贮存污染控制标准GB5085.1-3 危险废物鉴别标准国家危险废物名录 ( 环发[2008]) 内容:一、突发性环境污染事故的分类1、根据事故发生原因、主要污染物性质和事故表现形式等,可分为7 类1)有毒有害物质污染事故: 指在生产、 生活过程中引生产、 使用、储存、运输、排放不当导致有毒有害化学品泄露或非正常排放所引发的污染事故。2)毒气污染事故:实际是上面事故的一种,由于毒气污染事故最常见,所以另列,主要有毒、有害气体有一氧化碳、硫化氢、氯气、氨气等。3)爆炸事故易燃易爆物质所引起的爆炸、火灾事故。例如,煤矿瓦斯、烟花爆竹厂以煤气、是有液化气、天然气、油漆、硫磺使用不当造成的爆炸事故。有些垃圾、固体废物堆放或处置不当,也会发生爆炸事故。4)农药污染事故:剧毒农药在生产、储存、运输过程中,因意外、使用不当所引起的泄露所导致的污染事故。5)放射性污染事故:生产、使用、储存、运输放射性物质过程中不当而造成的核辐射危害的污染事故。6)油污染事故:原有、燃料油以及各种油制品在生产、储存、运输和使用过程中因意外或不当而造成泄露的污染事故。7)废水非正常排放污染事故: 因排放不当或事故使大量高浓度废水突然排入地表水体,使水质突然恶化。2、突发性环境污染事故的特征1)形式多样性:有核污染;农药、有毒化学品,溢油,爆炸等事故。产生方式有生产、储存、运输中使用和处置不当所引起。2)发生的突然性:一般环境污染是常量污染,有其固定排污方式和途径。而突发性事件往往无固定的排污方式,在人们的意料之外。3)危害的严重性:一般环境污染多产生于生产过程之中,短期内排污量少,相对危害小,不破坏正常生活和秩序。而突发性事件,往往在极短时间内一次性大量泄漏有毒物质或发生严重爆...

1、当您付费下载文档后,您只拥有了使用权限,并不意味着购买了版权,文档只能用于自身使用,不得用于其他商业用途(如 [转卖]进行直接盈利或[编辑后售卖]进行间接盈利)。
2、本站所有内容均由合作方或网友上传,本站不对文档的完整性、权威性及其观点立场正确性做任何保证或承诺!文档内容仅供研究参考,付费前请自行鉴别。
3、如文档内容存在违规,或者侵犯商业秘密、侵犯著作权等,请点击“违规举报”。

碎片内容

造成土壤污染的消除措施1新版

您可能关注的文档

文库当当响+ 关注
实名认证
内容提供者

该用户很懒,什么也没介绍

相关文档

确认删除?
VIP
微信客服
  • 扫码咨询
会员Q群
  • 会员专属群点击这里加入QQ群
客服邮箱
回到顶部