电脑桌面
添加小米粒文库到电脑桌面
安装后可以在桌面快捷访问

钻镗专用液压系统设计1

钻镗专用液压系统设计1_第1页
1/16
钻镗专用液压系统设计1_第2页
2/16
钻镗专用液压系统设计1_第3页
3/16
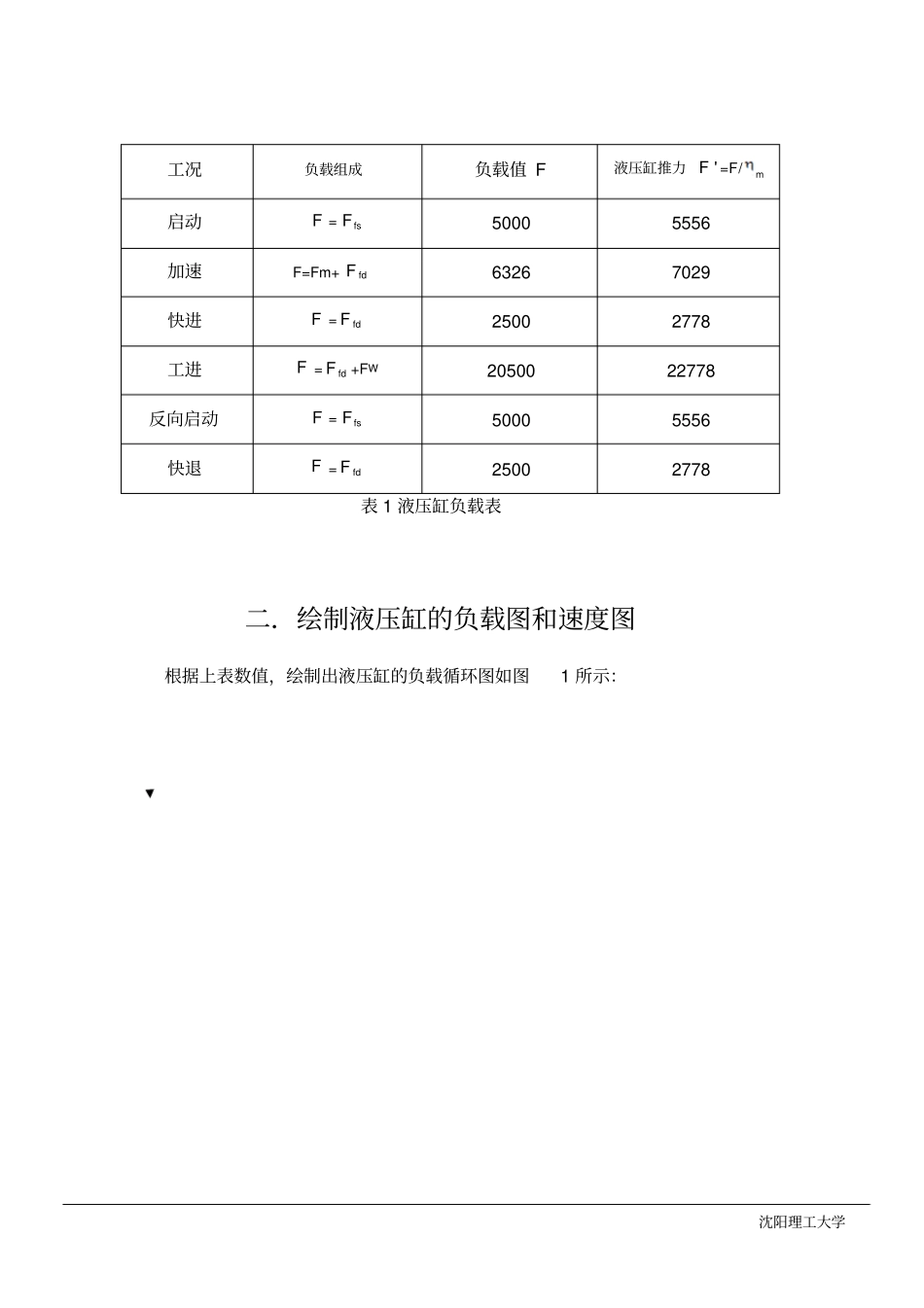
沈阳理工大学目录一.工况分析 ....................................................................................................................... 二.绘制液压缸的负载图和速度图................................................................................... 三.拟订液压系统原理图 .................................................................................................... 四.确定执行元件主要参数............................................................................................... 五. 确定液压泵的规格和电动机功率及型号................................................................ 六..验算液压系统性能 ....................................................................................................... 七 . 参考书目 .................................................................................................................... 沈阳理工大学设计一台钻镗两用组合机床的液压系统。该系统的工作循环时快进→工进→快退→停止。液压系统的主要参数与性能要求如下:最大切削力18000N,移动部件总重量25000N;最大行程400mm(其中工进行程180mm);快进、快退的速度为 4.5m/min,工进速度应在 (20~120)mm/min范围内无级调速;启动换向时间△t=0.05s,采用水平放置的导轨,静摩擦系数 f s=0.2;动摩擦系数 f d=0.1。机械效率取 0.9。一.工况分析液压缸负载主要包括:切削阻力,惯性阻力,重力等,即 F= F W+Ff+ Fm式中: FW ——工作负载,对于金属切削机床来说,即为活塞运动方向的切削力FW =18000N Ff——导轨摩擦阻力负载,启动时为静摩擦阻力,启动后为动摩擦阻力,对于平导轨 Ff 可由下式求得:)Ff=f(G+Fn)G——运动部件重力Fn——垂直于导轨的工作负载,为零f ——导轨摩擦系数,静摩擦系数为0.2,动摩擦系数为 0.1 Ffs= 25000×0.2=5000 N Ffd =25000×0.1=2500 NFm——运动部件速度变化时的惯性负载;Fm= G· Δ v/(g· Δ t)式中, g——重力加速度;Δ t——加速或减速时间, Δ t=0.05s;Δ v—— Δ t 时间内的进度变化量。Fm= G· Δ v/(g· Δ t)=25000×4.5/(9.8×0.05×60)=3826N根据以上分析,计算出液压缸各动作中的负载表1:(单位: N,取m=0.9)沈阳理工...

1、当您付费下载文档后,您只拥有了使用权限,并不意味着购买了版权,文档只能用于自身使用,不得用于其他商业用途(如 [转卖]进行直接盈利或[编辑后售卖]进行间接盈利)。
2、本站所有内容均由合作方或网友上传,本站不对文档的完整性、权威性及其观点立场正确性做任何保证或承诺!文档内容仅供研究参考,付费前请自行鉴别。
3、如文档内容存在违规,或者侵犯商业秘密、侵犯著作权等,请点击“违规举报”。

碎片内容

钻镗专用液压系统设计1

您可能关注的文档

确认删除?
VIP
微信客服
  • 扫码咨询
会员Q群
  • 会员专属群点击这里加入QQ群
客服邮箱
回到顶部