电脑桌面
添加小米粒文库到电脑桌面
安装后可以在桌面快捷访问

液封的设置HGT20570.17—95

液封的设置HGT20570.17—95_第1页
1/10
液封的设置HGT20570.17—95_第2页
2/10
液封的设置HGT20570.17—95_第3页
3/10
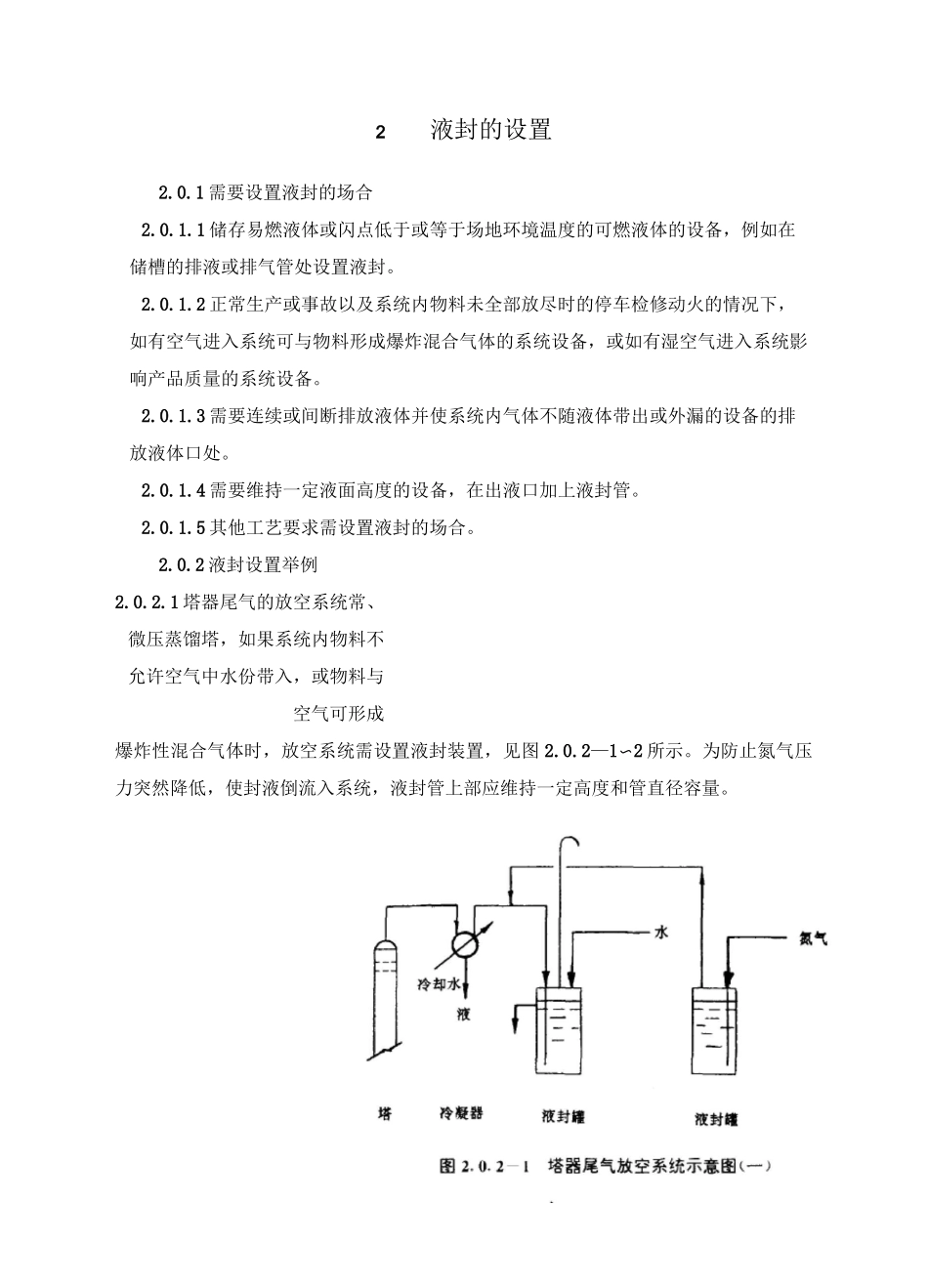
液封的设置HG/T20570.17—951 液封的类型液封装置的常用类型有以下几种:1.0.1 液封罐型液封装置此种液封装置是采用液封罐液面高度通过插入管维持设备系统内一定压力,从而防止空气进入系统内或介质外泄。为避免液封液倒灌入系统内,同时采用惰性气体亦通过液封向系统内充气,保持系统内压力恒定,见图 2.0.2—1〜2 所示。惰性气体可通过压力调节系统自动向系统内充气。液封液通常采用水或其它不与物料发生化学反应的液体。此种类型液封在常、微压蒸馏塔和储槽的放空系统中应用较多。1.0.2U 形管型液封装置U 形管型液封装置是利用 U 形管内充满液体,依靠 U 形管的液封高度阻止设备系统内物料排放时不带出气体,并维持系统内一定压力。液封介质通常是系统本身的物料液体。此类型液封装置应用场合较多,见图 2.0.2—3〜4 所示。1.0.3H 形管型液封装置此类型液封装置主要是通过 n 形管高度维持设备内一定液面,并阻止气体不随排出液体而带出,它是依靠 n 形管液封高度来实现。n 形管高度应根据工艺要求的液面高度确定,见图 2.0.2—9〜10 所示。此类型多用于设备内需要控制一定液面高度的场合,如乳化塔等。1.0.4 自动排液器型液封装置此类型多应用于系统压力较高的气—液分离系统的排液场合,如压缩机储气罐、分离罐等自动排放凝析液。它是利用浮球在流体中所受到的浮力原理而随液位改变沉浮,同时启闭喷嘴孔,实现自动排液并阻滞气体外漏,见图 2.0.2—8 所示。此类装置广泛应用于各种压缩机中间冷却器、气—液分离器、气体储罐内凝析液的排放。2液封的设置2.0.1 需要设置液封的场合2.0.1.1 储存易燃液体或闪点低于或等于场地环境温度的可燃液体的设备,例如在储槽的排液或排气管处设置液封。2.0.1.2 正常生产或事故以及系统内物料未全部放尽时的停车检修动火的情况下,如有空气进入系统可与物料形成爆炸混合气体的系统设备,或如有湿空气进入系统影响产品质量的系统设备。2.0.1.3 需要连续或间断排放液体并使系统内气体不随液体带出或外漏的设备的排放液体口处。2.0.1.4 需要维持一定液面高度的设备,在出液口加上液封管。2.0.1.5 其他工艺要求需设置液封的场合。2.0.2 液封设置举例2.0.2.1 塔器尾气的放空系统常、微压蒸馏塔,如果系统内物料不允许空气中水份带入,或物料与空气可形成爆炸性混合气体时,放空系统需设置液封装置,见图 2.0.2—1〜2 所示。为防止氮气压力突然降低,使封液倒流入系统,液封管上部...

1、当您付费下载文档后,您只拥有了使用权限,并不意味着购买了版权,文档只能用于自身使用,不得用于其他商业用途(如 [转卖]进行直接盈利或[编辑后售卖]进行间接盈利)。
2、本站所有内容均由合作方或网友上传,本站不对文档的完整性、权威性及其观点立场正确性做任何保证或承诺!文档内容仅供研究参考,付费前请自行鉴别。
3、如文档内容存在违规,或者侵犯商业秘密、侵犯著作权等,请点击“违规举报”。

碎片内容

液封的设置HGT20570.17—95

您可能关注的文档

确认删除?
VIP
微信客服
  • 扫码咨询
会员Q群
  • 会员专属群点击这里加入QQ群
客服邮箱
回到顶部