电脑桌面
添加小米粒文库到电脑桌面
安装后可以在桌面快捷访问

静电喷塑中常见故障分析分析

静电喷塑中常见故障分析分析_第1页
1/15
静电喷塑中常见故障分析分析_第2页
2/15
静电喷塑中常见故障分析分析_第3页
3/15
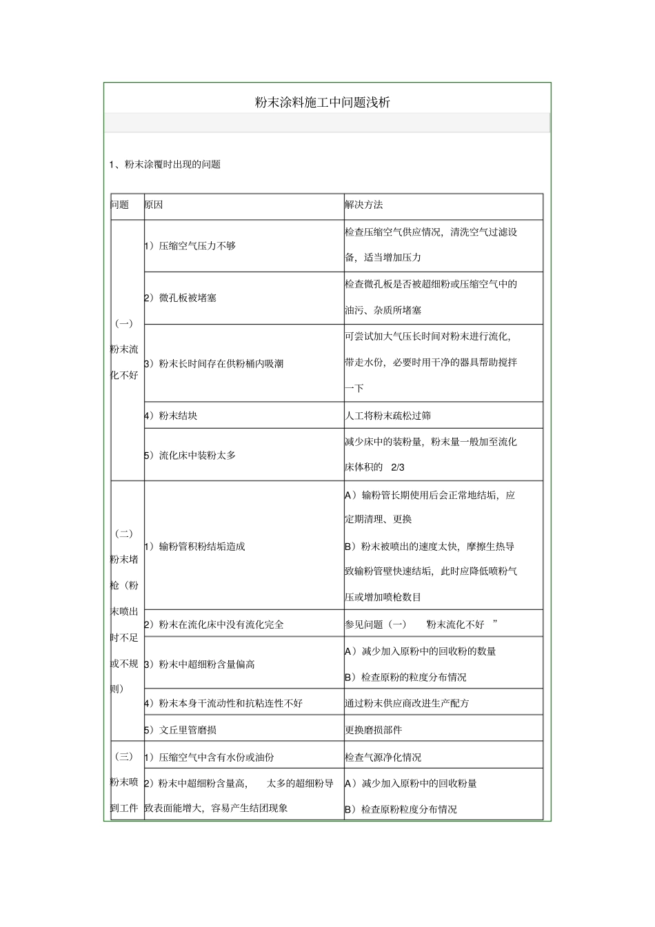
静电喷塑中常见故障分析请具体点说明 . 除油不净可以造成这个问题静电喷塑中常见故障分析出粉正常但不上粉或者上粉很少主机喷枪保险烧断(1A )更换 1A 的喷枪保险喷枪进水,高压静电被短路,系统处于保护状态,输出电压很低分解并充分吹干喷枪,检查并解决水分来源,保证压缩空气干燥。选用粉末不是静电喷涂用粉末、粉末受潮、粉末质量不佳换用合格的静电粉末工件与主机之间的接地连接不良检查接地线连接情况输出电压调的过低推荐工作电压:60-70KV 上粉效果不理想输出电压过低推荐工作电压:60-70KV 空气压力过大,粉末被吹跑调整射粉气压粉末受潮或者质量不佳换用合格的静电喷涂用粉末涂料工件接地线接触不良或者挂钩上沾有过厚的已经固化的粉末检查工件接地通路,清理挂钩粉末雾化不良流化气压过低或者粉末轻度受潮或者粉末质量不佳增大流化气压,换用干燥合格的粉末吸粉泵堵塞或者损坏清理或者联系我们及时更换吸粉泵工作指示灯不亮喷枪的电缆线插座不良、枪机行程过短,不能扣动枪内的开关检查喷枪电缆线, 调整扳机顶螺丝电源指示灯不亮电源插座没电、 电源线与插座接触不良、电源保险烧断( 0.5A )检查电源和检查更换0.5A 电源保险不出粉喷枪的出粉口被扩散头堵住(新枪经典,多次发生)向外调整扩散头位置电磁阀不动作,没有射粉气压输出检查电磁阀的插头和连线连接喷枪的输粉管弯折或者脱落,气压连接管接错(射粉与稀释颠倒)检查输粉管与各条气管喷塑机进气阀门没有打开,或者气压过低打开阀门并调整射粉气压到0.3~0.4 喷枪控制线、 扳机开关、 喷枪连接到主机的插座接触不良(扣动板机时主机内没有“卡达 ”声)检查连线和插头稀释气压(二次气)过大先将稀释气压完全关闭试机吸粉泵上的出粉咀堵塞清理,并注意经常检查220V 交流电压过低,设备供电不足,电磁阀打不开(新发现)调整电源电压或者加一个稳压器不出粉或一通气就一直出粉高压空气中有水,且工作环境温度太低,电磁阀阀芯被冻住,特点是主机工作指示灯显示正常,电磁阀不动作(新发现)。用电吹风给电磁阀加热化开,并解决水分和温度问题。出粉不良出粉少或者出粉不均匀输粉管过长输粉管不能擅自加长流化气压过低,粉末流化不良调整流化气压射粉气压过低出粉量会变小调整射粉气压粉末受潮结团或者混有杂质更换粉末,注意防潮吸粉泵上的出粉咀被粉末堵塞清理,并注意检查及防潮清理过程中不慎弄坏(改变)了吸粉泵的结构联系我们及时更换吸粉泵稀释气压过...

1、当您付费下载文档后,您只拥有了使用权限,并不意味着购买了版权,文档只能用于自身使用,不得用于其他商业用途(如 [转卖]进行直接盈利或[编辑后售卖]进行间接盈利)。
2、本站所有内容均由合作方或网友上传,本站不对文档的完整性、权威性及其观点立场正确性做任何保证或承诺!文档内容仅供研究参考,付费前请自行鉴别。
3、如文档内容存在违规,或者侵犯商业秘密、侵犯著作权等,请点击“违规举报”。

碎片内容

静电喷塑中常见故障分析分析

爱的疯狂+ 关注
实名认证
内容提供者

该用户很懒,什么也没介绍

确认删除?
VIP
微信客服
  • 扫码咨询
会员Q群
  • 会员专属群点击这里加入QQ群
客服邮箱
回到顶部