电脑桌面
添加小米粒文库到电脑桌面
安装后可以在桌面快捷访问

预埋件、埋管、螺栓隐蔽会签单

预埋件、埋管、螺栓隐蔽会签单_第1页
1/9
预埋件、埋管、螺栓隐蔽会签单_第2页
2/9
预埋件、埋管、螺栓隐蔽会签单_第3页
3/9
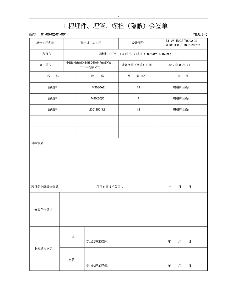
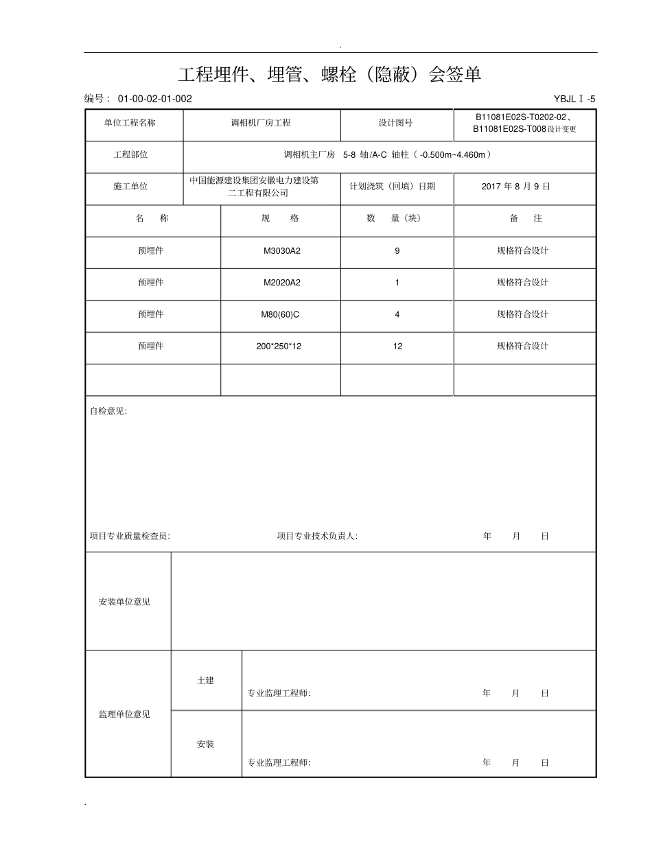
. . 工程埋件、埋管、螺栓(隐蔽)会签单编号 : 01-00-02-01-001YBJLⅠ-5单位工程名称调相机厂房工程设计图号B11081E02S-T0202-02、B11081E02S-T008设计变更工程部位调相机主厂房1-4 轴 /A-C 轴柱( -0.500m~4.460m )施工单位中国能源建设集团安徽电力建设第二工程有限公司计划浇筑(回填)日期2017 年 8 月 3 日名称规格数量(块)备注预埋件M3030A2 11 规格符合设计预埋件M80(60)C 4 规格符合设计预埋件200*250*12 12 规格符合设计自检意见:项目专业质量检查员:项目专业技术负责人:年月日安装单位意见监理单位意见土建专业监理工程师:年月日安装专业监理工程师:年月日. . 工程埋件、埋管、螺栓(隐蔽)会签单编号 : 01-00-02-01-002YBJLⅠ-5单位工程名称调相机厂房工程设计图号B11081E02S-T0202-02、B11081E02S-T008设计变更工程部位调相机主厂房5-8 轴 /A-C 轴柱( -0.500m~4.460m )施工单位中国能源建设集团安徽电力建设第二工程有限公司计划浇筑(回填)日期2017 年 8 月 9 日名称规格数量(块)备注预埋件M3030A2 9 规格符合设计预埋件M2020A2 1 规格符合设计预埋件M80(60)C 4 规格符合设计预埋件200*250*12 12 规格符合设计自检意见:项目专业质量检查员:项目专业技术负责人:年月日安装单位意见监理单位意见土建专业监理工程师:年月日安装专业监理工程师:年月日. . 工程埋件、埋管、螺栓(隐蔽)会签单编号 : 01-00-02-01-003YBJLⅠ-5单位工程名称调相机厂房工程设计图号B11081E02S-T008设计变更33- B11081E02S-D1402-02 33- B11081E02S-D1303-02 工程部位调相机主厂房4.460m 层梁、板、 1#楼梯施工单位中国能源建设集团安徽电力建设第二工程有限公司计划浇筑(回填)日期2017 年 8 月 27 日名称规格数量(块)备注预埋件M3030A2 72 规格符合设计预埋件M2525A2 62 规格符合设计预埋件M5025A2 12 规格符合设计预埋件M5030A2 8 规格符合设计预埋件M4030A2 10 规格符合设计预埋件M4020A2 2 规格符合设计预埋件M6030A2 1 规格符合设计预埋件M2020A2 1 规格符合设计预埋件M4025A2 15 规格符合设计预埋件M2535A2 10 规格符合设计预埋件M3025A2 1 规格符合设计预埋件M2525B2 2 规格符合设计预埋件C2040B2 3 规格符合设计预埋件E1515A2 165 规格符合设计预埋件C1010A2 37 规格符合设计. . 工程埋件、埋管、螺栓(隐蔽)会签单编号 : 01...

1、当您付费下载文档后,您只拥有了使用权限,并不意味着购买了版权,文档只能用于自身使用,不得用于其他商业用途(如 [转卖]进行直接盈利或[编辑后售卖]进行间接盈利)。
2、本站所有内容均由合作方或网友上传,本站不对文档的完整性、权威性及其观点立场正确性做任何保证或承诺!文档内容仅供研究参考,付费前请自行鉴别。
3、如文档内容存在违规,或者侵犯商业秘密、侵犯著作权等,请点击“违规举报”。

碎片内容

预埋件、埋管、螺栓隐蔽会签单

确认删除?
VIP
微信客服
  • 扫码咨询
会员Q群
  • 会员专属群点击这里加入QQ群
客服邮箱
回到顶部