电脑桌面
添加小米粒文库到电脑桌面
安装后可以在桌面快捷访问

预赛数控铣加工中心操作工中级级操作技能试题VIP专享

预赛数控铣加工中心操作工中级级操作技能试题_第1页
1/3
预赛数控铣加工中心操作工中级级操作技能试题_第2页
2/3
预赛数控铣加工中心操作工中级级操作技能试题_第3页
3/3
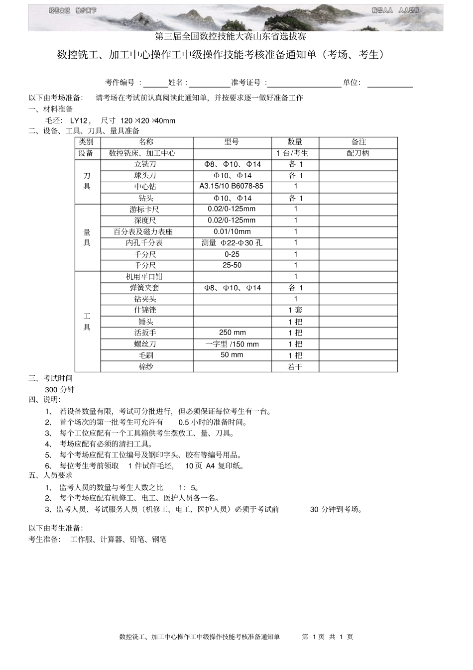
数控铣工、加工中心操作工中级操作技能考核准备通知单第 1 页 共 1 页第三届全国数控技能大赛山东省选拔赛数控铣工、加工中心操作工中级操作技能考核准备通知单(考场、考生)考件编号 : 姓名 : 准考证号 :单位:以下由考场准备:请考场在考试前认真阅读此通知单,并按要求逐一做好准备工作一、材料准备毛坯: LY12 , 尺寸 120×120×40mm 二、设备、工具、刀具、量具准备类别名称型号数量备注设备数控铣床、加工中心1 台/考生配刀柄刀具立铣刀Ф8、Ф10、Ф14 各 1 球头刀Ф10、Ф14 各 1 中心钻A3.15/10 B6078-85 1 钻头Ф10、Ф14 各 1 量具游标卡尺0.02/0-125mm 1 深度尺0.02/0-125mm 1 百分表及磁力表座0.01/10mm 1 内孔千分表测量 Ф22-Ф 30 孔1 千分尺0-25 1 千分尺25-50 1 工具机用平口钳1 弹簧夹套Ф8、Ф10、Ф14 各 1 钻夹头1 什锦锉1 套锤头1 把活扳手250 mm 1 把螺丝刀一字型 /150 mm 1 把毛刷50 mm 1 把棉纱若干三、考试时间300 分钟四、说明:1、 若设备数量有限,考试可分批进行,但必须保证每位考生有一台。2、 首个场次的第一批考生可允许有0.5 小时的准备时间。3、 每个工位应配有一个工具箱供考生摆放工、量、刀具。4、 考场应配有必须的清扫工具。5、 每个考场应配有工位编号及钢印字头、胶布等编号用品。6、 每位考生考前领取1 件试件毛坯, 10 页 A4 复印纸。五、人员要求1、 监考人员的数量与考生人数之比1:5。2、 每个考场应配有机修工、电工、医护人员各一名。3、监考人员、考试服务人员(机修工、电工、医护人员)必须于考试前30 分钟到考场。以下由考生准备:考生准备: 工作服、计算器、铅笔、钢笔数控铣工、加工中心操作工中级操作技能考核试题第 1 页 共 1 页第三届全国数控技能大赛山东省选拔赛数控铣工、加工中心操作工中级操作技能考核试题考件编号 : 姓名 : 准考证号 :单位:数控铣加工中心操作工高级实际操作试题比例1:1 材料LY12 图号XZ 数控铣工、加工中心操作工中级操作技能考核试题评分记录表第 1 页 共 1 页第三届全国数控技能大赛山东省选拔赛数控铣工、加工中心操作工中级操作技能评分表考件编号 : 姓名 : 准考证号 :单位:试题编号XZ 操作时间300min 总分序号项目内容及要求评分标准配分检测结果得分备注1 零件厚度厚度 380 -0.039每超 0.01 扣 1 分5 2 零件表面平行度 0.03 ...

1、当您付费下载文档后,您只拥有了使用权限,并不意味着购买了版权,文档只能用于自身使用,不得用于其他商业用途(如 [转卖]进行直接盈利或[编辑后售卖]进行间接盈利)。
2、本站所有内容均由合作方或网友上传,本站不对文档的完整性、权威性及其观点立场正确性做任何保证或承诺!文档内容仅供研究参考,付费前请自行鉴别。
3、如文档内容存在违规,或者侵犯商业秘密、侵犯著作权等,请点击“违规举报”。

碎片内容

预赛数控铣加工中心操作工中级级操作技能试题

确认删除?
VIP
微信客服
  • 扫码咨询
会员Q群
  • 会员专属群点击这里加入QQ群
客服邮箱
回到顶部