电脑桌面
添加小米粒文库到电脑桌面
安装后可以在桌面快捷访问

盾构进出洞加固施工方案

盾构进出洞加固施工方案_第1页
1/14
盾构进出洞加固施工方案_第2页
2/14
盾构进出洞加固施工方案_第3页
3/14
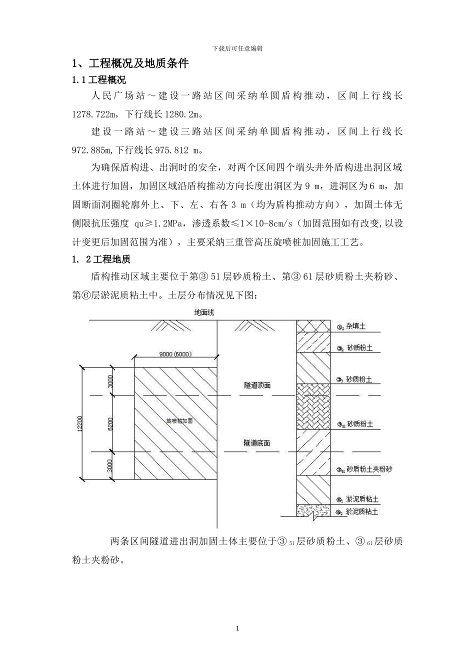
下载后可任意编辑【若缺失公式、图片现象属于系统读取不成功,文档内容齐全完整,请放心下载。】杭州地铁 2 号线一期 SG2-4 标段区间工程(人民广场站~建设一路站~建设三路站)(人民广场站北端头建设一路站南端头建设一路站北端头建设三路站南端头)进出洞加固施工方案 编制: 审核: 批准: 上海市第二市政工程有限公司杭州地铁 2 号线一期工程建设一路站/建设三路站/6、7 号盾构区间项目经理部二OO九年七月第一章 工程概况0下载后可任意编辑1、工程概况及地质条件1.1 工程概况人 民 广 场 站 ~ 建 设 一 路 站 区 间 采 纳 单 圆 盾 构 推 动 , 区 间 上 行 线 长1278.722m,下行线长 1280.2m。建 设 一 路 站 ~ 建 设 三 路 站 区 间 采 纳 单 圆 盾 构 推 动 , 区 间 上 行 线 长972.885m,下行线长 975.812 m。为确保盾构进、出洞时的安全,对两个区间四个端头井外盾构进出洞区域土体进行加固,加固区域沿盾构推动方向长度出洞区为 9 m,进洞区为 6 m,加固断面洞圈轮廓外上、下、左、右各 3 m(均为盾构推动方向),加固土体无侧限抗压强度 qu≥1.2MPa,渗透系数≤1×10-8cm/s(加固范围如有改变,以设计变更后加固范围为准),主要采纳三重管高压旋喷桩加固施工工艺。 1. 2 工程地质盾构推动区域主要位于第③ 51 层砂质粉土、第③ 61 层砂质粉土夹粉砂、第⑥层淤泥质粘土中。土层分布情况见下图:两条区间隧道进出洞加固土体主要位于③ 51层砂质粉土、③ 61层砂质粉土夹粉砂。1下载后可任意编辑第二章 施工总体部署2.1 施工安排根据现场条件结合本工程特点,根据甲方对安全、质量和工期要求,本工程计划安排 1 台三重管高压旋喷桩机,根据区间隧道推动先后顺序在四个端头井外依次进行地基加固。2.2 施工场地布置施工场地布置根据文明施工的要求安排,并根据场地的实际条件,合理安排水泥库、浆液搅拌站。 2下载后可任意编辑第三章 施工技术方案3.1 桩位布置 根据施工图纸要求,旋喷桩径选用 Φ800,相邻桩搭接长度为 200mm。人民广场站北端头出洞加固区共布置 424 根桩;建设一路站南端头进洞加固区共布置 635 根;建设一路北端头出洞区共布置 404 根桩;建设三路站南端头出洞加固区共布置 604 根桩;加固断面范围均为洞圈轮廓上、下、左、右各 3 米。详见《桩位平面布置图》。3.2 机具设备三重管高压旋喷桩。表 3-1 ...

1、当您付费下载文档后,您只拥有了使用权限,并不意味着购买了版权,文档只能用于自身使用,不得用于其他商业用途(如 [转卖]进行直接盈利或[编辑后售卖]进行间接盈利)。
2、本站所有内容均由合作方或网友上传,本站不对文档的完整性、权威性及其观点立场正确性做任何保证或承诺!文档内容仅供研究参考,付费前请自行鉴别。
3、如文档内容存在违规,或者侵犯商业秘密、侵犯著作权等,请点击“违规举报”。

碎片内容

盾构进出洞加固施工方案

您可能关注的文档

确认删除?
VIP
微信客服
  • 扫码咨询
会员Q群
  • 会员专属群点击这里加入QQ群
客服邮箱
回到顶部