电脑桌面
添加小米粒文库到电脑桌面
安装后可以在桌面快捷访问

001条板墙技术交底VIP专享

001条板墙技术交底_第1页
1/6
001条板墙技术交底_第2页
2/6
001条板墙技术交底_第3页
3/6
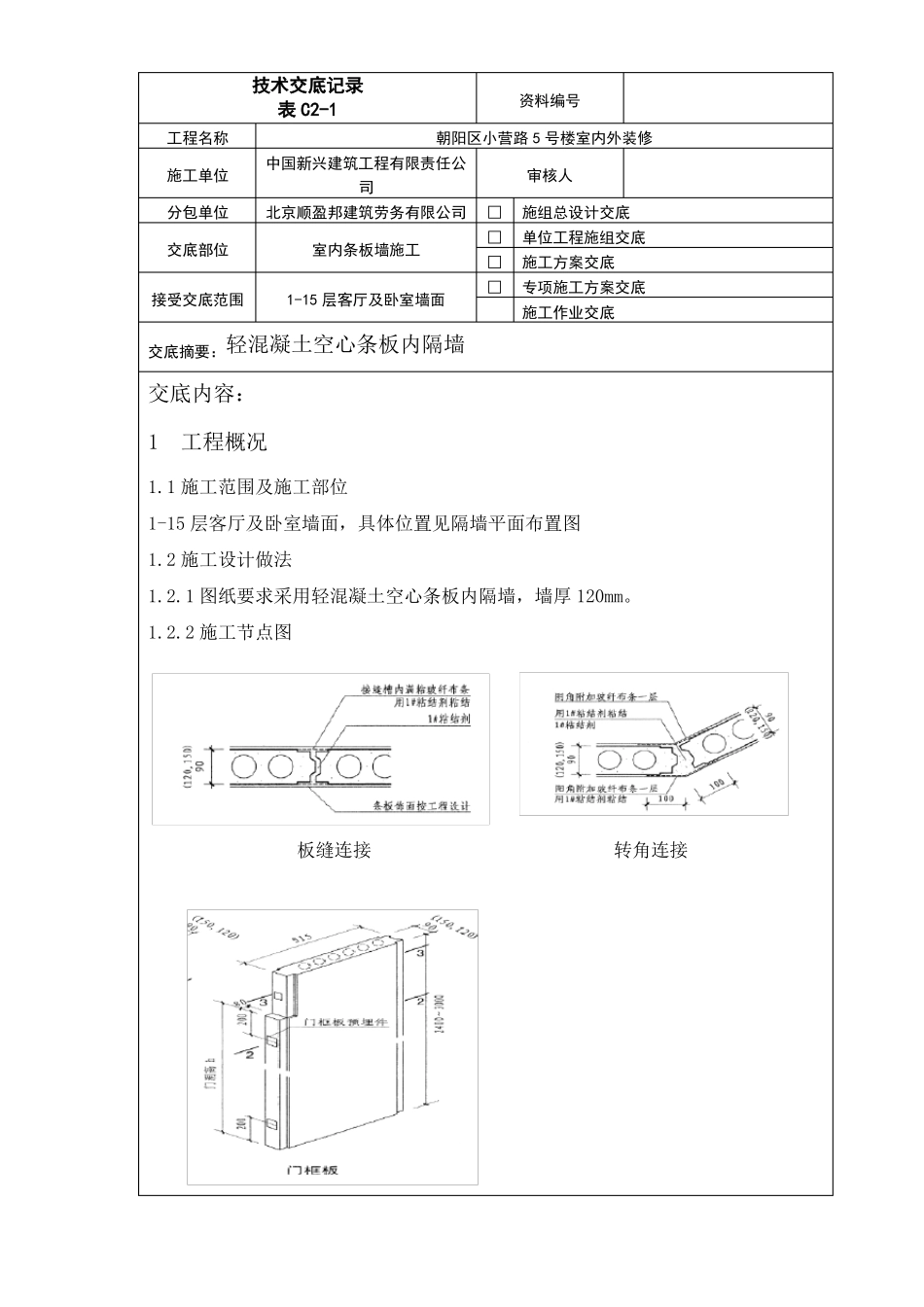
技术交底记录表 C2-1工程名称施工单位分包单位交底部位接受交底范围司中国新兴建筑工程有限责任公资料编号朝阳区小营路 5 号楼室内外装修审核人北京顺盈邦建筑劳务有限公司□施组总设计交底室内条板墙施工1-15 层客厅及卧室墙面□单位工程施组交底□施工方案交底□专项施工方案交底施工作业交底交底摘要:轻混凝土空心条板内隔墙交底内容:1工程概况1.1 施工范围及施工部位1-15 层客厅及卧室墙面,具体位置见隔墙平面布置图1.2 施工设计做法1.2.1 图纸要求采用轻混凝土空心条板内隔墙,墙厚 120mm。1.2.2 施工节点图板缝连接转角连接1.2.3 主要施工量为 3750 ㎡,预计施工周期 32 天(根据总进度计划确定工期)。2施工前的准备工作2.1 技术准备2.1.1 工程技术人员认真阅读图纸。图纸会审和技术核定单,核对每道墙体的位置、尺寸,发现疑问及时与设计、监理进行沟通解决并形成记录做到对图纸的透彻理解。正式施正前由甲方对图纸签字误可后进行。2.1.2 编制轻质隔墙板施工方案,并报监理等审批。2.1.3 将技术交底落实到作业班组及操作工人。2.1.4 熟悉图纸后,组织工程技术人员进行现场放线,放线人员要严格按照甲方签字认可的图纸或施工图纸进行放线,随放随复核。放线完毕,请监理进行验收合格后施工。2.2 材料技术质量要求2.2.1 板面应表面平整、边缘整齐、表面不应有污垢裂纹、缺角、翘曲等明显的缺陷。2.2.2 轻混凝土空心条板应符合现行国家标准和行业标准的规定。2.2.3 轻混凝土空心条板主要技术性能表面密度名称型号长*宽(mm)板厚(mm)(kg/m³)轻混凝AI 型土条板*6002400-300012≤110≥5≤0.6≥3.5抗冲击性能(mm/m)干燥收缩值抗压强度2.2.4 使用的相关的辅助材料必须与主材相配套。2.2.5 所有材料必须报监理、业主确认后使用,拒绝不合格产品进入工地。3施工工艺(流程、操作步骤)3.1 施工工艺流程:放线→安装构造柱、圈梁、门洞口加强柱→安装 U 型钢卡→安装轻质隔墙板→安装特殊部位的钢丝网→轻质隔墙板墙体检查加固→水电管线开槽、安装、补槽→贴网格布或无纺布。3.2 主要施工工艺:3.2.1 放线:在地面上根据图纸中隔墙轴线首先放出墙的中心线,然后根据墙中线向两边每边移出 50mm 弹线作为安装轻质隔墙板隔墙板的边线,在墙两边离边线 100mm 分别弹出墙的控制线,作为检查墙体位置的依据。根据地面上的控制线用吊垂的方法将地面上的控制线弹到顶面的梁或板上。在与轻质隔板板墙相交的柱面...

1、当您付费下载文档后,您只拥有了使用权限,并不意味着购买了版权,文档只能用于自身使用,不得用于其他商业用途(如 [转卖]进行直接盈利或[编辑后售卖]进行间接盈利)。
2、本站所有内容均由合作方或网友上传,本站不对文档的完整性、权威性及其观点立场正确性做任何保证或承诺!文档内容仅供研究参考,付费前请自行鉴别。
3、如文档内容存在违规,或者侵犯商业秘密、侵犯著作权等,请点击“违规举报”。

碎片内容

001条板墙技术交底

确认删除?
VIP
微信客服
  • 扫码咨询
会员Q群
  • 会员专属群点击这里加入QQ群
客服邮箱
回到顶部