电脑桌面
添加小米粒文库到电脑桌面
安装后可以在桌面快捷访问

03职业病危害风险分级评级标准

03职业病危害风险分级评级标准_第1页
1/7
03职业病危害风险分级评级标准_第2页
2/7
03职业病危害风险分级评级标准_第3页
3/7
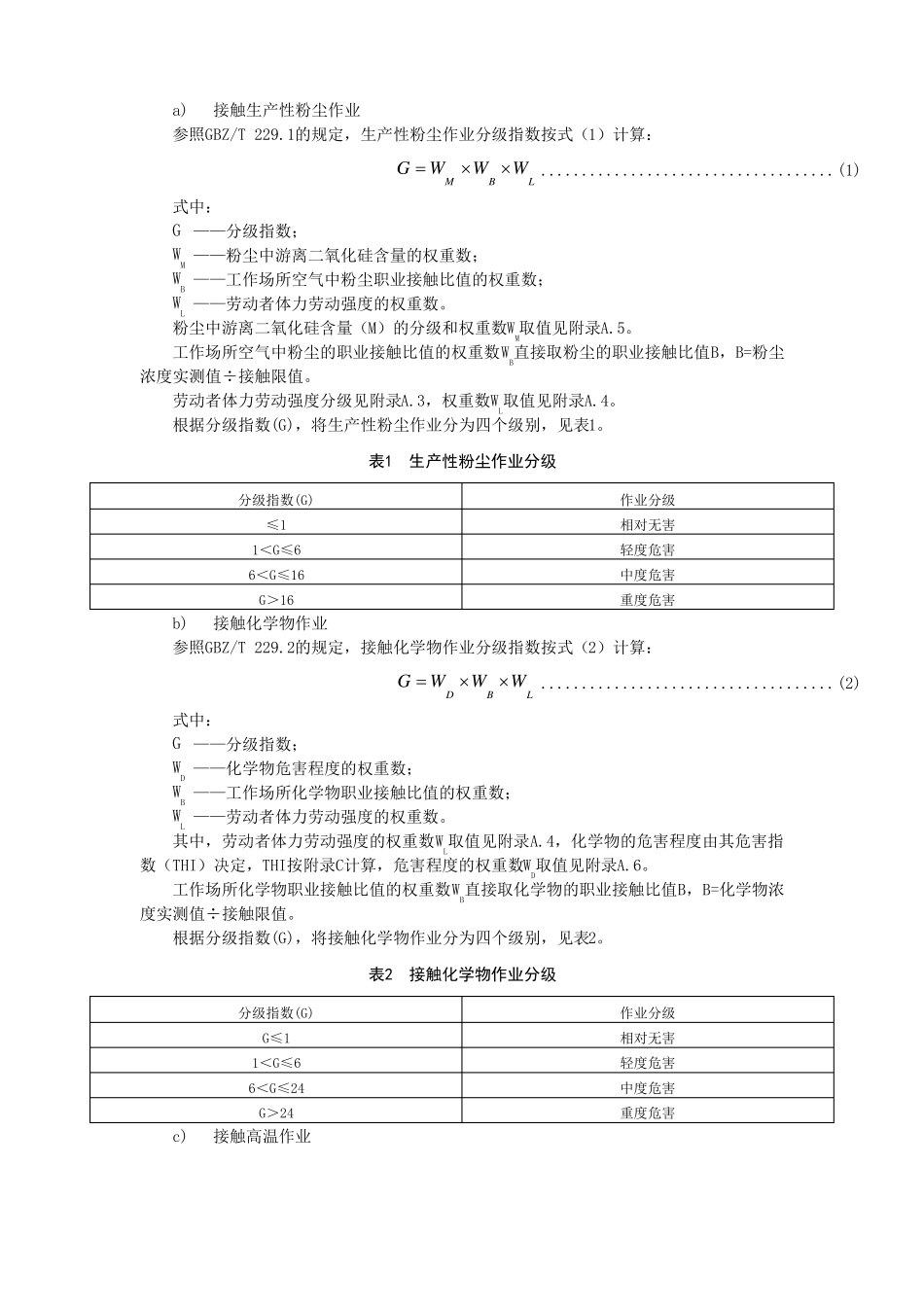
1工作程序和内容1.1风险评价准则职业病危害风险分级评级标准根据作业场所或作业岗位存在的职业病危害因素的固有危害程度、接触水平和作业工人体力劳动强度,进行工作场所职业病危害作业分级,在此基础上综合考虑多种有害因素对风险的影响权重,结合作业岗位职业病危害因素的接触人数、防护水平和健康效应,借助风险评估的经验公式量化发生职业病或职业健康损伤的可能性和严重性,判定风险等级。1.2工作步骤风险分级管控体系建设步骤为:a)基础资料准备。通过工程分析和职业卫生调查,辨识工作场所存在的职业病危害因素并对其浓度(或强度)进行测定(或测量)或搜集有效的检测数据。b)作业岗位职业病危害作业分级。根据职业病危害因素的危害特性、接触时间、检测结果和作业工人的体力劳动强度进行接触职业病危害作业分级。c)作业岗位职业病危害风险分级。根据作业岗位工人接触各种职业病危害作业分级的权重系数、接害人数、防护措施及职业病和职业健康损伤的发生结果确定职业病危害风险级别。d)分级管控。按照作业岗位职业病危害风险级别实施职业病危害风险控制措施和分级管理。1.3风险点确定通过详实的职业卫生调查和工程分析,明确工作场所职业病危害因素的时空分布和岗位接触情况,确定职业病危害风险点。固定作业的职业病危害风险点为岗位工人接害的工作地点或设施,非固定作业的职业病危害风险点为接害的岗位工人及其工作范围内存在职业病危害的设施、部位、场所或区域总和(例:锅炉巡检工接触粉尘、噪声和高温)。1.4危险源(职业病危害因素)辨识1.4.1职业病危害因素辨识应采用工程分析法、经验对照法、检测检验法等方法,参见附录 B。1.4.2职业病危害因素辨识应依据职业病危害因素分类目录、GBZ 2 和 GBZ 160 规定的相关内容进行分析。1.4.3职业病危害因素辨识应对职业病危害因素的来源、时空分布、接触方式及接触时间进行分析。1.5风险评价1.5.1风险评价方法1.5.1.1作业岗位职业病危害作业分级a)接触生产性粉尘作业参照GBZ/T 229.1的规定,生产性粉尘作业分级指数按式(1)计算:G  WM WB WL ....................................(1)式中:G ——分级指数;WM ——粉尘中游离二氧化硅含量的权重数;WB ——工作场所空气中粉尘职业接触比值的权重数;WL ——劳动者体力劳动强度的权重数。粉尘中游离二氧化硅含量(M)的分级和权重数WM取值见附录A.5。工作场所空气中粉尘的职业接触比值的权重数WB直接取粉尘的职业...

1、当您付费下载文档后,您只拥有了使用权限,并不意味着购买了版权,文档只能用于自身使用,不得用于其他商业用途(如 [转卖]进行直接盈利或[编辑后售卖]进行间接盈利)。
2、本站所有内容均由合作方或网友上传,本站不对文档的完整性、权威性及其观点立场正确性做任何保证或承诺!文档内容仅供研究参考,付费前请自行鉴别。
3、如文档内容存在违规,或者侵犯商业秘密、侵犯著作权等,请点击“违规举报”。

碎片内容

03职业病危害风险分级评级标准

您可能关注的文档

确认删除?
VIP
微信客服
  • 扫码咨询
会员Q群
  • 会员专属群点击这里加入QQ群
客服邮箱
回到顶部