电脑桌面
添加小米粒文库到电脑桌面
安装后可以在桌面快捷访问

污染源自动监控系统运行管理台帐-废水

污染源自动监控系统运行管理台帐-废水_第1页
1/18
污染源自动监控系统运行管理台帐-废水_第2页
2/18
污染源自动监控系统运行管理台帐-废水_第3页
3/18
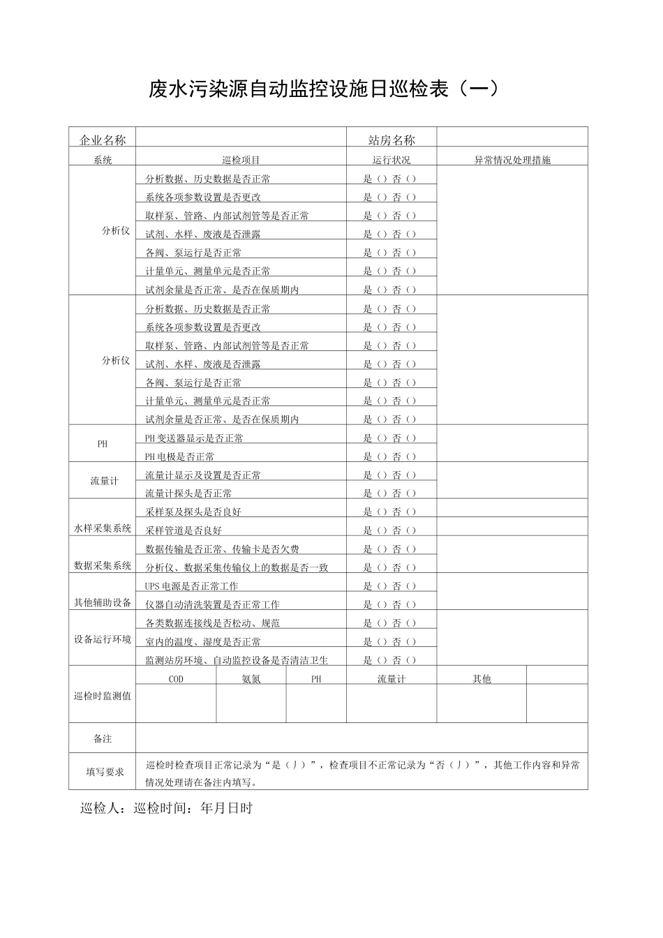
巡检人:巡检时间:年月日时废水污染源自动监控设施日巡检表(一)企业名称站房名称系统巡检项目运行状况异常情况处理措施分析仪分析数据、历史数据是否正常是()否()系统各项参数设置是否更改是()否()取样泵、管路、内部试剂管等是否正常是()否()试剂、水样、废液是否泄露是()否()各阀、泵运行是否正常是()否()计量单元、测量单元是否正常是()否()试剂余量是否正常、是否在保质期内是()否()分析仪分析数据、历史数据是否正常是()否()系统各项参数设置是否更改是()否()取样泵、管路、内部试剂管等是否正常是()否()试剂、水样、废液是否泄露是()否()各阀、泵运行是否正常是()否()计量单元、测量单元是否正常是()否()试剂余量是否正常、是否在保质期内是()否()PHPH 变送器显示是否正常是()否()PH 电极是否正常是()否()流量计流量计显示及设置是否正常是()否()流量计探头是否正常是()否()水样采集系统采样泵及探头是否良好是()否()采样管道是否良好是()否()数据采集系统数据传输是否正常、传输卡是否欠费是()否()分析仪、数据采集传输仪上的数据是否一致是()否()其他辅助设备UPS 电源是否正常工作是()否()仪器自动清洗装置是否正常工作是()否()设备运行环境各类数据连接线是否松动、规范是()否()室内的温度、湿度是否正常是()否()监测站房环境、自动监控设备是否清洁卫生是()否()巡检时监测值COD氨氮PH流量计其他备注填写要求巡检时检查项目正常记录为“是(丿)”,检查项目不正常记录为“否(丿)”,其他工作内容和异常情况处理请在备注内填写。巡检人:巡检时间:年月日时巡检人:巡检时间:年月日时巡检人:巡检时间:年月日时巡检人:巡检时间:年月日时巡检人:巡检时间:年月日时巡检人:巡检时间:年月日时巡检人:巡检时间:年月日时贵州省污染源自动监控系统运行管理台帐——废水贵州省污染源自动监控系统运行管理台帐——废水分析仪校验(比对)分析仪分析方法:量程:项目校验时间标准值测量值数据绝对误差最大变化幅度相对于量程值的漂移百分率校验结论零点漂移月日时\月日时\月日时\量程漂移月日时月日时标准值(A)测量值(B)数据对差=B-A相对误差=(B-A)/A*100%质控样校验月日时月日时实际水样校验月日时月日时分析仪校验(比对)分析仪分析方法:量程:项目校验时间标准值测量值数据绝对误差最大变化幅度相对于量程值的漂...

1、当您付费下载文档后,您只拥有了使用权限,并不意味着购买了版权,文档只能用于自身使用,不得用于其他商业用途(如 [转卖]进行直接盈利或[编辑后售卖]进行间接盈利)。
2、本站所有内容均由合作方或网友上传,本站不对文档的完整性、权威性及其观点立场正确性做任何保证或承诺!文档内容仅供研究参考,付费前请自行鉴别。
3、如文档内容存在违规,或者侵犯商业秘密、侵犯著作权等,请点击“违规举报”。

碎片内容

污染源自动监控系统运行管理台帐-废水

确认删除?
VIP
微信客服
  • 扫码咨询
会员Q群
  • 会员专属群点击这里加入QQ群
客服邮箱
回到顶部