电脑桌面
添加小米粒文库到电脑桌面
安装后可以在桌面快捷访问

2015年常用螺钉与螺栓命名实用标准

2015年常用螺钉与螺栓命名实用标准_第1页
1/10
2015年常用螺钉与螺栓命名实用标准_第2页
2/10
2015年常用螺钉与螺栓命名实用标准_第3页
3/10
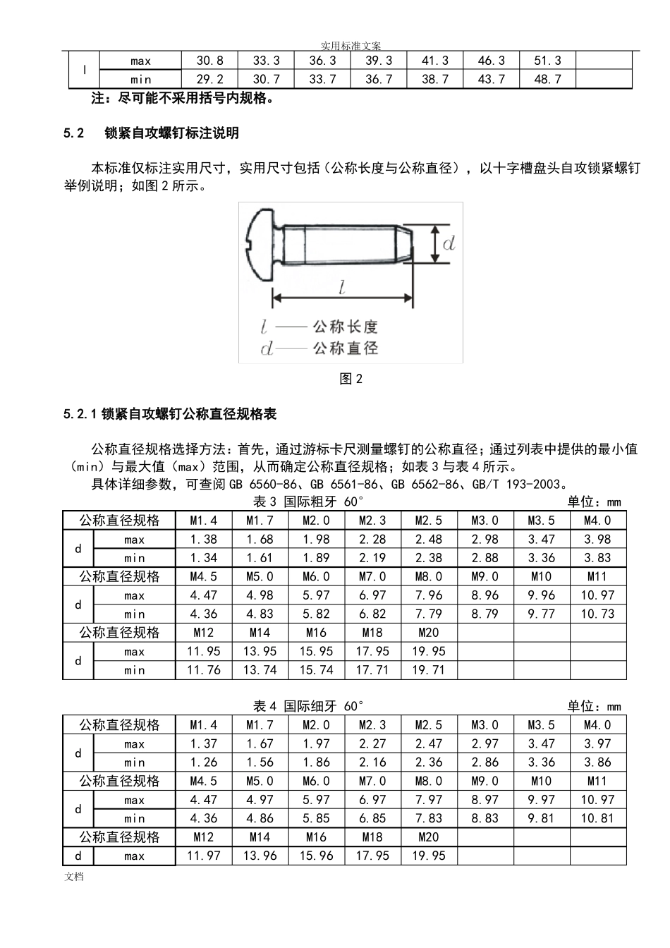
实用标准文案2015 年常用螺钉与螺栓命名标准1. 目的:自公司成立以来,常用螺钉与螺栓的中文名称与规格型号没有明确的标准规定,造成管理混乱;因此对常用螺钉与螺栓进行了规范性的命名说明;方便日常采购、存储以及统一管理。2. 范围:3. 类别:目前公司常用到的各类螺钉与螺栓等紧固件。4. 引用标准:GB 845-85十字槽盘头自攻螺钉GB 846-85十字槽沉头自攻螺钉GB 847-85十字槽半沉头自攻螺钉GB 6560-86十字槽盘头自攻锁紧螺钉GB 6561-86十字槽沉头自攻锁紧螺钉GB 6562-86十字槽半沉头自攻锁紧螺钉GB/T 5782-2000六角头螺栓GB/T 5280-2002自攻螺钉用螺纹GB/T 3106-82螺栓、螺钉和螺柱的公称长度和普通螺栓的螺纹长度GB/T 70.1-2000内六角圆柱头螺钉GB/T 193-2003普通螺纹直径与螺距系列5. 常用螺钉与螺栓标注说明:5.1非锁紧自攻螺钉标注说明文档实用标准文案本标准仅标注实用尺寸,实用尺寸包括(公称长度与公称直径),以十字槽盘头自攻螺钉举例说明;如图 1 所示。图 15.1.1 非锁紧自攻螺钉公称直径规格表公称直径规格选择方法:首先,通过游标卡尺测量螺钉的公称直径;通过列表中提供的最小值(min)与最大值(max)范围,从而确定公称直径规格;如表 1 所示。具体详细参数,可查阅 GB/T 5280-2002。表 1单位:mm公称直径规格ST1.5ST1.9ST2.2ST2.6ST2.9ST3.3ST3.5ST3.9max1.521.902.242.572.903.303.533.91dmin1.381.762.102.432.763.123.353.73公称直径规格ST4.2ST4.8ST5.5ST6.3ST8.0ST9.5max4.224.805.466.258.009.65dmin4.044.625.286.037.789.435.1.2 非锁紧自攻螺钉公称长度规格表公称长度规格选择方法:首先,通过游标卡尺测量螺钉的公称长度;通过列表中提供的最小值(min)与最大值(max)范围,从而确定公称长度规格;如表 2 所示。具体详细参数,可查阅 GB/T 3106-82、GB 845-85、GB846-85、GB847-85。表 2单位:mm公称长度规格22.5344.5566.5max2.22.73.24.24.75.66.26.7lmin1.82.32.83.74.34.85.76.3公称长度规格(7)899.510111213max7.48.49.29.710.411.412.413.4lmin6.87.58.59.39.810.511.512.5公称长度规格1416(18)1920(22)25(28)max14.516.818.419.420.522.825.828.8lmin13.515.217.218.519.521.224.227.2公称长度规格30(32)35(38)404550文档实用标准文案max30.833.336.339.341.346.351.3min29.230.733.736.738.743.748.7注:尽可能不采用括号内规格。5.2锁紧自攻螺钉标注说明本...

1、当您付费下载文档后,您只拥有了使用权限,并不意味着购买了版权,文档只能用于自身使用,不得用于其他商业用途(如 [转卖]进行直接盈利或[编辑后售卖]进行间接盈利)。
2、本站所有内容均由合作方或网友上传,本站不对文档的完整性、权威性及其观点立场正确性做任何保证或承诺!文档内容仅供研究参考,付费前请自行鉴别。
3、如文档内容存在违规,或者侵犯商业秘密、侵犯著作权等,请点击“违规举报”。

碎片内容

2015年常用螺钉与螺栓命名实用标准

确认删除?
VIP
微信客服
  • 扫码咨询
会员Q群
  • 会员专属群点击这里加入QQ群
客服邮箱
回到顶部